Магнитолы Pioneer DEX-P9R - инструкция пользователя по применению, эксплуатации и установке на русском языке. Мы надеемся, она поможет вам решить возникшие у вас вопросы при эксплуатации техники.
Если остались вопросы, задайте их в комментариях после инструкции.
"Загружаем инструкцию", означает, что нужно подождать пока файл загрузится и можно будет его читать онлайн. Некоторые инструкции очень большие и время их появления зависит от вашей скорости интернета.

87
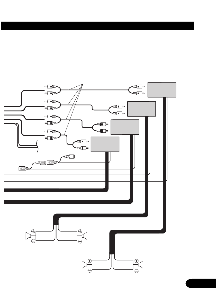
Ïîäêëþ÷åíèå øíóðîâ ñî
øòûðüêîâûì ðàçúåìîì RCA
(ïðèîáðåòàþòñÿ îòäåëüíî)
Óñèëèòåëü ìîù-
íîñòè (ïðèîáðå-
òàåòñÿ îòäåëüíî)
Óñèëèòåëü ìîù-
íîñòè (ïðèîáðå-
òàåòñÿ îòäåëüíî)
Óñèëèòåëü ìîù-
íîñòè (ïðèîáðå-
òàåòñÿ îòäåëüíî)
Óñèëèòåëü ìîù-
íîñòè (ïðèîáðå-
òàåòñÿ îòäåëüíî)
Ëåâûé
Íèçêèé
äèàïàçîí
Ïðàâûé
Íèçêèé
äèàïàçîí
Ëåâûé
Ñàáâóôåð
Ïðàâûé
Ñàáâóôåð
Рис. 5