Магнитолы Pioneer DEH-P8400MP - инструкция пользователя по применению, эксплуатации и установке на русском языке. Мы надеемся, она поможет вам решить возникшие у вас вопросы при эксплуатации техники.
Если остались вопросы, задайте их в комментариях после инструкции.
"Загружаем инструкцию", означает, что нужно подождать пока файл загрузится и можно будет его читать онлайн. Некоторые инструкции очень большие и время их появления зависит от вашей скорости интернета.

9
Ru
Раздел
0
1
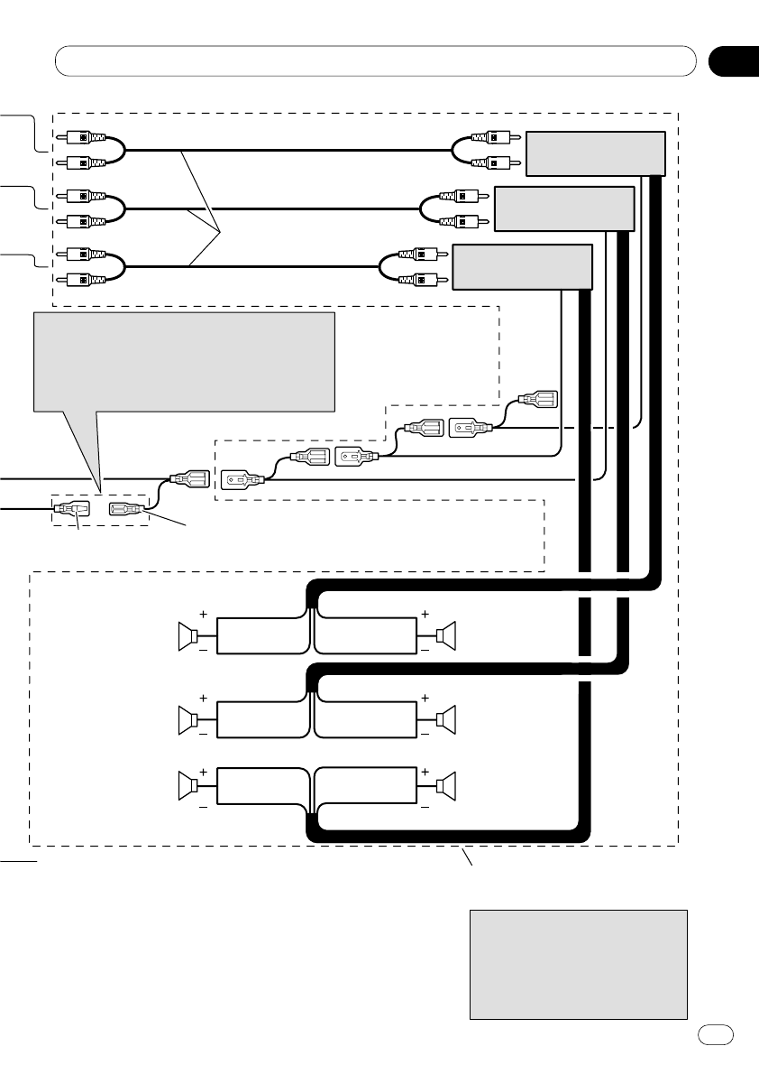
Подключение
устройств
ɋɨɟɞɢɧɢɬɟɥɶɧɵɟ
ɤɚɛɟɥɢ
ɫ
ɤɨɧɬɚɤɬɧɵɦɢ
ɲɬɟɤɟɪɚɦɢ
RCA (
ɩɪɨɞɚɸɬɫɹ
ɨɬɞɟɥɶɧɨ
)
Ɋɚɫɩɨɥɨɠɟɧɢɟ
ɤɨɧɬɚɤɬɨɜ
ɪɚɡɴɟɦɚ
ISO
ɪɚɡɥɢ
-
ɱɚɟɬɫɹ
ɜ
ɡɚɜɢɫɢɦɨɫɬɢ
ɨɬ
ɬɢɩɚ
ɚɜɬɨɦɨɛɢɥɹ
.
ɋɨɟɞɢɧɢɬɟ
6*
ɢ
7*,
ɟɫɥɢ
Ʉɨɧɬɚɤɬ
5
ɫɥɭɠɢɬ
ɞɥɹ
ɭɩɪɚɜɥɟɧɢɹ
ɚɧɬɟɧɧɨɣ
.
ȼ
ɚɜɬɨɦɨɛɢɥɟ
ɞɪɭ
-
ɝɨɝɨ
ɬɢɩɚ
ɧɢɤɨɝɞɚ
ɧɟ
ɫɨɟɞɢɧɹɣɬɟ
6*
ɢ
7*.
ɍɫɢɥɢɬɟɥɶ
ɦɨɳɧɨɫɬɢ
(
ɩɪɨɞɚɟɬɫɹ
ɨɬɞɟɥɶɧɨ
)
ɍɫɢɥɢɬɟɥɶ
ɦɨɳɧɨɫɬɢ
(
ɩɪɨɞɚɟɬɫɹ
ɨɬɞɟɥɶɧɨ
)
ɍɫɢɥɢɬɟɥɶ
ɦɨɳɧɨɫɬɢ
(
ɩɪɨɞɚɟɬɫɹ
ɨɬɞɟɥɶɧɨ
)
Ⱦɢɫɬɚɧɰɢɨɧɧɨɟ
ɭɩɪɚɜɥɟɧɢɟ
ɫɢɫɬɟɦɨɣ
ɋɢɧɢɣ
/
ɛɟɥɵɣ
(6* )
ɋɢɧɢɣ
/
ɛɟɥɵɣ
(7* )
Ʉ
ɪɚɡɴɟɦɭ
ɭɩɪɚɜɥɟɧɢɹ
ɚɜɬɨɧɨɦɧɨɣ
ɚɧɬɟɧɧɵ
.
(
Ɇɚɤɫɢɦɭɦ
300
ɦȺ
2
ȼ
ɩɨɫɬɨɹɧɧɨɝɨ
ɬɨɤɚ
.)
ɉɟɪɟɞɧɢɣ
ɝɪɨɦɤɨɝɨɜɨɪɢɬɟɥɶ
ɉɟɪɟɞɧɢɣ
ɝɪɨɦɤɨɝɨɜɨɪɢɬɟɥɶ
Ɂɚɞɧɢɣ
ɝɪɨɦɤɨɝɨɜɨɪɢɬɟɥɶ
Правый
Ɂɚɞɧɢɣ
ɝɪɨɦɤɨɝɨɜɨɪɢɬɟɥɶ
Левый
ɋɚɛɜɭɮɟɪ
ɋɚɛɜɭɮɟɪ
Ʉɨɧɬɚɤɬɵ
ɝɪɨɦɤɨɝɨɜɨɪɢɬɟɥɟɣ
Ȼɟɥɵɣ
:
ɉɟɪɟɞɧɢɣ
ɥɟɜɵɣ
ª
Ȼɟɥɵɣ
/
ɱɟɪɧɵɣ
:
ɉɟɪɟɞɧɢɣ
ɥɟɜɵɣ
·
ɋɟɪɵɣ
:
ɉɟɪɟɞɧɢɣ
ɩɪɚɜɵɣ
ª
ɋɟɪɵɣ
/
ɱɟɪɧɵɣ
:
ɉɟɪɟɞɧɢɣ
ɩɪɚɜɵɣ
·
Ɂɟɥɟɧɵɣ
:
Ɂɚɞɧɢɣ
ɥɟɜɵɣ
ª
ɢɥɢ
ɋɚɛɜɭɮɟɪ
ª
Ɂɟɥɟɧɵɣ
/
ɑɟɪɧɵɣ
:
Ɂɚɞɧɢɣ
ɥɟɜɵɣ
·
ɢɥɢ
ɋɚɛɜɭɮɟɪ
·
Ɏɢɨɥɟɬɨɜɵɣ
:
Ɂɚɞɧɢɣ
ɩɪɚɜɵɣ
ª
ɢɥɢ
ɋɚɛɜɭɮɟɪ
ª
Ɏɢɨɥɟɬɨɜɵɣ
/
ɱɟɪɧɵɣ
:
Ɂɚɞɧɢɣ
ɩɪɚɜɵɣ
·
ɢɥɢ
ɋɚɛɜɭɮɟɪ
·
ɂɫɩɨɥɶɡɭɣɬɟ
ɷɬɭ
ɫɯɟɦɭ
ɞɥɹ
ɩɨɞɤɥɸɱɟɧɢɹ
,
ɟɫɥɢ
ȼɵ
ɢɫɩɨɥɶ
-
ɡɭɟɬɟ
ɞɨɩɨɥɧɢɬɟɥɶɧɵɣ
ɭɫɢɥɢɬɟɥɶ
(
ɩɪɨɞɚɟɬɫɹ
ɨɬɞɟɥɶɧɨ
).
ɉɪɢɦɟɱɚɧɢɟ
:
ɂɡɦɟɧɢɬɟ
ɇɚɱɚɥɶɧɵɟ
ɇɚɫɬɪɨɣɤɢ
ɷɬɨɝɨ
ɭɫɬɪɨɣɫɬɜɚ
(
ɨɛɪɚɬɢɬɟɫɶ
ɤ
ɢɧɫɬɪɭɤɰɢɢ
ɩɨ
ɷɤɫɩɥɭɚɬɚɰɢɢ
).
ȼɵɯɨɞ
ɫɚɛɜɭɮɟɪɚ
ɷɬɨɝɨ
ɭɫɬɪɨɣ
-
ɫɬɜɚ
ɹɜɥɹɟɬɫɹ
ɦɨɧɨɮɨɧɢɱɟɫɤɢɦ
.
Содержание
- 5 Подключение
- 10 Установка
- 11 Удаление
- 14 Органы; Передняя; Перед
- 16 Рулевой
- 17 Защита
- 19 Демонстрационном
- 20 Индикация; Перезагрузка
- 21 Основные; WMA; формате
- 22 Включение
- 23 Тюнер; Прослушивание
- 26 Переключение; Функции
- 27 PI; Выбор
- 28 Прием; Реакция
- 29 Использование
- 31 Список
- 32 Встроенный; Воспроизведение
- 35 Ввод
- 36 CD
- 37 Проигрыватель
- 39 Повторное
- 45 ITS; ITS
- 53 Тонкая
- 57 Начальные
- 58 DAB
- 62 Прочие; AUX; AUX
- 64 Эксплуатация
- 67 Дополнительная
- 69 Файлы
- 70 папках
- 71 Терминологический; Скорость
- 72 VBR
- 73 Технические