Магнитолы Pioneer DEH-P8400MP - инструкция пользователя по применению, эксплуатации и установке на русском языке. Мы надеемся, она поможет вам решить возникшие у вас вопросы при эксплуатации техники.
Если остались вопросы, задайте их в комментариях после инструкции.
"Загружаем инструкцию", означает, что нужно подождать пока файл загрузится и можно будет его читать онлайн. Некоторые инструкции очень большие и время их появления зависит от вашей скорости интернета.

8
Ru
Раздел
Подключение
устройств
0
1
ɉɪɢɦɟɱɚɧɢɟ
:
ȼ
ɡɚɜɢɫɢɦɨɫɬɢ
ɨɬ
ɬɢɩɚ
ɚɜɬɨɦɨɛɢɥɹ
,
ɮɭɧɤ
-
ɰɢɢ
3*
ɢ
5*
ɦɨɝɭɬ
ɪɚɡɥɢɱɚɬɶɫɹ
.
ȼ
ɷɬɨɦ
ɫɥɭ
-
ɱɚɟ
ɩɨɞɤɥɸɱɢɬɟ
2*
ɤ
5*,
ɚ
4*
ɤ
3*.
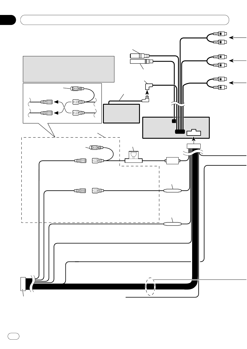
Ɋɚɡɴɟɦ
TEL
Ɉɛɪɚɬɢɬɟɫɶ
ɤ
ɪɭɤɨɜɨɞɫɬɜɭ
ɞɥ
ÿ ãðîìêî-
ãîâîðÿùåé ñâÿçè (
ɩɪɨɞɚɟɬɫɹ
ɨɬɞɟɥɶɧɨ
).
5
ɫɦ
5
ɫɦ
Ƚɧɟɡɞɨ
ɚɧɬɟɧɧɵ
ȼɯɨɞ
IP-BUS (
ɫɢɧɢɣ
)
Ʉɚɛɟɥɶ
IP-BUS
5
ɫɦ
ɉɪɨɢɝɪɵɜɚɬɟɥɶ
Ɇɚɥɬɢ
ɄȾ
(
ɩɪɨ
-
ɞɚɟɬɫɹ
ɨɬɞɟɥɶɧɨ
)
ɗɬɨ
ɭɫɬɪɨɣɫɬɜɨ
5
ɫɦ
ɉɟɪɟɞɧɢɣ
ɜɵɯɨɞ
(FRONT OUTPUT)
5
ɫɦ
Ɂɚɞɧɢɣ
ɜɵɯɨɞ
(REAR OUTPUT)
23
ɫɦ
ȼɵɯɨɞ
ɫɚɛɜɭɮɟɪɚ
ɢɥɢ
ɜɵɯɨɞ
ɛɟɡ
ɡɚɬɭɯɚɧɢɹ
(SUBWOOFER
ɢɥɢ
NON-FADING OUTPUT)
ɉɨɞɤɥɸɱɢɬɟ
ɤɨɧɬɚɤɬɵ
ɨɞɧɨɝɨ
ɰɜɟɬɚ
ɞɪɭɝ
ɤ
ɞɪɭɝɭ
.
Ʉɨɥɩɚɤ
(
* )
ȿɫɥɢ
ɷɬɨɬ
ɪɚɡɴɟɦ
ɧɟ
ɢɫɩɨɥɶ
-
ɡɭɟɬɫɹ
,
ɧɟ
ɭɞɚɥɹɣɬɟ
ɤɨɥɩɚɤ
.
*
2*
3*
5*
4*
Ⱦɟɪɠɚɬɟɥɶ
ɩɪɟɞɨɯɪɚɧɢɬɟɥɹ
ɀɟɥɬɵɣ
(3* )
Ɋɟɡɟɪɜ
(
ɢɥɢ
ɞɨɩɨɥɧɢɬɟɥɶɧɨ
)
ɀɟɥɬɵɣ
(2* )
Ʉ
ɪɚɡɴɟɦɭ
,
ɧɚ
ɤɨɬɨɪɵɣ
ɩɢɬɚɧɢɟ
ɩɨɞɚɟɬɫɹ
ɩɨɫɬɨɹɧɧɨ
,
ɧɟɡɚɜɢɫɢɦɨ
ɨɬ
ɩɨɥɨɠɟɧɢɹ
ɤɥɸɱɚ
ɡɚɠɢɝɚɧɢɹ
.
ɋɨɩɪɨɬɢɜ
-
ɥɟɧɢɟ
ɩɪɟ
-
ɞɨɯɪɚɧɢɬɟɥɹ
Ʉɪɚɫɧɵɣ
(5* )
Ⱦɨɩɨɥɧɢɬɟɥɶɧɨ
(
ɢɥɢ
ɪɟɡɟɪɜ
)
Ʉɪɚɫɧɵɣ
(4* )
Ʉ
ɷɥɟɤɬɪɢɱɟɫɤɨɦɭ
ɪɚɡɴɟɦɭ
,
ɭɩ
-
ɪɚɜɥɹɟɦɨɦɭ
ɤɥɸɱɨɦ
ɡɚɠɢɝɚɧɢɹ
(
2
ȼ
ɩɨɫɬɨɹɧɧɨɝɨ
ɬɨɤɚ
)
ɜɤɥɸ
-
ɱɟɧɢɟ
/
ɜɵɤɥɸɱɟɧɢɟ
.
ɋɨɩɪɨɬɢɜɥɟ
-
ɧɢɟ
ɩɪɟɞɨɯ
-
ɪɚɧɢɬɟɥɹ
Ɉɪɚɧɠɟɜɵɣ
/
ɛɟɥɵɣ
Ʉ
ɪɚɡɴɟɦɭ
ɩɟɪɟɤɥɸɱɚɬɟɥɹ
ɩɨɞɫɜɟɬɤɢ
ɑɟɪɧɵɣ
(
ɡɟɦɥɹ
)
Ʉ
ɦɟɬɚɥɥɢɱɟɫɤɨɦɭ
ɤɭɡɨɜɭ
ɚɜɬɨɦɨɛɢɥɹ
.
ɋɢɧɢɣ
/
ɛɟɥɵɣ
Ʉ
ɪɚɡɴɟɦɭ
ɭɩɪɚɜɥɟɧɢɹ
ɭɫɢɥɢɬɟɥɟɦ
ɦɨɳɧɨɫɬɢ
.
(
Ɇɚɤɫɢɦɭɦ
300
ɦȺ
,
2
ȼ
ɩɨɫɬɨɹɧɧɨɝɨ
ɬɨɤɚ
.)
Ɋɚɡɴɟɦ
ISO
ɉɪɢɦɟɱɚɧɢɟ
:
ȼ
ɧɟɤɨɬɨɪɵɯ
ɚɜɬɨɦɨɛɢɥɹɯ
ɪɚɡɴɟɦ
ISO
ɦɨɠɟɬ
ɛɵɬɶ
ɪɚɡɞɟɥɟɧ
ɧɚɞɜɨɟ
.
ȼ
ɷɬɨɦ
ɫɥɭɱɚɟ
ɩɨɞɤɥɸ
-
ɱɢɬɟ
ɨɛɚ
ɪɚɡɴɟɦɚ
.
ɀɟɥɬɵɣ
/
ɱɟɪɧɵɣ
ȿɫɥɢ
ȼɵ
ɩɨɥɶɡɭɟɬɟɫɶ
ɫɨɬɨɜɵɦ
ɬɟɥɟɮɨɧɨɦ
,
ɩɨɞɤɥɸ
-
ɱɢɬɟ
ɟɝɨ
ɤ
ɤɨɧɬɚɤɬɭ
Audio Mute (
ɩɪɢɝɥɭɲɟɧɢɟ
ɡɜɭ
-
ɤɚ
)
ɧɚ
ɫɨɬɨɜɨɦ
ɬɟɥɟɮɨɧɟ
.
ȿɫɥɢ
ȼɵ
íå ïîëüçóåòåcü
òåëåôîíîì
ɧɟ
ɩɨɞɤɥɸɱɚɣɬɟ
ɤɨɧɬɚɤɬ
Audio Mute.
Содержание
- 5 Подключение
- 10 Установка
- 11 Удаление
- 14 Органы; Передняя; Перед
- 16 Рулевой
- 17 Защита
- 19 Демонстрационном
- 20 Индикация; Перезагрузка
- 21 Основные; WMA; формате
- 22 Включение
- 23 Тюнер; Прослушивание
- 26 Переключение; Функции
- 27 PI; Выбор
- 28 Прием; Реакция
- 29 Использование
- 31 Список
- 32 Встроенный; Воспроизведение
- 35 Ввод
- 36 CD
- 37 Проигрыватель
- 39 Повторное
- 45 ITS; ITS
- 53 Тонкая
- 57 Начальные
- 58 DAB
- 62 Прочие; AUX; AUX
- 64 Эксплуатация
- 67 Дополнительная
- 69 Файлы
- 70 папках
- 71 Терминологический; Скорость
- 72 VBR
- 73 Технические