Магнитолы Panasonic CQ-VX2200W - инструкция пользователя по применению, эксплуатации и установке на русском языке. Мы надеемся, она поможет вам решить возникшие у вас вопросы при эксплуатации техники.
Если остались вопросы, задайте их в комментариях после инструкции.
"Загружаем инструкцию", означает, что нужно подождать пока файл загрузится и можно будет его читать онлайн. Некоторые инструкции очень большие и время их появления зависит от вашей скорости интернета.

32
Р
У
С
С
К
И
Й
CQ-VX2200W
CQ-VX2200W
CQ-VX2200W
CQ-VX2200W
CQ-VX2200W
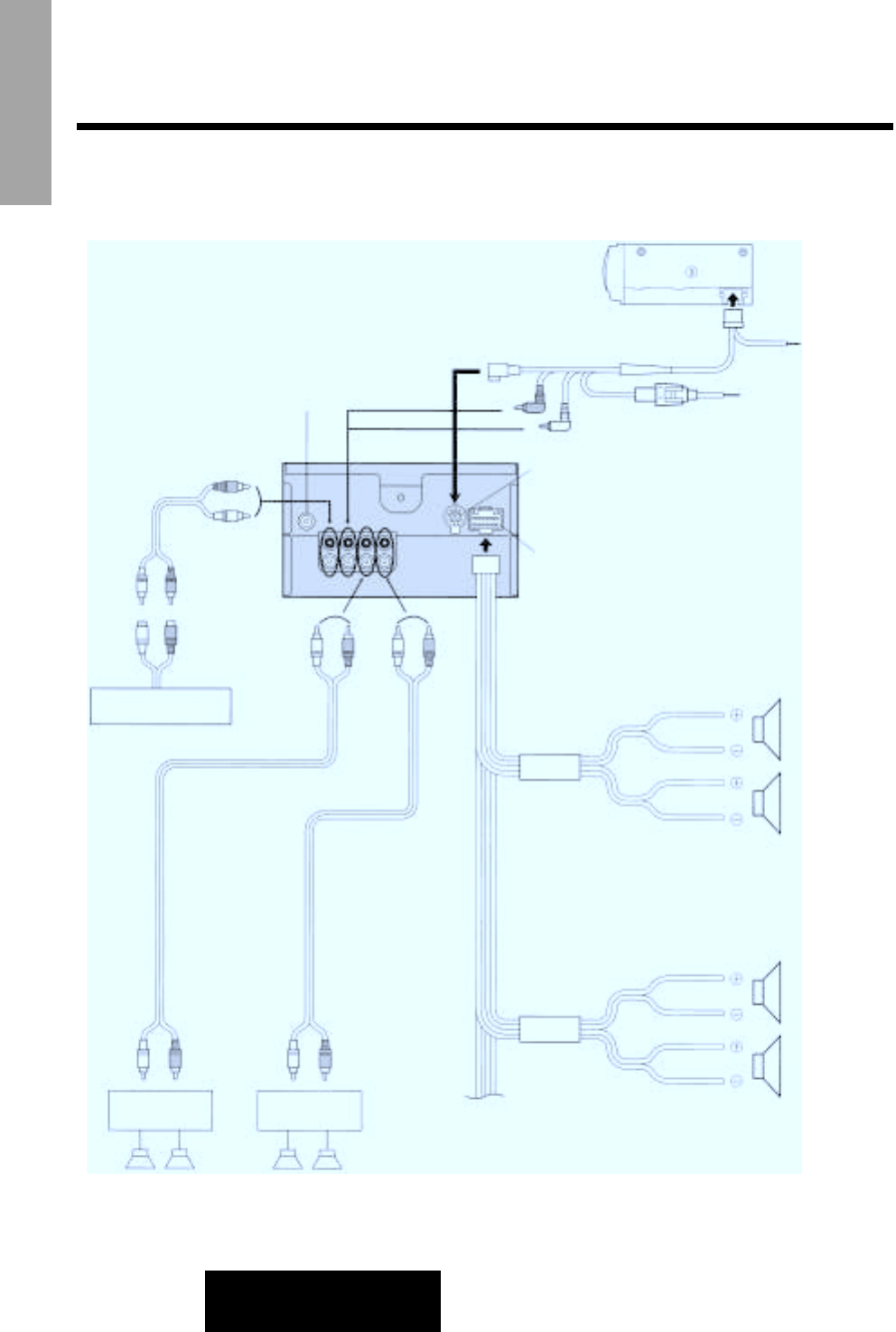
Пример усовершенствования системы
Комбинация
z
Устройство для смены компакт-дисков (CX-DP88N)
z
Автомобильный телевизор
z
8 громкоговорителей
Схема соединений
(продолжение)
Устройство для
смены компакт-
дисков CX-DP88N
Удлинительный кабель
(DIN/RCA/BATT/GND)
Провод за-
земления
Провод ак-
кумулятора
Антенна
CD-C IN
(Красный) (R)
(Белый) (L)
(Желтый)
Предохранитель
(3 А)
Разъем для устройства
смены компакт-дисков
(Красный) (R)
Кабель RCA
(продается
отдельно)
(Белый) (L)
к AUX
Разъем питания
CQ-VX2200W (сзади)
(Белый)
(L)
(Красный)
(R)
(Белый)
(L)
(Красный)
(R)
ТЫЛОВЫЕ
(Белый)
(L)
(Красный)
(R)
ФРОНТАЛЬ-
НЫЕ
(Белый)
(L)
(Крас-
ный)
(R)
Автомобильный
телевизор и пр.
Провод фрон-
тального гром-
коговорителя
(Левый)
Фронталь-
ный громко-
говоритель
(Правый)
Кабель
RCA
(продается
отдельно)
Кабель RCA
(продается
отдельно)
Провод тыло-
вого громко-
говорителя
(Левый)
Тыловой
громкогово-
ритель
(Правый)
(Белый)
(L)
(Крас-
ный)
(R)
(Белый)
(L)
(Красный)
(R)
Усилитель
мощности
Усилитель
мощности
Громкоговорители
для усовершен-
ствования системы
Громкоговорители
для усовершен-
ствования системы