Магнитолы Mystery MDD-7565NV - инструкция пользователя по применению, эксплуатации и установке на русском языке. Мы надеемся, она поможет вам решить возникшие у вас вопросы при эксплуатации техники.
Если остались вопросы, задайте их в комментариях после инструкции.
"Загружаем инструкцию", означает, что нужно подождать пока файл загрузится и можно будет его читать онлайн. Некоторые инструкции очень большие и время их появления зависит от вашей скорости интернета.

-77-
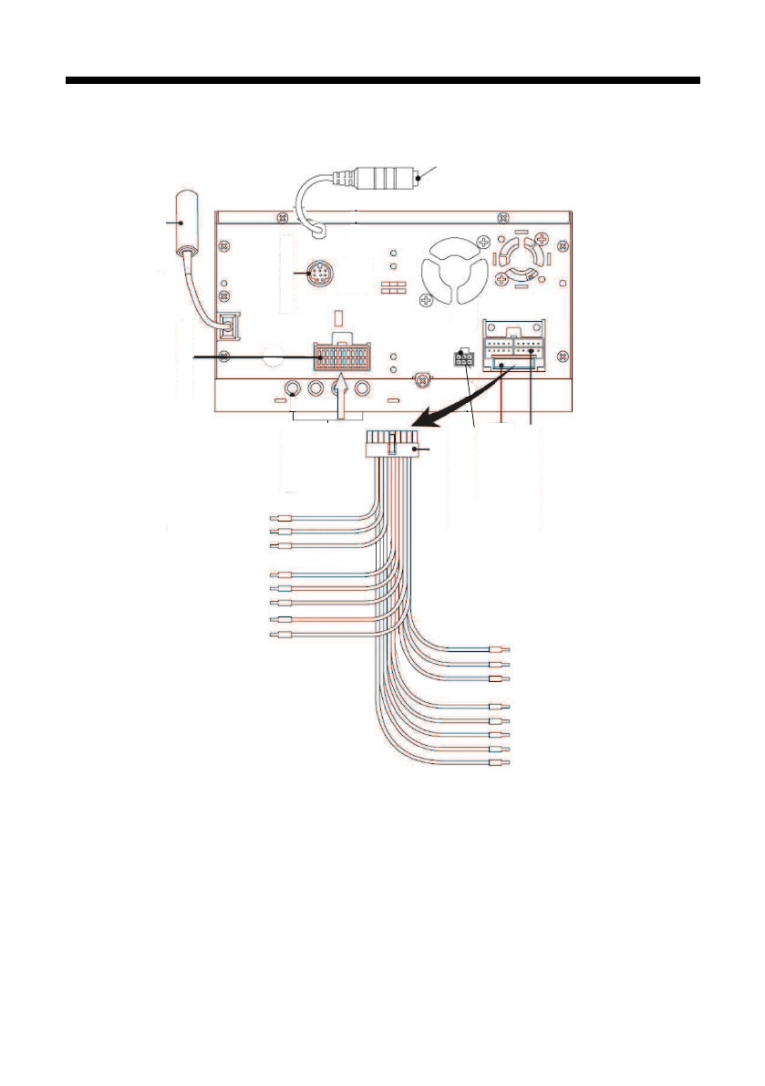
СХЕМА ПОДСОЕДИНЕНИЙ - ПИТАНИЕ И КАБЕЛИ УПРАВЛЕНИЯ
К радио антенне
разъём подключения
входов/выходов
входы ТВ антенны
GPS - приёмник
(для MDD-7565NV)
18-контактный разъём
предохранитель 15А
разъём подключения питания
и динамиков
зажигание(+) (красн.)
приглушение звука при работе телефона (розовый)
стояночный тормоз(-) (корич.)
приглушение подсветки(+) (оранж.\бел.)
правый тыловой(+) (фиолет)
левый фронтальный(-) (бел.чёрн)
левый фронтальный(+) (бел.)
правый тыловой(-) (фиол.\чёрн)
включение усилителя (син.\бел.)
корпус (чёрный)
+12В к аккумулятору (жёлтый)
питание автомобильной антенны (синий)
правый фронтальный (+) (серый)
левый тыловой(-) (зел.\сер.)
левый тыловой (+) (зелёный)
правый тыловой (-) (сер.\чёрн.)
микрофон для
BlueT
ooth
(для MDD-7550Вт)
разьём для подоединения
управдения с кнопок руля
Содержание
- 2 СОДЕРЖАНИЕ
- 3 МЕРЫ ПРЕДОСТОРОЖНОСТИ
- 4 ОБРАЩЕНИЕ С ДИСКАМИ
- 5 КНОПКИ УПРАВЛЕНИЯ
- 6 Если активирован режим ручного
- 7 ПУЛЬТ ДУ; Режим EXT2 будет отображаться
- 8 ENTER
- 11 или коснитесь; ОСНОВНЫЕ ОПЕРАЦИИ
- 12 Выключение звука; не прикасайтесь к; Загрузка/извлечение диска
- 13 Нажмите кнопку; EJECT; еще раз для закрытия мони-
- 14 Экран монитора; Иконка отображает текущий; УПРАВЛЕНИЕ РАДИО-ТЮНЕРОМ
- 16 Настройка на станцию; Иконки с цифрами для ввода
- 17 Меню настройки радио-тюнера
- 19 Поиск станции по типу программ
- 20 Переключение радиосигналов
- 21 УПРАВЛЕНИЕ ТВ-ТЮНЕРОМ
- 22 Настройка каналов; Иконки ввода номера желае-
- 23 Меню настройки ТВ-тюнера
- 24 или
- 25 УПРАВЛЕНИЕ DVD ПРОИГРЫВАТЕЛЕМ; Иконка отображает текущий ре-
- 27 Поиск Названий и Глав; Иконки выбора Названия или
- 28 F G E D
- 29 УПРАВЛЕНИЕ CD ПРОИГРЫВАТЕЛЕМ
- 31 Поиск дорожек; Иконки выбора дорожки по но-
- 32 УПРАВЛЕНИЕ МР3 ПРОИГРЫВАТЕЛЕМ
- 35 Меню МР3 диска; Иконка возврата к предыдуще-
- 36 УПРАВЛЕНИЕ VCD ПРОИГРЫВАТЕЛЕМ
- 39 или иконку; SOURCE; для выбора режима NAVI.
- 40 ВНЕШНИЙ ИСТОЧНИК СИГНАЛА
- 44 Телефонная книжка; Иконка выбора телефонного
- 45 Главное меню; НАСТРОЙКА СИСТЕМЫ
- 46 звуковой сигнал при нажатии кно-
- 47 если вы не нажмете
- 50 Меню настройки звука
- 51 E D F G
- 53 Для сохранения настроек в памяти
- 55 OFF: голосовая навигация отключена
- 61 Функция HDCD
- 63 для настройки
- 65 ДОПОЛНИТЕЛЬНЫЕ НАСТРОЙКИ
- 68 МЕНЮ ZONE SET
- 70 Меры предосторожности; УСТАНОВКА АППАРАТА
- 71 Установка аппарата
- 74 ОСНОВНЫЕ НЕПОЛАДКИ И СПОСОБЫ ИХ УСТРАНЕНИЯ; Неисправность
- 77 СХЕМА ПОДСОЕДИНЕНИЙ - ПИТАНИЕ И КАБЕЛИ УПРАВЛЕНИЯ
- 79 ТЕХНИЧЕСКИЕ ХАРАКТЕРИСТИКИ