Магнитолы Kenwood KRC-4904 - инструкция пользователя по применению, эксплуатации и установке на русском языке. Мы надеемся, она поможет вам решить возникшие у вас вопросы при эксплуатации техники.
Если остались вопросы, задайте их в комментариях после инструкции.
"Загружаем инструкцию", означает, что нужно подождать пока файл загрузится и можно будет его читать онлайн. Некоторые инструкции очень большие и время их появления зависит от вашей скорости интернета.

— 19 —
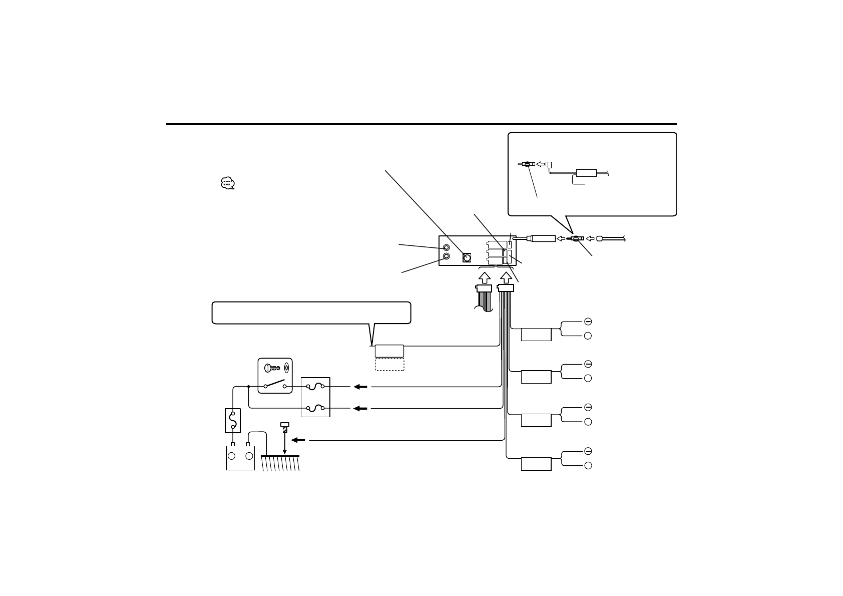
Подсоединение кабелей к гнездам для подключения
–
+
+
+
+
+
FRONT • L
FRONT • R
REAR • L
REAR • R
P.CONT
ANT.
CONT
Задний правый вывод
(Kрасный)
9
Задний левый вывод
(Белый)
8
Вход управления автоматическим проигрывателем
дисков KENWOOD
25
Вход антенны
FM/AM
10
Адаптер для кабелей
антенны (ISO-JASO)
(Принадлежность
3
)
12
Для подсоединения автоматического
проигрывателя дисков прочитайте
инструкцию по эксплуатации
автоматического проигрывателя
дисков.
26
Жгут проводов
(Принадлежность
1
)
13
Вывод контроля питания
28
Предохранитель
(10A)
23
Смотри правую
сторону (см. стр.20)
24
29
Белый/Черный
32
Cерый/Черный
35
Зеленый/Черный
38
Фиолетовый/Черный
Белый
31
Cерый
34
Зеленый
37
Фиолетовый
40
К переднему левому
усилителю
30
К переднему правому
усилителю
33
К заднему правому
усилителю
39
К заднему левому
усилителю
36
Провод зажигания (Kрасный)
17
Kабель батареи (Желтый)
18
Провод заземления (Чёрный)
-
(К шасси автомобиля)
19
Ключ
зажигания
5
Коробка
предохранителей
автомобиля
(главный
предохранитель)
6
ACC
15
Коробка предохранителей
автомобиля
16
Аккумулятор
7
Контакт регулятора
мощности
(см. стр.21)
22
Управление питанием/
управляющий кабель
двигателя антенны
(Cиний/Белый)
14
Присоедините или к выводу управления питанием,
пользуясь усилителем питания, который не входит
в комплект поставки, или к выводу управления
антенной в автомобиле.
4
Eсли вы не подключаете этот шнур, убедитесь в том,
что он находится внутри контактного столбика.
3
11
Шнур антенны (ISO)
Проводка
автомобиля
Адаптер для кабелей антенны
(ISO-JASO) (Принадлежность
3
)
2
Кнопка трансмиссии
4
Специальный провод антены
(можно купить в магазинах)
3
Для автомобиля Фольксваген
1
10