Магнитолы Kenwood KDC-W7027 - инструкция пользователя по применению, эксплуатации и установке на русском языке. Мы надеемся, она поможет вам решить возникшие у вас вопросы при эксплуатации техники.
Если остались вопросы, задайте их в комментариях после инструкции.
"Загружаем инструкцию", означает, что нужно подождать пока файл загрузится и можно будет его читать онлайн. Некоторые инструкции очень большие и время их появления зависит от вашей скорости интернета.

Pyccкий
|
7
повредить акустические системы.
• Не пытайтесь проигрывать средства, содержащие
файлы, отличные от MP3/WMA имеющие удлинение
MP3/WMA. Данное устройство принимает отличные
от MP3/WMA файлы за данные MP3/WMA, если они
имеют удлинение MP3/WMA.
• Не пытайтесь проигрывать средства, содержащие
файлы, отличные от MP3/WMA.
Порядок проигрывания MP3/WMAr
При выборе режима воспроизведения, поиска
папки, поиска файла или выбора папки, доступ к
файлам и папкам осуществляется в том порядке,
в каком они были записаны записывающим
устройством компакт-дисков. Поэтому, порядок,
в котором они должны проигрываться, может
не совпадать с порядком, в котором они
проигрываются в действительности. Вы можете
иметь возможность установить порядок
проигрывания MP3/WMA, записывая их на
средство, например, CD-R, начиная их названия
файлов с числа по порядку, например от "01" до
"99", в зависимости от Вашего записывающего
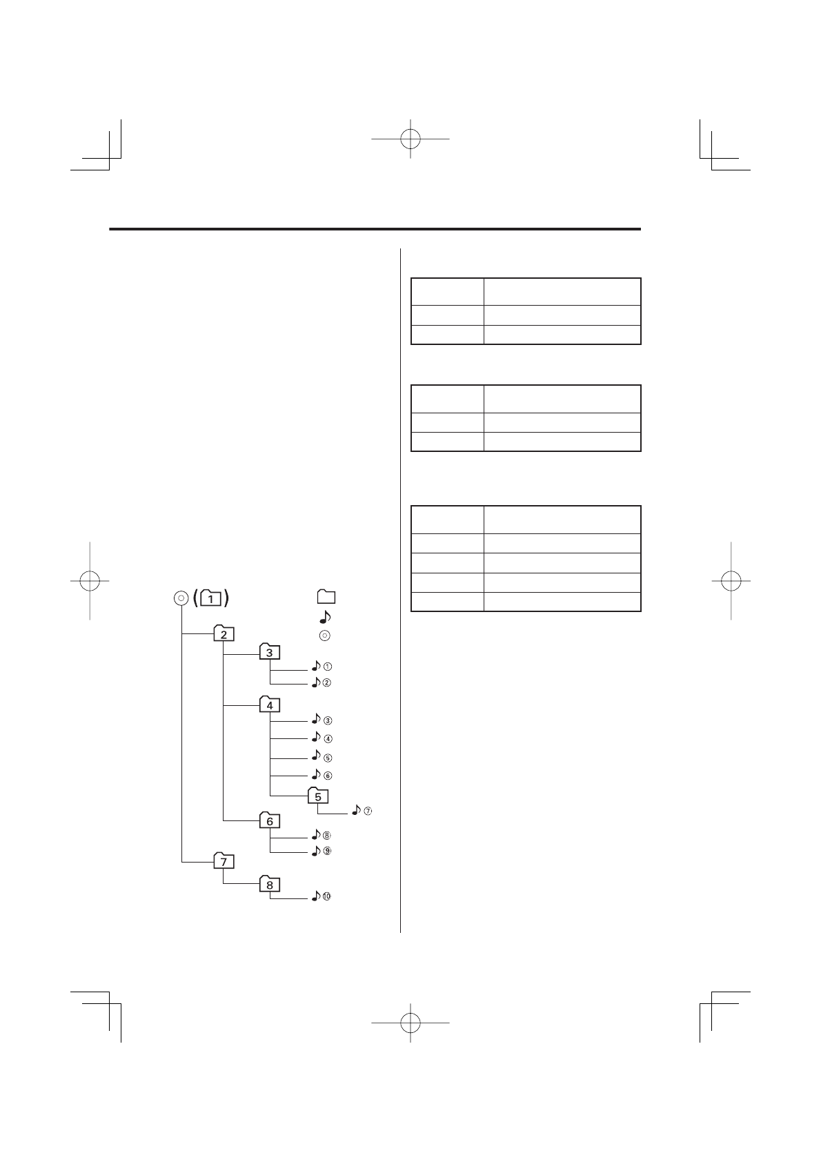
устройства CD. Например, носитель с иерархией
папок/файлов, показанной на приведенном ниже
рисунке, является объектом для поиска папки,
поиска файла или выбора папки.
Пример иерархии папки/файла средства
Folder
Level 2
Level 4
Level 1
Level 3
Level 5
File
Root
Уровнь 1
Уровнь 2
Уровнь 3
Уровнь 5
Уровнь 4
Папка
Файл
Корень
Если выполняется поиск файла
¡$
для
воспроизведения...
Операция
кнопки
(Текущий файл:
¡$
)
Кнопка
4
нayaлофaйлa
¡$
➜
¡#
Кнопка
¢
¡%
➜
¡&
Если выполняется поиск папки с файлом
¡$
для воспроизведения...
Операция
кнопки
(Текущая папка:
4
)
Кнопка AM
3
➜
2
➜
1
➜
8
...
Кнопка FM
5
➜
6
➜
7
➜
8
➜
1
...
Если выбирается папка с файлом
¡$
для
воспроизведения с целью перемещения из
одной папки в другую...
Операция
кнопки
(Текущая папка:
4
)
Кнопка
4
3
Кнопка
¢
6
Кнопка AM
2
Кнопка FM
5
B64-2754-00̲Russian̲r3.Indd 7
03.11.27, 4:08:33 PM
Содержание
- 3 Меры предосторожности; BHИMAHИE; Bо избежание повреждения аппарата; ПРEДУПРEЖДEHИE; Bо избежание травмы и/или пожара
- 4 ПРИМEЧАНИE; • При любых проблемах во время установки
- 5 Примечания; Очистка аппарата; Очистка выводов передней панели; CLASS 1
- 6 Примечания к проигрыванию MP3/WMA; • Romeo (128 символов Можно показать до 64
- 7 Порядок проигрывания MP3/WMAr
- 8 О CD
- 9 Примечания по системе многофункциональных клавиш; источника внешнего диска; Клавиша
- 10 Общие характеристики; Питание; Включение питания; Выключение питания; Закрытие панели управления; Индикатор ATT
- 11 Как выбрать источник; Громкость; Увеличение громкости; Аттенуатор; Быстрое уменьшение громкости.; System Q
- 12 Настройка звучания
- 14 Внешнего диска, дополнительного входа; Регулируемый параметр Кнопка Дисплей Значения; Система двойной зоны; Переключение режима дисплея; Переключение режима дисплея.; Дисплей; Дисплей обычного типа.
- 15 При источнике тюнер; Выход сабвуфера; Включение и выключение выхода сабвуфера.
- 16 Переключение внешнего дисплея; Регулируемый параметр; Панель наклоняется вперёд.
- 17 Панель предотвращающая кражу; Снятие задней панели; Выньте заднюю панель движением вперёд.; Установка задней панели
- 18 Функции тюнера; Настройка; Ввод станции в память.; Частотный дисплей
- 19 Автоматический ввод в память; минимум на 2 секунды.; Вызов станций из памяти.
- 20 Функции RDS; Дорожная информация; Прокрутка радио текста; Индикатор RDS
- 21 Войдите в режим PTY
- 22 Изменение языка для функции PTY; Выбор языка дисплея типа программы.; Язык; Английский
- 23 Проигрывание внешнего диска; Проигрыватель CD; Пауза и проигрывание; Номер диска
- 24 Выберите секцию функции клавиши; Поиск диска/Поиск папки; Поиск песни на диске или в папке MP3/WMA.; Нажмите и держите кнопку [; Проигрывание CD и MP3/WMA; Откройте панель и вставьте диск; Выброс диска
- 25 Проигрывание в случайном порядке; Сканирующее проигрывание; При источнике CD и внешний диск; Повтор дорожки; При источнике MP3/WMA; Повтор файла
- 26 Тип символов; Цифры и символы; Повторите шаги 3 — 5 и введите название.; Отмена режима выбора папки; Функция диска MP3/WMA; Выбор папки; Показ названия папки; Просмотр дисплея названий папок.
- 27 Прокрутка текста/названий; Выход из режима ввода названия
- 28 Функции управления устройством GSM громкой связи; Приём звонка; При входящем телефонном звонке
- 29 Поиск по телефонной книге; Выбор номера телефона из телефонной книги.; Функция режима телефонной книги Дисплей; Режим выбора инициалов; Прокрутка имён и номеров телефонов; Функция дистанционного пульта управления; Непосредственный набор номера; Отмена режима громкой связи
- 30 Функция режима SMS
- 31 Выход из режима меню; Войдите в режим меню; Система меню
- 32 Проделайте шаги 4 — 7 и введите код; Количество раз, когда был; минут; Код безопасности; минимум на 1 секунду.
- 33 Выбор цвета подсветки; Отрегулируйте часы; Регулировка часов в ручном режиме; Выберите режим регулировки часов; Дисплей часов мигает.; Звуковой сигнал при нажатии; Когда подсоединяется устройство громкой связи; Регулировка времени автоответчика
- 35 Местный поиск; Функция местного поиска выключена.; Уровень усиления НЧ плоский.; В режиме ожидания
- 36 Прокрутка текста; При приёме FM; Монофонический приём; В режиме тюнера; Режим настройки; Устанавливает режим настройки.
- 37 С подключением блока усилителя LX; Управление усилителем; Установка прочтения CD; Принудительное проигрывание CD.; Таймер отключения питания; Отключает питание через 20 минут.; При выборе источника нет дополнительного входа.
- 38 Принадлежности/ Процесс установки; Принадлежности; Во избежание короткого замыкания следует
- 39 Подсоединение кабелей к гнездам для подключения
- 40 Taблица функций разеъема
- 41 Смотрите функцию Снятие задней панели в; Прикрепите панель обратно.; Установка
- 42 Cнятие аппарата
- 43 Поиск и устранение неисправностей
- 44 Источник тюнера
- 45 Приведённые ниже сообщения
- 46 Технические характеристики












