Магнитолы Alpine IVA-D511R(RB) - инструкция пользователя по применению, эксплуатации и установке на русском языке. Мы надеемся, она поможет вам решить возникшие у вас вопросы при эксплуатации техники.
Если остались вопросы, задайте их в комментариях после инструкции.
"Загружаем инструкцию", означает, что нужно подождать пока файл загрузится и можно будет его читать онлайн. Некоторые инструкции очень большие и время их появления зависит от вашей скорости интернета.

87
-RU
Со
единения
•
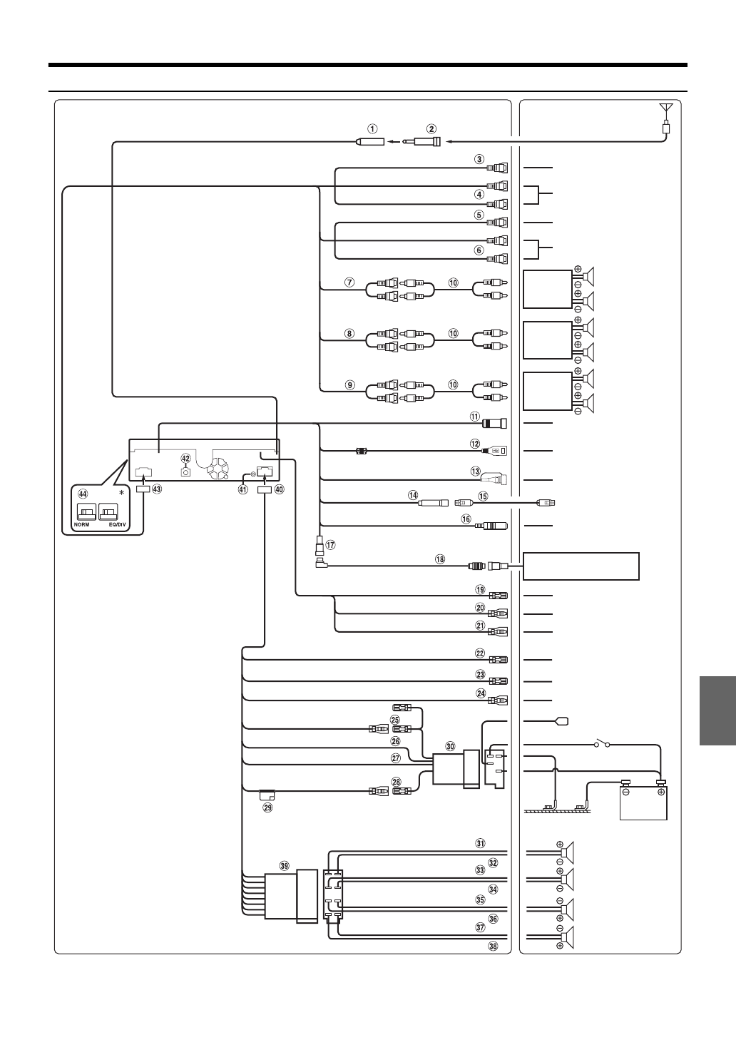
Переведите переключатель системы в положение “NORM” при подключении только чейнджера (если не используется совместимый с шиной Ai-NET эквалайзер).
Если подключен аудиопроцессор IMPRINT, выберите положение EQ/DIV.
* Переключатели системы находятся на правой стороне устройства (если смотреть на переднюю панель).
(Красный)
К выходному проводу ДУ
Чейнджер компакт-дисков
(приобретается дополнительно)
Сабвуфер
Сабвуфер
Сабвуфер
Тыловой левый
Тыловой правый
Фронт. левый
Фронт. правый
Усилитель
К разъемам выхода
аудиосигнала (П, Л)
К разъемам входа
аудиосигнала (П, Л)
К разъему
видеовыхода
К разъему
видеовхода
(Белый)
(Желтый)
(Красный)
(Белый)
(Желтый)
К плюсовой клемме
сигнального провода лампочки
заднего хода автомобиля
REMOTE IN (белый/коричневый)
REMOTE OUT (белый/коричневый)
К блоку интерфейсу
рулевого пульта ДУ
К интерфейсному блоку
BLUETOOTH INTERFACE (KCE-400BT)
(приобретается дополнительно)
К камере заднего вида,
например HCE-C107D и т.д.
К USB-накопителю/
переносному аудиоплееру
или iPod/iPhone
К системе навигации
Антенна
Антенный ISO-разъем
К телефону автомобиля
К питанию антенны
REVERSE (оранжевый/белый)
К усилителю или эквалайзеру
Батарея
Замок зажигания
Фронтальный левый
Тыловой левый
Тыловой правый
Фронтальный правый
Динамики
(синий/белый)
(Синий)
(розовый/черный)
(желтый/синий)
(Желтый)
(Черный)
(Красный)
(Зеленый)
(Зеленый/черный)
(Белый/черный)
(Серый)
(Фиолетовый/черный)
(Фиолетовый)
ВХОДНОЙ ПРЕРЫВАТЕЛЬ 
ЗВУКА
УДАЛЕННОЕ ВКЛЮЧЕНИЕ
СТОЯНОЧНЫЙ ТОРМОЗ
ACC
Заземление
ПИТАНИЕ АНТЕННЫ
БАТАРЕЯ
(Серый/черный)
(Белый)
К входному проводу ДУ
К сигнальному проводу 
стояночного тормоза
Характеристики
Остались вопросы?Не нашли свой ответ в руководстве или возникли другие проблемы? Задайте свой вопрос в форме ниже с подробным описанием вашей ситуации, чтобы другие люди и специалисты смогли дать на него ответ. Если вы знаете как решить проблему другого человека, пожалуйста, подскажите ему :)
 
  
  
  
  
  
  
  
  
  
  
  
  
  
  
  
  
  
  
  
  
  
  
  
  
  
  
  
  
  
  
  
  
  
  
  
  
  
  
  
  
  
  
  
  
  
  
  
  
  
  
  
  
  
  
  
  
  
  
  
  
  
  
  
  
  
  
  
  
  
  
  
  
  
  
  
  
  
  
  
  
  
  
  
  
  
  
  
  
  
  
  
  
  
  
 


