Магнитолы Alpine IVA-D105R - инструкция пользователя по применению, эксплуатации и установке на русском языке. Мы надеемся, она поможет вам решить возникшие у вас вопросы при эксплуатации техники.
Если остались вопросы, задайте их в комментариях после инструкции.
"Загружаем инструкцию", означает, что нужно подождать пока файл загрузится и можно будет его читать онлайн. Некоторые инструкции очень большие и время их появления зависит от вашей скорости интернета.

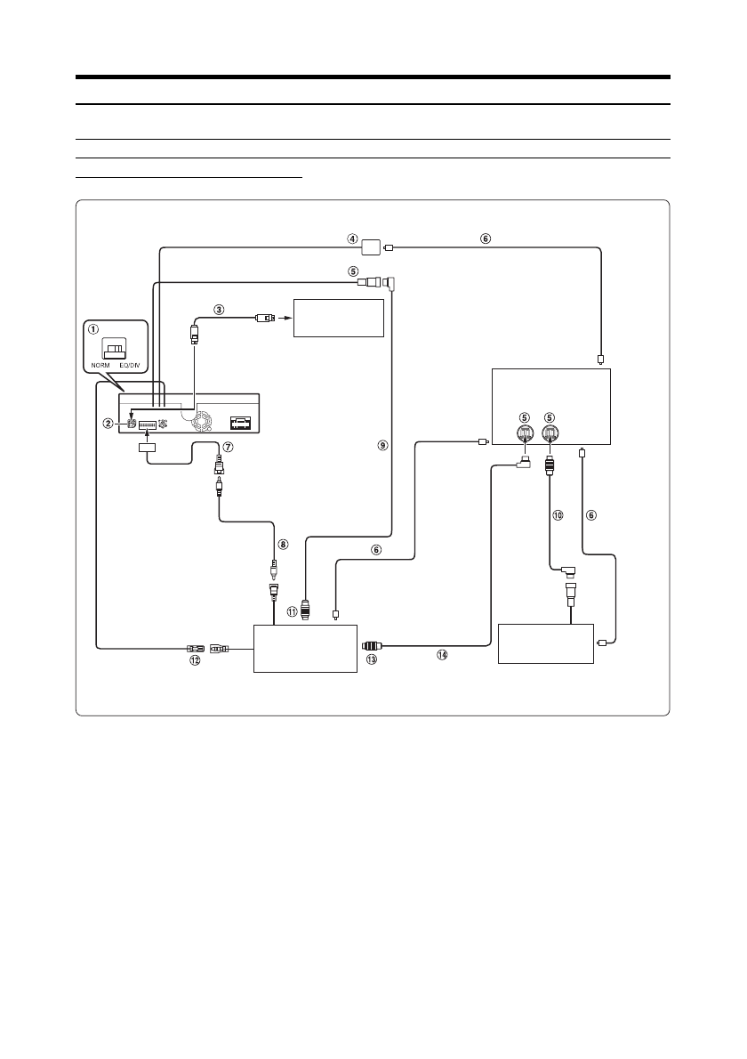
Ïîäñîåäèíåíèå îñíàùåííîãî øèíîé Ai-NET ïðîöåññîðà çâóêà (ñîâìåñòèìîãî
ñ îïòîâîëîêîííûì êàíàëîì ñâÿçè), íàâèãàöèîííîé ñèñòåìû, DVD-
ïðîèãðûâàòåëÿ è ÷åéíäæåðà
Ïðèìåð ñèñòåìíîãî ïîäñîåäèíåíèÿ
Íàâèãàöèîííàÿ
ñèñòåìà (ïðèîáð.
äîïîëíèòåëüíî)
(Áåëûé/
Êîðè÷íåâûé)
REMOTE OUT
REMOTE IN
(Áåëûé/
Êîðè÷í.)
(Æåëòûé)
DVD-ïðîèãðûâàòåëü
(Ai-NET) (DVA-
5210) (ïðèîáð.
äîïîëí.)
Îïòîâîëîêîííûé êàáåëü
Ïðîöåññîð çâóêà (Ai-
NET) (ñîâìåñòèìûé ñ
îïòî-âîëîê. êàíàëîì
ñâÿçè) (ïðèîáð. äîï.)
Âõîäíîé òåðìèíàë
îïòîâîëîê. êàíàëà
ñâÿçè (äëÿ
ïîäêë. DVD-
ïðîèãðûâàò.)
Âõîäíîé òåðìè-
íàë îïòîâîëîê.
êàíàëà ñâÿçè (äëÿ
ï î ä ê ë þ ÷ å í è ÿ
÷åéíäæåðà)
Ai-NET
êàáåëü
*Îïòîâîëîêîííûé
êàáåëü
CD-÷åéíäæåð
(Ai-NET) (ïðèîáð.
äîïîëí.)
Îïòîâîëîêîííûé êàáåëü
Âõîäíîé òåðìèíàë
îïòîâîëîêîííîãî êàíàëà
ñâÿçè (äëÿ ïîäêëþ÷åíèÿ
ãîëîâíîãî àïïàðàòà)
**Ïîäñîåäèíÿåòñÿ òîëüêî ñîâìåñòèìûé ñ îïòîâîëîêîííûì
êàíàëîì ñâÿçè CD-÷åéíäæåð
NVE-N077PS/NVE-N099P
Ai-NET êàáåëü
•
 ñëó÷àå ïîäñîåäèíåíèÿ ê óñòðîéñòâàì, îáîðóäîâàííûì îïòè÷åñêèì öèôðîâûì
ðàçúåìîì, íåîáõîäèìî ïðîèçâåñòè óñòàíîâêó ðåæèìà äàííîãî óñòðîéñòâà.
Îçíàêîìüòåñü ñ èíñòðóêöèÿìè ðàçäåëà «Óñòàíîâêà öèôðîâîãî âûõîäà» (ñòð. 70)
è âûïîëíèòå ñîîòâåòñòâóþùóþ óñòàíîâêó.
•
 òîì ñëó÷àå, åñëè â êà÷åñòâå íàâèãàöèîííîé ñèñòåìû ïîäñîåäèíÿåòñÿ NVE-
N 0 5 5 P S , è ñ ï î ë ü ç ó é ò å R G B ê à á å ë ü - ï å ð å õ î ä í è ê K C E - 0 3 0 N ( ï ð è î á ð å ò à å ò ñ ÿ
äîïîëíèòåëüíî).
Ïðè èñïîëüçîâàíèè âîëîêîííî-îïòè÷åñêîãî êàáåëÿ ïðèäåðæèâàéòåñü ñëåäóþùèõ
óêàçàíèé:
•
Íå ñêðó÷èâàéòå âîëîêîííî-îïòè÷åñêèé êàáåëü ñ ðàäèóñîì ìåíåå 30 ìì.
•
Íå óñòàíàâëèâàéòå íè÷åãî ïîâåðõ âîëîêîííî-îïòè÷åñêîãî êàáåëÿ.
•
Íå ïîâðåäèòå îïòîâîëîêîííûé êàáåëü îá îñòðûå êðîìêè ïðåäìåòîâ èíòåðüåðà.
Ai-NET
êàáåëü
<Ìîíèòîð>
122