Магнитолы Alpine IVA-D105R - инструкция пользователя по применению, эксплуатации и установке на русском языке. Мы надеемся, она поможет вам решить возникшие у вас вопросы при эксплуатации техники.
Если остались вопросы, задайте их в комментариях после инструкции.
"Загружаем инструкцию", означает, что нужно подождать пока файл загрузится и можно будет его читать онлайн. Некоторые инструкции очень большие и время их появления зависит от вашей скорости интернета.

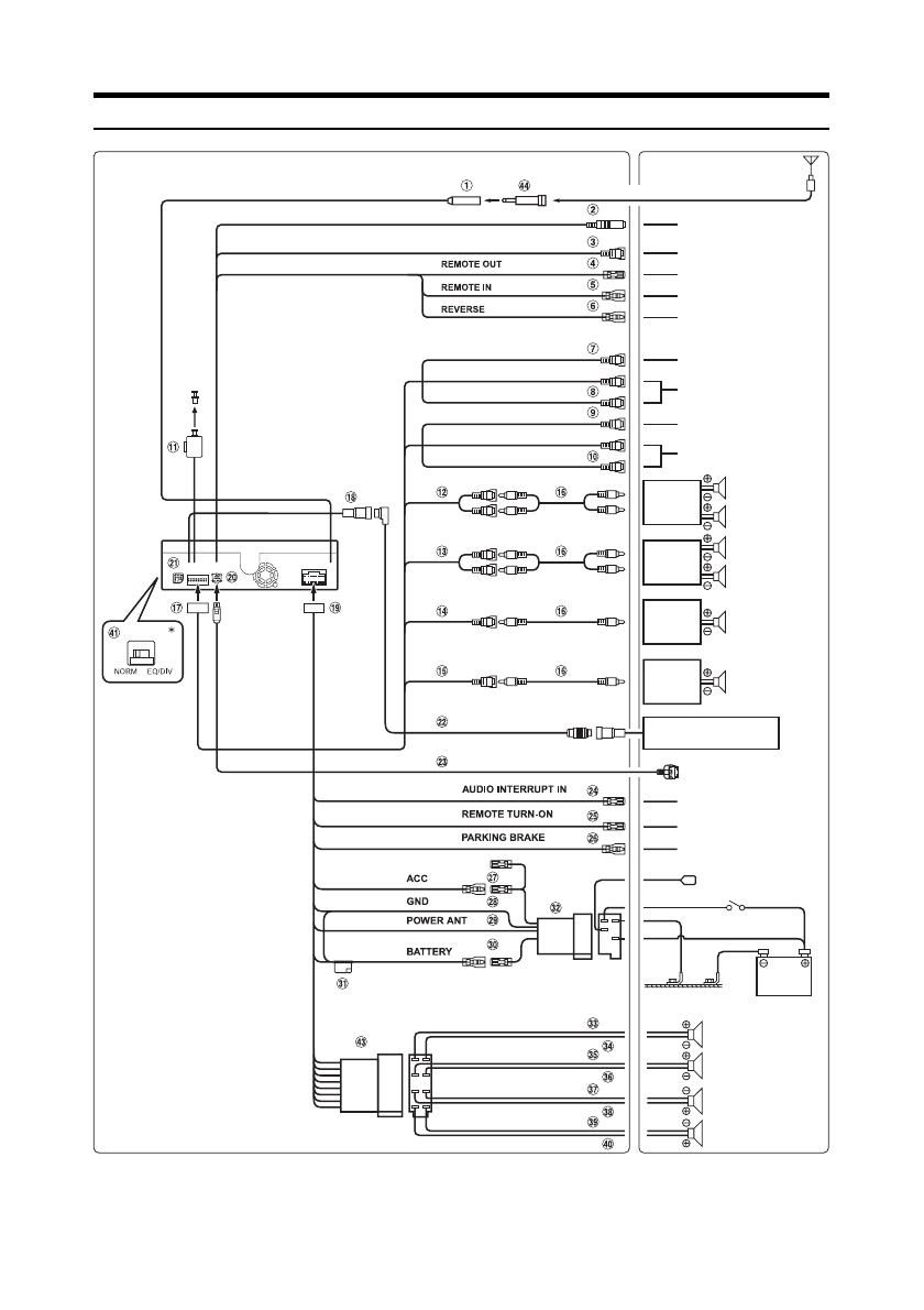
Ïîäñîåäèíåíèÿ
Àíòåííà
Àíòåííûé ISO øòåêåð
Ê âõîäíîìó ïðîâîäó ÄÓ
Ê âûõîäíîìó ïðîâîäó ÄÓ
Ê ïëþñîâîé êëåììå ñèãíàëü-
íîãî ïðîâîäà ëàìïî÷êè
çàäíåãî õîäà àâòîìîáèëÿ
Ê èíòåðôåéñó ðóëåâîãî
ïóëüòà ÄÓ
Ê êàìåðå çàäíåãî âèäà
Ê âõîäíîìó
âèäåîòåðìèíàëó
Ê âõîäíîìó
àóäèîòåðìèíàëó (Ï, Ë)
Ê âûõîäíîìó
âèäåîòåðìèíàëó
Ê âûõîäíîìó
àóäèîòåðìèíàëó (Ï, Ë)
Óñèëèòåëü
Òûëîâîé ëåâûé
Óñèëèòåëü
Óñèëèòåëü
Òûëîâîé ïðàâûé
Ôðîíò. ëåâûé
Ôðîíò. ïðàâûé
Ñàáâóôåð
Óñèëèòåëü
Öåíòðàëüíûé
×åéíäæåð êîìïàêò-
äèñêîâ (ïðèîáð. äîï.)
Ê iPod-ïëååðó
Ê ðàäèî òåëåôîíó
Ê óñèëèòåëþ èëè
ýêâàëàéçåðó
Ê ñèãíàëüíîìó ïðîâîäó
ñòîÿíî÷íîãî òîðìîçà
Ê àâòîìàòè÷åñêîé
àíòåííå
Çàìîê
çàæèãàíèÿ
Àêêóìóëÿò.
áàòàðåÿ
Äèíàìèêè
Òûëîâîé ëåâûé
Ôðîíòàëüíûé ëåâûé
Ôðîíòàëüíûé ïðàâûé
Òûëîâîé ïðàâûé
(Áåëûé/Êîðè÷íåâ.)
(Îðàíæåâûé/Áåëûé)
(Áåëûé/Êîðè÷íåâ.)
(Æåëòûé)
(Áåëûé)
(Êðàñíûé)
(Æåëòûé)
(Áåëûé)
(Êðàñíûé)
(Ðîçîâûé/×åðíûé)
(Ñèíèé/Áåëûé)
(Æåëòûé/Ñèíèé)
(Êðàñíûé)
(×åðíûé)
(Ñèíèé)
(Æåëòûé)
(Çåëåíûé)
(Çåëåíûé/×åðíûé)
(Áåëûé)
(Áåëûé/×åðíûé)
(Ñåðûé/×åðíûé)
(Ñåðûé)
(Ôèîëåòîâûé/×åðíûé)
(Ôèîëåòîâûé)
•
Óñòàíàâëèâàéòå ñèñòåìíûé ïåðåêëþ÷àòåëü â ïîëîæåíèå «NORM» â ñëó÷àå ïîäñîåäèíåíèÿ òîëüêî
÷åéíäæåðà (åñëè ïðè ýòîì íå èñïîëüçóåòñÿ ñîâìåñòèìûé ñ Ai-NET ýêâàëàéçåð).
*
Ýòà ýòèêåòêà ïðèêðåïëåíà ê îñíîâàíèþ àïïàðàòà.
119