Магнитолы Alpine IVA-D100R(RB) - инструкция пользователя по применению, эксплуатации и установке на русском языке. Мы надеемся, она поможет вам решить возникшие у вас вопросы при эксплуатации техники.
Если остались вопросы, задайте их в комментариях после инструкции.
"Загружаем инструкцию", означает, что нужно подождать пока файл загрузится и можно будет его читать онлайн. Некоторые инструкции очень большие и время их появления зависит от вашей скорости интернета.

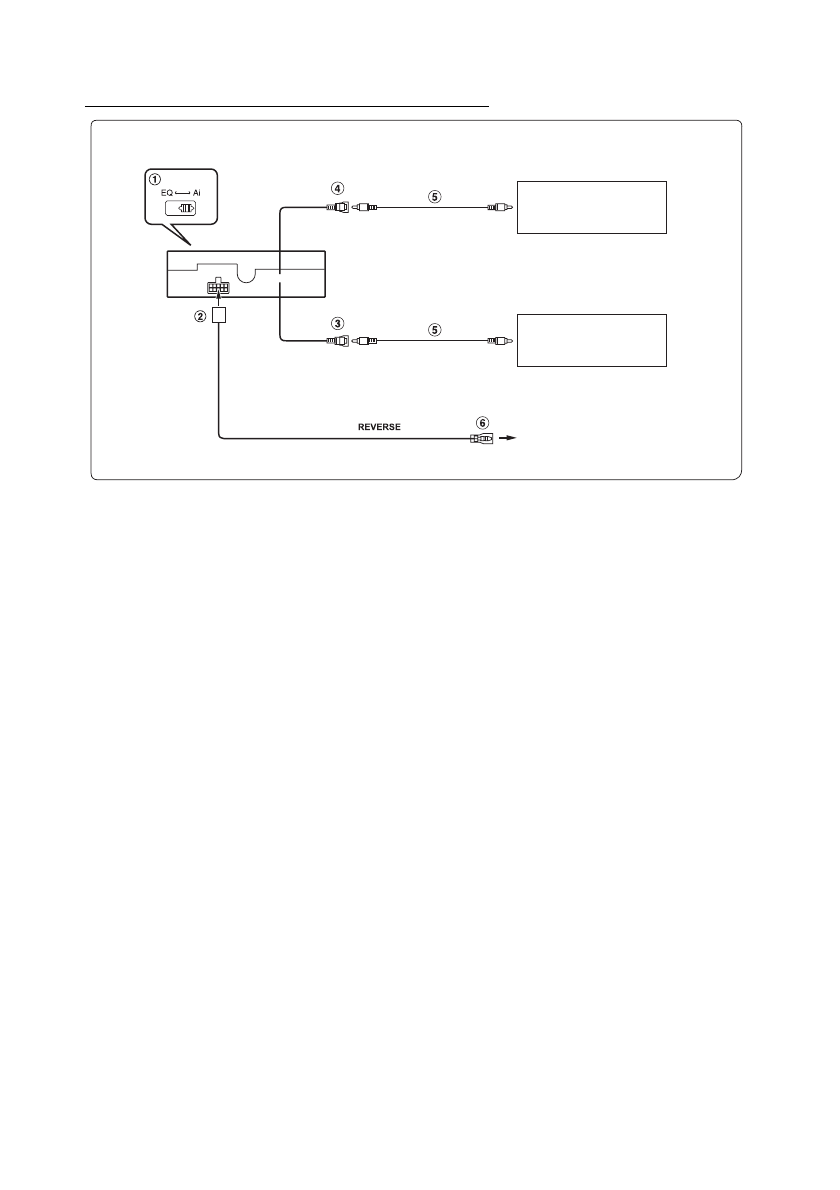
Ïðè ïîäñîåäèíåíèè âíåøíåãî îáîðóäîâàíèÿ
Çàäíèé ìîíèòîð
(ïðèîáð. äîïîëíèò.)
Ê âõîäíîìó âèäåî òåðìèíàëó
Ê âûõîäíîìó âèäåî òåðìèíàëó
Êàìåðà çàäíåãî âèäà
(ïðèîáð. äîïîëíèò.)
Èñïîëüçóåòñÿ òîëüêî â ñëó÷àå
ïîäêëþ÷åíèÿ êàìåðû çàäíåãî
âèäà
<Ìîíèòîð>
(Æåëòûé)
(Æåëòûé)
(Îðàíæåâûé/Áåëûé)
1
Ñèñòåìíûé ïåðåêëþ÷àòåëü
Ïðè ïîäñ îåäèíåíèè ýêâàëàéçåðà èëè äåëèòåëÿ, ñíàáæåííîãî øèíîé Ai-NET,
óñòàíîâèòå äàííûé ïåðåêëþ÷àòåëü â ïîëîæåíèå EQ/DIV. Åñëè íå ïîäñîåäèíåíî íè
îäíî èç óñòðîéñòâ, îñòàâüòå ïåðåêëþ÷àòåëü â ïîëîæåíèè NORM.
•
Ïåðåä òåì, êàê ïåðåâåñòè ïåðåêëþ÷àòåëü â äðóãîå ïîëîæåíèå, îòêëþ÷èòå
ïèòàíèå ñèñòåìû.
2
Ðàçúåì ïèòàíèÿ
3
Âõîäíîé âèäåîðàçúåì AUX (AUX INPUT)
Èñïîëüçóåòñÿ ïðè ïîäêëþ÷åíèè êàìåðû çàäíåãî âèäà.
4
Âûõîäíîé âèäåîðàçúåì AUX
Èñïîëüçóåòñÿ ïðè ïîäêëþ÷åíèè ïðèîáðåòàåìîãî äîïîëíèòåëüíî ìîíèòîðà è ò.ï.
5
RCA êàáåëü-óäëèíèòåëü (ïðèîáðåòàåòñÿ äîïîëíèòåëüíî)
6
Êàáåëü êàìåðû çàäíåãî âèäà
Ïîäñîåäèíÿéòå åãî ê ïëþñîâîé êëåììå ëàìïî÷êè çàäíåãî õîäà, êîòîðàÿ çàãîðàåòñÿ
ïðè ïåðåêëþ÷åíèè ðû÷àãà êîðîáêè ïåðåäà÷ â ïîëîæåíèå çàäíåãî õîäà (R).
Îáåñïå÷èâàåò ïåðåêëþ÷åíèå âèäåî èçîáðàæåíèÿ íà êàìåðå çàäíåãî âèäà ïðè
âêëþ÷åíèè çàäíåé ïåðåäà÷è (R).
125