Магнитолы Alpine IVA-D100R(RB) - инструкция пользователя по применению, эксплуатации и установке на русском языке. Мы надеемся, она поможет вам решить возникшие у вас вопросы при эксплуатации техники.
Если остались вопросы, задайте их в комментариях после инструкции.
"Загружаем инструкцию", означает, что нужно подождать пока файл загрузится и можно будет его читать онлайн. Некоторые инструкции очень большие и время их появления зависит от вашей скорости интернета.

119
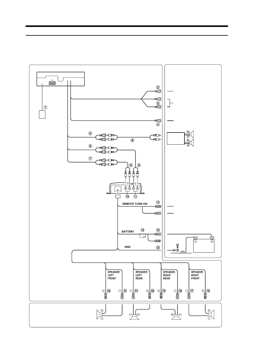
Ïîäñîåäèíåíèÿ
Ä è à ã ð à ì ì à ï î äñ î å ä è í å í è é ï ð è â å ä å í à í à ñ ò ð . 11 9 - 1 2 0 . Â ñ å ï î ÿ ñ í å í è ÿ ê
ñîåäèíèòåëüíûì ïðîâîäàì è ò.ï ïðèâåäåíû íà ñòð. 121-122. Ïðè âûïîëíåíèè
í å î áõî ä è ì û õ ï î äñ î å ä è í å í è é â í è ì à ò å ë ü í î îç í à ê î ì üòå ñ ü ñ ñ î ä å ðæ à í è å ì
ñîîòâåòñòâóþùèõ ðàçäåëîâ íà ñòð. 119-122.
<Ìîíèòîð>
<Óñèëèòåëü>
(Æåëòûé)
(Æåëòûé)
(Áåëûé)
(Êðàñíûé)
(Ñèíèé/Áåëûé)
(Æåëòûé)
(×åðíûé)
Ê âíåøíåìó óñèëèòåëþ
Ê ï ð î â î ä ó ä è ñ ò à í ö è î í í î ã î
âêëþ÷åíèÿ ìîíèòîðà*
(ïîäñîåäèíèòå ê ïðîâîäó
REMOTE TURN-ON
=
(ñòð. 120))
*
Íå ïîäñîåäèíÿéòå êàáåëü ïèòàíèÿ ïðè âêëþ÷åííîì çàæèãàíèè èëè â ðåæèìå ÀÑÑ.
Àêêóìóëÿò.
áàòàðåÿ
(Çåëåíûé/
×åðíûé)
(Áåëûé)
(Áåëûé/
×åðíûé)
(Ñåðûé)
(Ñåðûé/
×åðíûé)
(Ôèîëå-
òîâûé/
×åðíûé)
(Ôèîëå-
òîâûé)
(Çåëå-
íûé)
Äèíàìèêè
Òûëîâîé ëåâûé
Ôðîíòàëüíûé ëåâûé
Ôðîíòàëüíûé ïðàâûé
Òûëîâîé ïðàâûé
Óñèëèòåëü
Ñàáâóôåðû
Ê âûõîäíîìó
âèäåîòåðìèíàëó
Ê âûõîäíûì
àóäèîòåðìèíàëàì (Ï, Ë)
Ê âõîäíîìó âèäåîòåðìèíàëó