Магнитолы Alpine iLX-700 - инструкция пользователя по применению, эксплуатации и установке на русском языке. Мы надеемся, она поможет вам решить возникшие у вас вопросы при эксплуатации техники.
Если остались вопросы, задайте их в комментариях после инструкции.
"Загружаем инструкцию", означает, что нужно подождать пока файл загрузится и можно будет его читать онлайн. Некоторые инструкции очень большие и время их появления зависит от вашей скорости интернета.

34
-RU
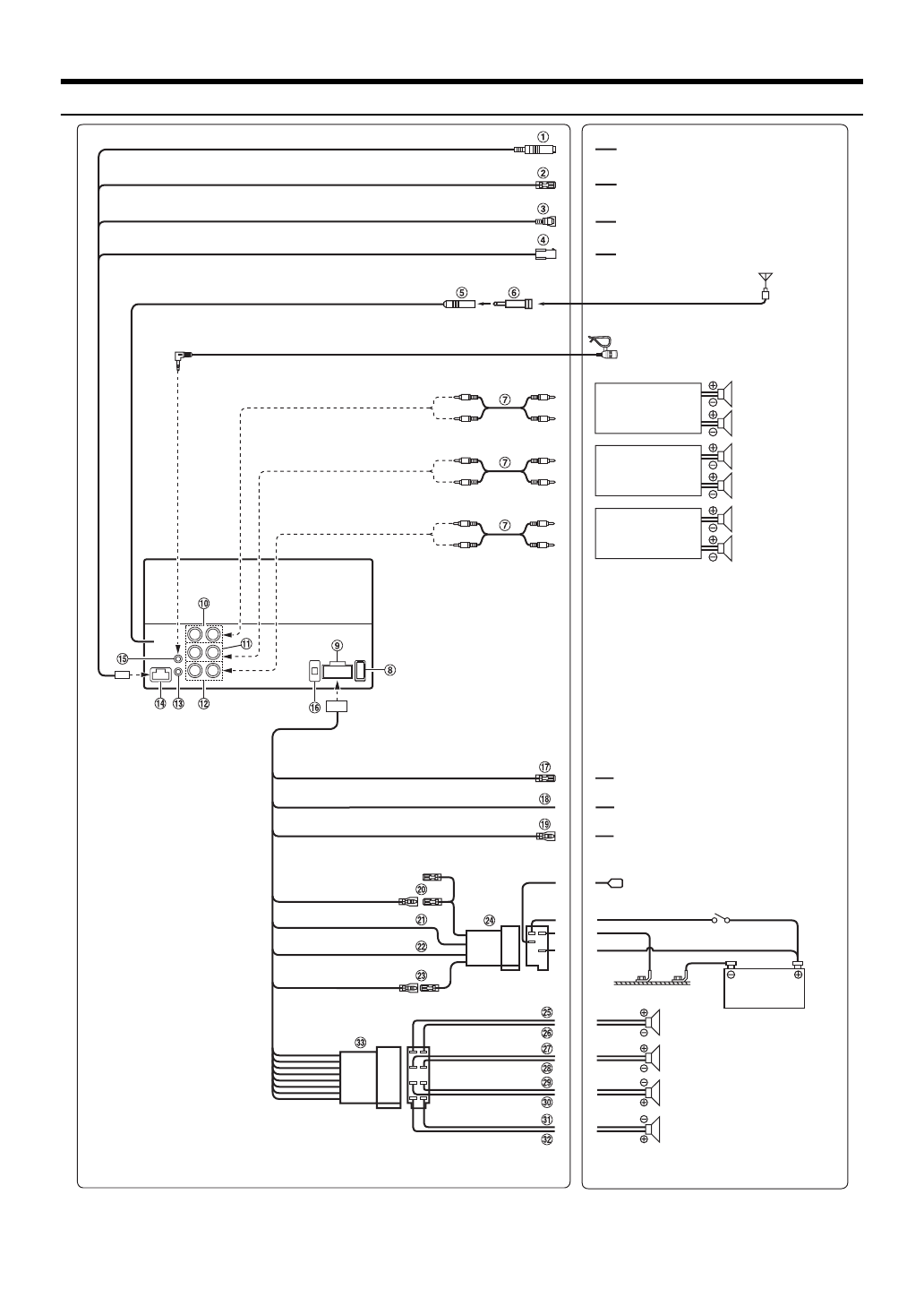
Соединения
(Синий/Белый)
(Синий)
(Желтый/Синий)
(Черный)
К усилителю или эквалайзеру
Тыловой левый
REMOTE TURN-ON
POWER ANT
PARKING BRAKE
GND
IGNITION
(Красный)
К питанию антенны
К сигнальному проводу
стояночного тормоза
Батарея
(Зеленый/Черный)
Замок зажигания
Усилитель
Усилитель
Усилитель
Тыловой
левый
Тыловой
правый
Фронт. левый
Фронт. правый
Сабвуфер
CAMERA IN
К камере
(Зеленый)
Фронтальный левый
Фронтальный правый
Тыловой правый
(Белый/Черный)
(Белый)
(Серый)
(Серый/Черный)
(Фиолетовый)
(Фиолетовый/Черный)
Динамики
К плюсовой клемме сигнального
провода лампочки заднего хода
автомобиля
(Оранжевый/Белый)
REVERSE
К выходному проводу ДУ
REMOTE OUT
(Коричневый)
К блоку интерфейса CAN
К разъему видео-/аудиовыхода
(R, L)
(Желтый)
BATTERY
AUX INPUT
Разъем CAN
Антенна
Микрофон (в комплекте)
Содержание
- 4 Информация; Установка и
- 5 Инструкция по эксплуатации; НЕ РАЗБИРАТЬ И НЕ ИЗМЕНЯТЬ.; ПРЕДУПРЕЖДЕНИЕ
- 6 ПРИМЕЧАНИЕ; Очистка продукта; ВНИМАНИЕ
- 7 Сведения об Apple CarPlay; Сведения о главном экране; Функции
- 8 Комплектация; Управление касанием
- 9 Включение системы; Настройка уровня громкости; Быстрое отключение звука; Выбор пункта в списке; Использование Siri
- 10 Настройка звука с помощью iPhone
- 11 Прослушивание радио; Радио
- 12 RDS
- 13 Доступ к Apple CarPlay
- 15 Работа камеры заднего вида
- 18 Работа камеры другого типа; Операции по настройке звука; Настройка
- 19 Настройка баса; Настройка сабвуфера; Настройка Bass Engine SQ; Включение/выключение сабвуфера
- 20 Предустановки эквалайзера; Настройка типа Bass Engine SQ; Настройка уровня Bass Engine SQ
- 21 Операции по настройке дисплея; Настройка дисплея; Выбор режима отображения картинки
- 22 Настройка качества изображения; Общие настройки
- 23 Настройка звука при нажатии; Настройка отображения времени
- 24 Настройка защитного кода; Настройка яркости подсветки кнопок; Настройка кода безопасности
- 25 Настройка типа автомобиля
- 26 Настройка камеры; Настройка приложений; Настройка входа камеры; Настройка входного сигнала камеры
- 27 Настройка Auxiliary
- 28 Настройка радио; Настройка Поиска PI
- 29 Возможные неполадки и
- 30 Технические характеристики
- 31 Установка и соединения; Предупреждение
- 32 Установка; Демонтаж штатной магнитолы; Установка устройства
- 34 Соединения
- 36 Пример системы