Магнитолы Alpine iDA-X305 - инструкция пользователя по применению, эксплуатации и установке на русском языке. Мы надеемся, она поможет вам решить возникшие у вас вопросы при эксплуатации техники.
Если остались вопросы, задайте их в комментариях после инструкции.
"Загружаем инструкцию", означает, что нужно подождать пока файл загрузится и можно будет его читать онлайн. Некоторые инструкции очень большие и время их появления зависит от вашей скорости интернета.

41
-RU
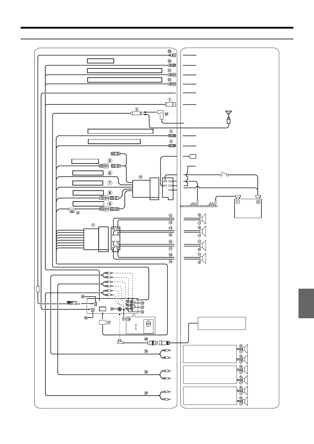
Соединения
NORM
EXT AP
*
(Черный)
SWRC G.OUT
(Розовый/черный)
ВХОДНОЙ ПРЕРЫВАТЕЛЬ ЗВУКА
(Зеленый)
(Зеленый/черный)
(Белый)
(Белый/черный)
К интерфейсному модулю Bluetooth
К интерфейсу штатного дисплея автомобиля
Антенный JASO-
разъем
К телефону автомобиля
Задний левый
Передний левый
CD-чейнджер
(продается отдельно)
Динамики
Усилитель
(продается отдельно)
Задний левый
Передний
левый
К адаптивному интерфейсному модулю
дистанционного рулевого управления
(Коричневый/желтый)
АДАПТИВНОЕ ДИСТ. РУЛЕВОЕ УПРАВЛЕНИЕ, ВХ.1
(Коричневый/оранжевый)
АДАПТИВНОЕ ДИСТ. РУЛЕВОЕ УПРАВЛЕНИЕ ВХ.2
К адаптивному интерфейсному модулю
дистанционного рулевого управления
К адаптивному интерфейсному модулю
дистанционного рулевого управления
Антенный ISO-
разъем
К усилителю или эквалайзеру
Передний правый
Задний правый
Задний правый
Передний
правый
Низкочастотные
динамики
(Синий/белый)
УДАЛЕННОЕ
ВКЛЮЧЕНИЕ
(Серый/черный)
(Серый)
(Фиолетовый/черный)
(Фиолетовый)
Антенна
Усилитель
(продается отдельно)
Усилитель
(продается отдельно)
К iPhone/ iPod или USB-накопителю/
переносному аудиоплееру
Динамики
Ключ замка зажигания
Батарея
К выводу подсветки приборной
панели
К питанию антенны
(Красный)
ЗАЖИГАНИЕ
(Черный)
Заземление
(Синий)
ПИТАНИЕ АНТЕННЫ
РЕГУЛЯТОР ЯРКОСТИ
(Оранжевый)
БАТАРЕЯ
(Желтый)
* Переключатель системы находится на днище устройства.
Содержание
- 3 РУССКИЙ; Содержание
- 4 Меню SETUP; Настройка Bluetooth; Работа с процессором IMPRINT; Установка и соединения
- 5 Руководство по использованию; МЕРЫ ПРЕДОСТОРОЖНОСТИ; ПРЕДУПРЕЖДЕНИЕ
- 8 Список компонентов; Настройка уровня громкости; Приступая к работе
- 9 Настройка времени и календаря
- 10 Радио
- 11 Режим PI SEEK; RDS
- 12 Прием информации о трафике
- 14 Просмотр дисплея; Воспроизведение
- 15 Поиск по памяти
- 16 Повторное воспроизведение; Изменение содержимого экрана
- 19 Многократное воспроизведение; Поиск номера композиции CD
- 20 Поиск по имени файла/папки
- 21 Терминология
- 22 микширования (между фронтом и; Настройка звука
- 26 FF
- 28 Настройка режима MultEQ
- 29 Настройка уровня MX; Настройка режима эквалайзера
- 30 Настройка кривой параметрического эквалайзера; Настройка кривой графического эквалайзера; Настройка типа фильтра
- 33 Временная коррекция; Пример 2. Точка прослушивания: все сидения
- 35 О технологии IMPRINT; ВИДЕНИЕ И РЕАЛЬНОСТЬ
- 36 При возникновении трудностей; Информация; Основные функции; Current Error
- 37 Индикатор USB-накопителя
- 38 Индикаторы CD-чейнджера
- 39 Спецификация
- 40 Предупреждение
- 41 Установка
- 43 Соединения