Магнитолы Alpine iDA-X100M - инструкция пользователя по применению, эксплуатации и установке на русском языке. Мы надеемся, она поможет вам решить возникшие у вас вопросы при эксплуатации техники.
Если остались вопросы, задайте их в комментариях после инструкции.
"Загружаем инструкцию", означает, что нужно подождать пока файл загрузится и можно будет его читать онлайн. Некоторые инструкции очень большие и время их появления зависит от вашей скорости интернета.

40
-RU
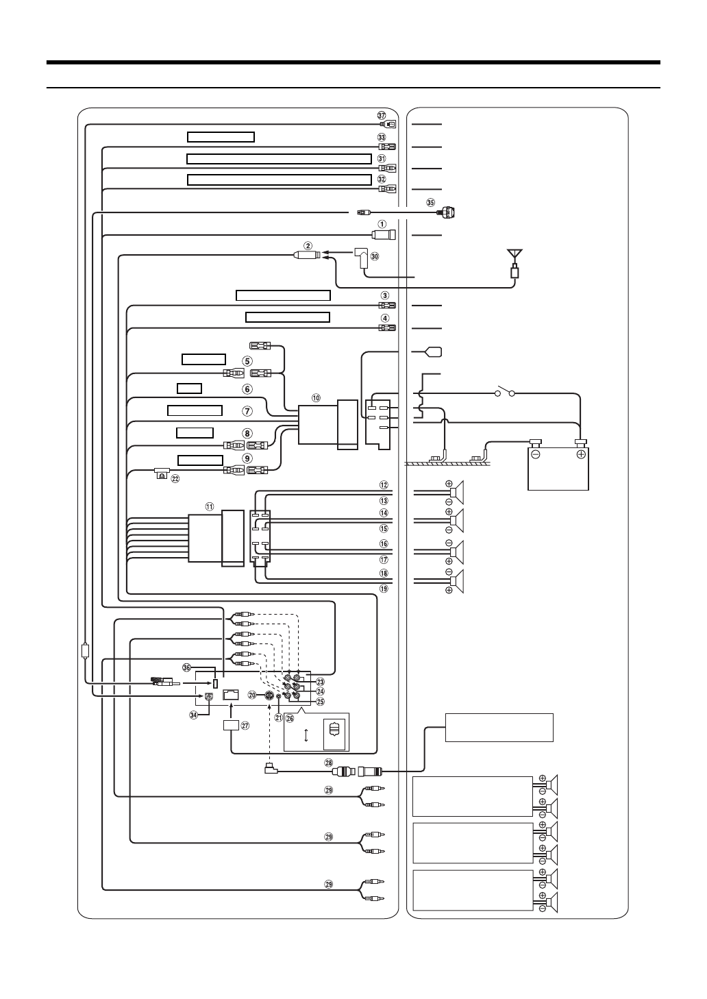
Соединения
NORM
EXT AP
*
(Черный)
SWRC G.OUT
(Розовый/черный) AUDIO INTERRUPT IN
(Зеленый)
(Зеленый/черный)
(Белый)
(Белый/черный)
К iPod
К пульту дистанционного
управления Marine
Антенный JASO-разъем
Не используется
Ключ замка зажигания
Динамики
Задний левый
Передний левый
CD-чейнджер
(продается отдельно)
Динамики
Усилитель
(продается отдельно)
Задний
левый
Передний
левый
К проводу со штатных кнопок
автомобиля (земля)
(Коричневый/желтый)
ADAPTIVE STEERING REMOTE CONTROL IN1
(Коричневый/оранжевый) ADAPTIVE STEERING REMOTE CONTROL IN2
К проводу со штатных кнопок
автомобиля (вход 1)
К проводу со штатных кнопок
автомобиля (вход 2)
Антенный ISO-разъем
К усилителю или эквалайзеру
К системе освещения судна
К питанию антенны
Батарея
Передний правый
Задний правый
Задний
правый
Передний
правый
Низкочас
тотные
динамики
(Синий/белый) REMOTE TURN-ON
(Красный) IGNITION
(Черный) GND
(Синий) POWER
ANT
BATTERY
(Желтый)
(Серый/черный)
(Серый)
(Фиолетовый/черный)
(Фиолетовый)
Антенна
Усилитель
(продается отдельно)
Усилитель
(продается отдельно)
К iPod или USB-накопителю/
портативному аудиоплееру
(Оранжевый) DIMMER
*
Переключатель системы находится на днище устройства.
Содержание
- 3 РУССКИЙ; Содержание
- 4 Включение/выключение режима Media; Справочная информация; Возможные неполадки и способы их; Установка и соединения
- 5 Руководство по использованию; МЕРЫ ПРЕДОСТОРОЖНОСТИ; ПРЕДУПРЕЖДЕНИЕ
- 8 Список компонентов; Включение и выключение питания; Снятие и установка передней панели; Приступая к работе
- 9 Настройка времени и календаря; Отображение календаря/времени
- 10 Радио
- 11 Режим PI SEEK; RDS
- 14 iPod
- 15 Поиск нужной композиции/названия; Функция пропуска по страницам/Функция; Память позиции поиска
- 17 Отображение на дисплее; портативный
- 18 Воспроизведение
- 19 Повторное воспроизведение
- 20 Поиск по именам файлов/папок
- 21 Терминология
- 22 Регулировка баса; Настройка звука
- 23 Настройка высоких частот; Настройка фильтра высоких частот
- 24 Меню SETUP; Настройка Bluetooth; Общие настройки
- 26 FF; Power; Настройка отображения
- 27 Настройка iPod
- 28 Выбор режима MultEQ; Работа с устройствами
- 29 Настройка уровня MX
- 30 Настройка кривой параметрического эквалайзера; Настройка кривой графического эквалайзера; Настройка типа фильтра
- 33 О временной коррекции; левое сидение
- 35 Основные функции; Current Error
- 36 Индикатор USB-накопителя
- 37 Индикаторы CD-чейнджера
- 38 Технические характеристики
- 39 Предупреждение
- 40 Установка
- 42 Соединения