Магнитолы Alpine ICS-X8 - инструкция пользователя по применению, эксплуатации и установке на русском языке. Мы надеемся, она поможет вам решить возникшие у вас вопросы при эксплуатации техники.
Если остались вопросы, задайте их в комментариях после инструкции.
"Загружаем инструкцию", означает, что нужно подождать пока файл загрузится и можно будет его читать онлайн. Некоторые инструкции очень большие и время их появления зависит от вашей скорости интернета.

87
-RU
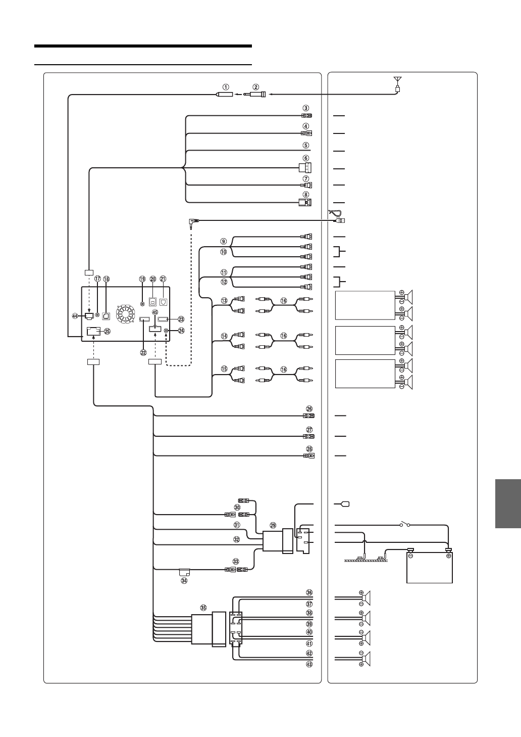
Соединения
К выходному проводу ДУ
К плюсовой клемме сигнального
провода лампочки заднего хода
автомобиля
(Коричневый)
(оранжевый/белый)
(синий/белый)
(Синий)
(розовый/черный)
(желтый/синий)
(Желтый)
(Черный)
К усилителю или эквалайзеру
Тыловой левый
REMOTE IN
REVERSE
CAMERA1
REMOTE TURN-ON
POWER ANT
AUDIO INTERRUPT IN
PARKING BRAKE
BATTERY
GND
Антенный ISO-разъем
IGNITION
(Красный)
К входному проводу ДУ
К питанию антенны
Не используется
К сигнальному проводу
стояночного тормоза
Аккумулятор
(Зеленый/черный)
Замок зажигания
(Желтый)
(Красный)
(Белый)
(Желтый)
(Красный)
(Белый)
Сабвуфер
Сабвуфер
Сабвуфер
Тыловой левый
Тыловой правый
Фронт. левый
Фронт. правый
Усилитель
К камере заднего вида
К разъемам аудиовхода
(R, L)
К разъемам аудиовыхода
(R, L)
К разъему видеовхода
К разъему видеовыхода
(Коричневый)
REMOTE OUT
CAMERA2
CAMERA SW
Не используется
Не используется
Микрофон (в комплекте)
(Зеленый)
Фронтальный левый
Фронтальный правый
Тыловой правый
(Белый/черный)
(Белый)
(Серый)
(Серый/черный)
(Фиолетовый)
(Фиолетовый/черный)
Динамики
Антенна
Содержание
- 3 РУССКИЙ; эксплуатации
- 4 Настройка; Настройка аудио
- 5 Работа с устройствами BLUETOOTH; Функция телефона Hands-Free; Навигационная система
- 6 Установка и
- 7 Инструкция по эксплуатации; НЕ РАЗБИРАТЬ И НЕ ИЗМЕНЯТЬ.; ПРЕДУПРЕЖДЕНИЕ
- 8 ПРИМЕЧАНИЕ
- 9 Принадлежности для дисков; воспроизводимые на; Воспроизводимые диски
- 10 ALL
- 11 Терминология дисков; Обращение с USB-накопителями; ВНИМАНИЕ
- 13 Свойства
- 15 Комплектация; Управление касанием; Приступая к работе
- 16 Включение системы; Загрузка/извлечение диска; Загрузка диска
- 17 Настройка уровня громкости; Использование экрана Home; Отображение экрана Home
- 18 Использование меню закладок; Отобразите меню закладок
- 20 Выбор пункта в списке; О дисплее индикатора
- 21 Прослушивание радио; Радио
- 23 RDS
- 25 Воспроизведение; Повторное воспроизведение
- 26 Поиск из текста CD; Режим поиска названия папки
- 28 DVD
- 29 Воспроизведение диска
- 30 В случае отображения экрана меню
- 31 Остановка воспроизведения; Перемотка вперед/назад; Замедленное воспроизведение
- 33 Поиск по программе; Переключение угла просмотра
- 35 Операция настройки аудио; Настройка баланса/фейдера
- 36 Загрузка настроек звука
- 37 Настройка Defeat
- 39 Информация о временной коррекции; Пример 2. Точка прослушивания: Все сидения
- 40 Настройка дисплея
- 42 Настройка Даты/Времени; Настройка языка; Общие настройки; Настройка отображения часов
- 43 Настройка BLUETOOTH; Настройка языка меню
- 44 Настройка Sound Feedback; Настройка GPS; Настройки экрана/подсветки
- 45 Настройка подсветки дисплея; Изменение подсветки кнопки Home
- 46 Настройка датчика ДУ; Настройка защитного кода; Настройка защитного кода; Настройки источников
- 47 Настройка камеры; Настройка входа режима камеры
- 48 Настройка навигации; Настройка AUX; Настройка режима навигации
- 49 Настройка RSE; Настройка AUX3; Выбор динамика для вывода сигнала
- 50 Настройка диска; Изменение настроек языка
- 51 Настройка радио; Изменение режима настроек экрана ТВ
- 53 Настройка перед использованием; О BLUETOOTH
- 54 Настройка громкости рингтона; Набор номера из телефонной книги
- 55 Функция телефонной книги; Дозвон с помощью быстрого вызова; Согласование телефонной книги
- 56 Удаление записей из телефонной книги
- 58 Аудио BLUETOOTH
- 59 Выбор группы
- 60 Работа с дополнительным устройством; Работа внешнего DVD-плеера; Дополнительное
- 61 Работа внешнего DVD-чейнджера
- 62 Работа ТВ приемника; Переключение в режим TV
- 63 Работа камеры заднего вида
- 68 Поиск нужной композиции; Поиск по тегу
- 71 Поиск аудиофайла; Поиск нужного видеофайла
- 72 Функция процентного поиска; Функция перехода по алфавиту; Метка поиска
- 74 ОТКАЗ ОТ ПРАВА; Отображение Nokia Drive
- 75 О дисках DVD; Информация
- 80 Если отображается данное сообщение
- 82 Технические характеристики; CLASS 1
- 83 Установка и соединения; Предупреждение
- 84 Установка
- 87 Соединения
- 89 Пример системы