Магнитолы Alpine ICS-X7 - инструкция пользователя по применению, эксплуатации и установке на русском языке. Мы надеемся, она поможет вам решить возникшие у вас вопросы при эксплуатации техники.
Если остались вопросы, задайте их в комментариях после инструкции.
"Загружаем инструкцию", означает, что нужно подождать пока файл загрузится и можно будет его читать онлайн. Некоторые инструкции очень большие и время их появления зависит от вашей скорости интернета.

79
-RU
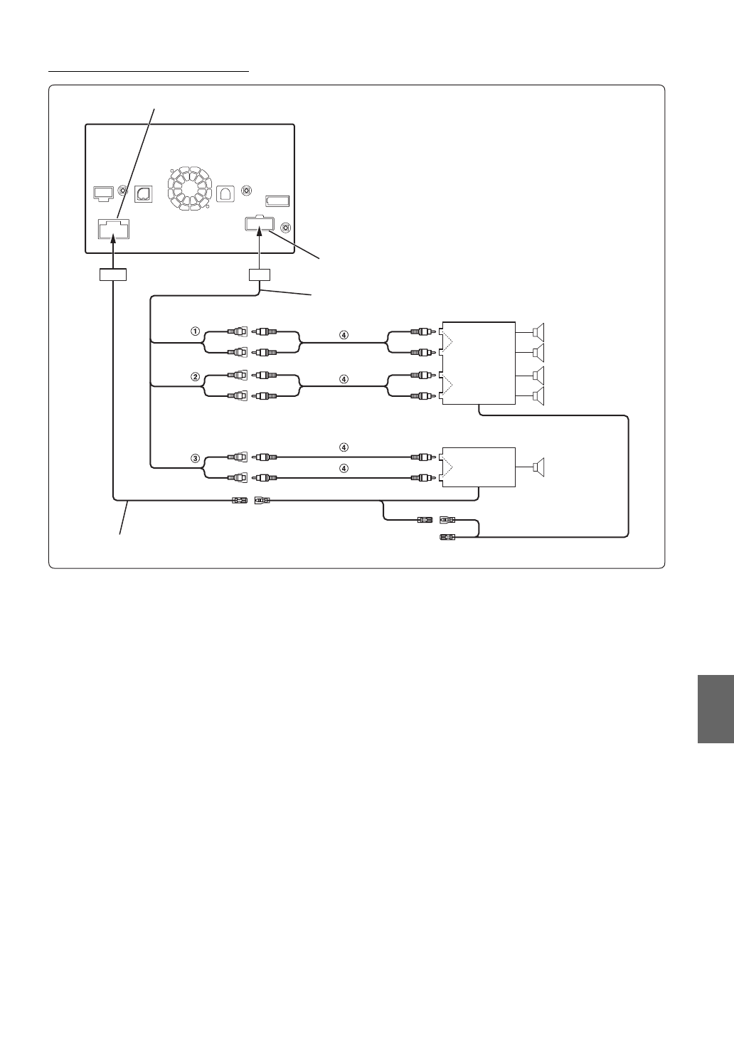
Подключение внешнего усилителя
a
Фронтальные выходные разъемы RCA
КРАСНЫЙ - дл
я правого, БЕЛЫЙ - для левого.
b
Тыловые выходные разъемы RCA
КРАСНЫЙ - для правого, БЕЛЫЙ - для левого.
c
Разъем RCA сабвуфера
d
Кабельный удлинитель RCA (приобретается
дополнительно)
Разъем AUX/PRE OUT
Разъем источника питания
Кабель AUX/PRE OUT
(Красный)
(Белый)
4-х канальный усилитель (приобретается дополнительно)
Вход
Вход
Фронтальный динамик
Тыловой динамик
REMO
(Синий/Белый)
Кабель питания
Усилитель для сабвуфера (приобретается дополнительно)
Вход
Сабвуфер
(Красный)
(Белый)
REMOTE ON
(Синий/Белый)
REMOTE ON
(Синий/Белый)
(Красный)
(Белый)
Содержание
- 4 Работа с устройствами BLUETOOTH
- 5 Дополнительное устройство
- 6 накопитель (приобретается; USB Audio; Использование MirrorLinkTM
- 7 Инструкция по эксплуатации; НЕ РАЗБИРАТЬ И НЕ ИЗМЕНЯТЬ.; ПРЕДУПРЕЖДЕНИЕ
- 8 ПРИМЕЧАНИЕ; Очистка продукта; ВНИМАНИЕ
- 10 Свойства
- 12 Комплектация; Управление касанием
- 13 Включение системы; Настройка уровня громкости
- 14 Использование экрана Home; Отображение экрана Home; Настройка экрана Home
- 15 Использование меню закладок; Отображение меню закладок
- 16 Выбор пункта в списке; О дисплее индикатора
- 17 Прослушивание радио; Радио
- 19 RDS
- 21 Операция настройки звука; Настройка; Настройка баланса/фейдера
- 22 Загрузка настроек звука
- 23 Настройка Defeat
- 25 Информация о временной коррекции; Пример 2. Точка прослушивания: все сидения
- 26 азделительный фильтр; Настройка дисплея
- 28 Настройка Даты/Времени; Настройка языка; Общие настройки; Настройка отображения часов
- 29 Настройка BLUETOOTH
- 30 Настройка Sound Feedback; Настройка автоподключения
- 31 Настройки экрана/подсветки; Настройка подсветки дисплея; Изменение подсветки кнопки Home
- 32 Настройка защитного кода; Защитный код настройки; Настройки источников
- 33 Настройка камеры; Настройка входа режима камеры
- 34 Настройка AUX; Настройка прерывания камеры
- 35 Настройка телефона; Настройка AUX3; Выбор динамика для вывода сигнала
- 36 Настройка Поиска PI
- 37 Настройка перед использованием; Работа с; О BLUETOOTH
- 38 Прием вызова; Завершение вызова; Функция телефона Hands-Free; Настройка громкости рингтона; Набор номера из телефонной книги
- 39 Функция телефонной книги; Дозвон с помощью быстрого вызова; Согласование телефонной книги
- 40 Удаление записей из телефонной книги
- 41 Функция ожидания вызова
- 42 Воспроизведение; Повторное воспроизведение; Аудио BLUETOOTH
- 43 случайной последовательности); Выбор группы
- 44 Работа внешнего DVD-плеера
- 47 Рабо; Переключение в режим телевизора
- 48 Работа камеры заднего вида
- 51 абота камеры другого типа
- 53 Поиск нужной композиции
- 54 Поиск по тегу
- 56 USB Video
- 57 Остановка воспроизведения; Перемотка вперед/назад; Поиск начала файлов; Выбор папок
- 58 Поиск нужного видеофайла; Выбор звуковой дорожки; Режим поиска папки
- 60 Поиск аудиофайла
- 61 Функция пропуска по алфавиту; Метка поиска
- 62 Воспроизведение в случайном порядке; Переход к App Direct
- 63 Управление Aha
- 66 Отображение режима зеркала
- 67 Информация
- 69 Технические характеристики
- 70 Установка и соединения; Предупреждение
- 71 Установка
- 74 Соединения
- 76 Пример системы



