Магнитолы Alpine CDE-9845RB (RR) - инструкция пользователя по применению, эксплуатации и установке на русском языке. Мы надеемся, она поможет вам решить возникшие у вас вопросы при эксплуатации техники.
Если остались вопросы, задайте их в комментариях после инструкции.
"Загружаем инструкцию", означает, что нужно подождать пока файл загрузится и можно будет его читать онлайн. Некоторые инструкции очень большие и время их появления зависит от вашей скорости интернета.

43
23
22
14
15
16
17
18
19
20
21
13
11
10
12
8
9
7
6
5
4
3
2
1
24
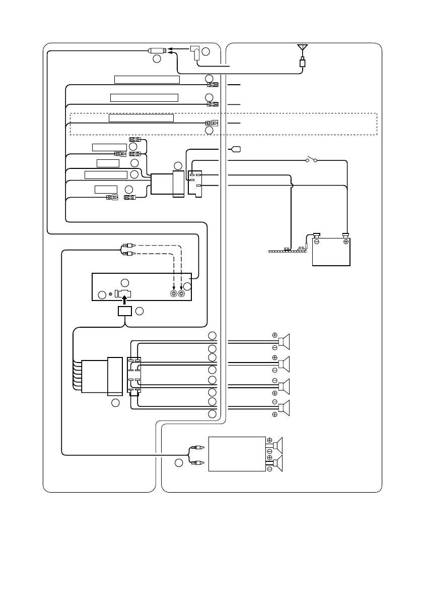
Àíòåííûé JASO øòåêåð
Àíòåííà
Àíòåííûé ISO
øòåêåð
Ê ðàäèî òåëåôîíó
Ê óñèëèòåëþ èëè ýêâàëàéçåðó
Ê ïðîâîäó ïîäñâåòêè ïðèáîðîâ
Ê àâòîìàòè÷åñêîé àíòåííå
Çàìîê
çàæèãàíèÿ
Àêêóìóëÿò.
áàòàðåÿ
Ðîçîâûé/×åðíûé
ÂÕÎÄ ÀÓÄÈÎ ÏÐÅÐÛÂ.
Ñèíèé/Áåëûé
Îðàíæåâûé
ÄÈÑÒÀÍÖÈÎÍÍÎÅ ÂÊË.
ÏÎÄÑÂÅÒÊÀ ÄÈÑÏËÅß
(òîëüêî äëÿ CDE-9845RX)
Êðàñíûé
×åðíûé
ÇÀÆÈÃÀÍÈÅ
ÌÀÑÑÀ
Ñèíèé À ÂÒ. À Í Ò Å Í Í À
Æåëòûé
ÀÊÊÓÌ.
Äèíàìèêè
Òûëîâîé ëåâûé
Ôðîíòàëüíûé ëåâûé
Ôðîíòàëüíûé ïðàâûé
Òûëîâîé ïðàâûé
Çåëåíûé
Çåëåíûé/×åðíûé
Áåëûé
Áåëûé/×åðíûé
Ñåðûé/×åðíûé
Ñåðûé
Ôèîëåò./×åðíûé
Ôèîëåòîâûé
Ôðîíòàëüíûå äèíàìèêè èëè
ñàáâóôåðû
Óñèëèòåëü
1
Ãíåçäî àíòåííû
2
Âõîäíîé ïðîâîä àóäèî ïðåðûâàòåëÿ (Ðîçîâûé / ×åðíûé)
Ïîäñîåäèíèòå ýòîò ïðîâîä ê âûõîäó àóäèî èíòåðôåéñà ðàäèîòåëåôîíà, ñ ïîìîùüþ
êîòîðîãî îáåñïå÷èâàåòñÿ çàêîðà÷èâàíèå íà ìàññó ïðè ïîëó÷åíèè òåëåôîííîãî âûçîâà.
3
Ïðîâîä äèñòàíöèîííîãî âêëþ÷åíèÿ (Ñèíèé/Áåëûé)
Ñîåäèíèòå ýòîò ïðîâîä ñ ïðîâîäîì äèñòàíöèîííîãî âêëþ÷åíèÿ âàøåãî óñèëèòåëÿ
ìîùíîñòè èëè ïðîöåññîðà ñèãíàëîâ.