Магнитолы Alpine CDE-135BT - инструкция пользователя по применению, эксплуатации и установке на русском языке. Мы надеемся, она поможет вам решить возникшие у вас вопросы при эксплуатации техники.
Если остались вопросы, задайте их в комментариях после инструкции.
"Загружаем инструкцию", означает, что нужно подождать пока файл загрузится и можно будет его читать онлайн. Некоторые инструкции очень большие и время их появления зависит от вашей скорости интернета.

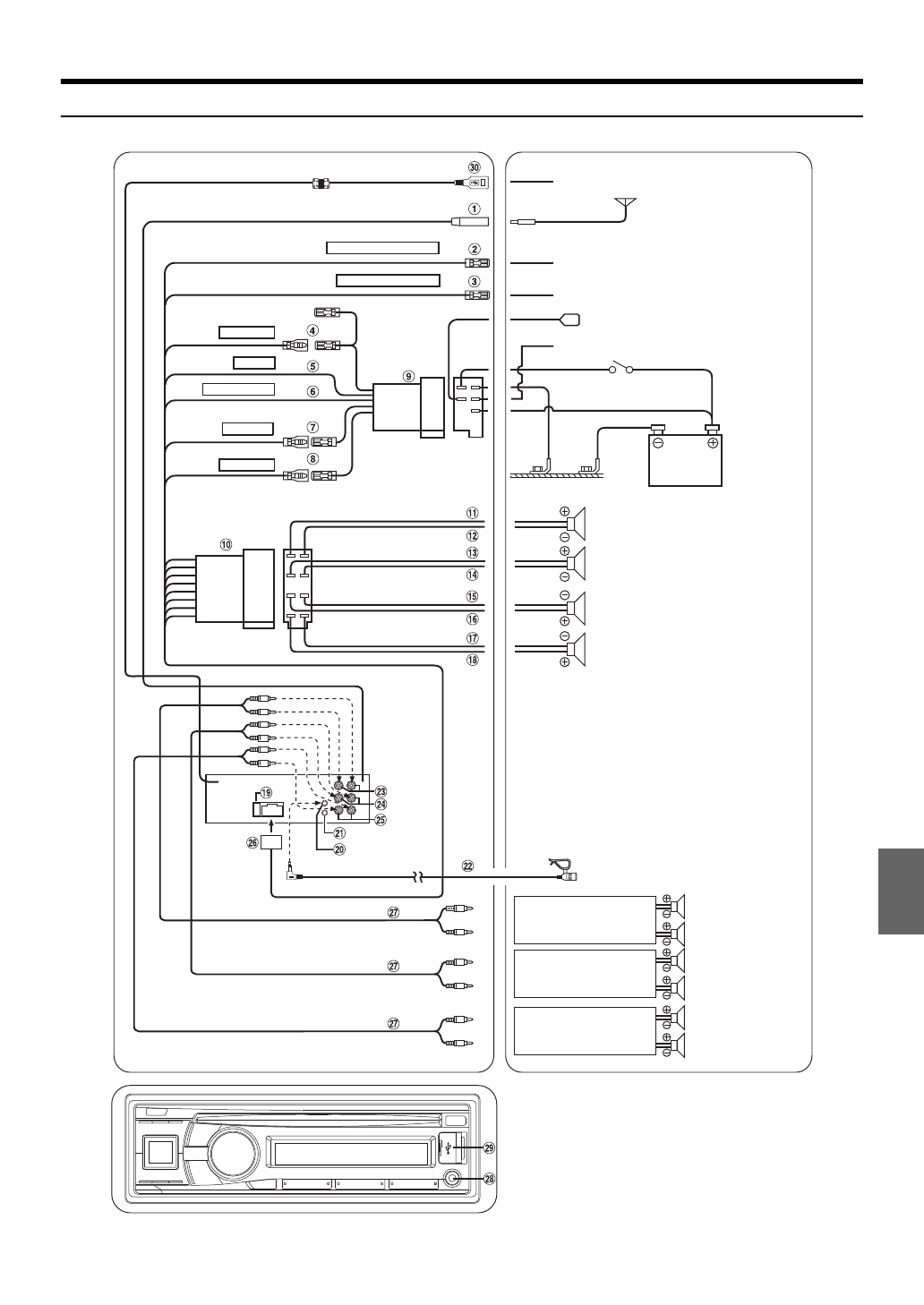
53
-RU
Соединения
AUDIO INTERRUPT IN
REMOTE TURN-ON
IGNITION
GND
POWER ANT
DIMMER
BATTERY
Антенна
К USB-накопител
ю
/iPod/iPhone
Микрофон
(розо
в
ый/черный)
Не исполь
з
уется
(синий/белый)
К усилител
ю
К выво
д
у по
д
светки приборной панели
(красный)
К питани
ю
антенны
(черный)
Кл
ю
ч
з
амка
з
ажигания
(синий)
(оранже
в
ый)
(желтый)
аккумулятор
Динамики
(зеленый)
За
д
ний левый
(зеленый/черный)
(белый)
Пере
д
ний левый
(белый/черный)
(серый/черный)
Пере
д
ний правый
(серый)
(фиолето
в
ый/черный)
За
д
ний правый
(фиолето
в
ый)
Динамики
За
д
ний левый
Усилитель
За
д
ний правый
Пере
д
ний левый
Усилитель
Пере
д
ний правый
Усилитель
Сабвуфер
Содержание
- 4 Меню SETUP
- 5 Информация; Установка и соединения
- 6 Руководство по использованию; ПРЕДУПРЕЖДЕНИЕ
- 7 RESET
- 8 О носителях, которые можно воспроизводить; ОСТОРОЖНО
- 10 SOURCE; Выбор источника; SOURCE; Снятие и установка передней панели; Примечания; Приступая к работе; Снятие
- 11 Первоначальный запуск системы; Настройка уровня громкости; Поворотным регулятором; Настройка регулировки подсветки; VIEW
- 12 Прослушивание радио; Радио
- 13 Функция поиска частоты; RDS
- 14 Режим PI SEEK; Прием информации о трафике
- 16 Воспроизведение
- 17 Многократное воспроизведение; Режим поиска имени папки
- 18 Быстрый поиск; Нажмите и удерживайте нажатой кнопку
- 19 Терминология; Настройка звука
- 20 Настройка регулировки нижних частот; Настройка средних частот
- 21 Настройка регулировки высоких частот; Настройка фильтра верхних частот
- 22 Отображение текста; Нажмите; Настройка сабвуфера; Другие функции
- 23 Использование входного разъема AUX; Нажмите кнопку; Об отображении индикаторов; О текстовом “режиме”
- 24 Настройка; Настройка режима AUX SETUP; Общие настройки
- 25 Настройка режима AUX MIX
- 26 Режим Демо; Изменение цвета подсветки; Настройка прокрутки текста; Настройка режима поиска USB; Настройка отображения
- 27 Настройка функции пропуска USB; Настройка источника vTuner; Настройка громкости vTuner; Настройка перед использованием; О технологии BLUETOOTH
- 28 НАСТРОЙКА BLUETOOTH
- 29 выберите нужное; выберите в списке “Device; Настройка устройства BLUETOOTH
- 30 Настройка языка меню BLUETOOTH
- 31 Функция телефона “Свободные руки”; Выбор динамика для вывода сигнала
- 32 Голосовой набор номера; Вызов
- 33 Набор номера из журнала входящих вызовов; Набор номера из телефонной книги; Функция ожидания вызова
- 34 кнопок предварительной; Использование BLUETOOTH Audio; Операция переключения вызовов
- 35 Откройте крышку разъема USB.; Пауза
- 37 Поиск нужной композиции; Поиск по имени исполнителя; Поиск по информации тегов
- 39 Поиск по памяти
- 40 Настройка управления iPod
- 41 Функция прямого поиска; Функция поиска по алфавиту
- 42 Нажмите 5
- 43 Прослушивание vTuner; Переход к избранной радиостанции; Поиск нужной радиостанции
- 44 Изменение экрана; При возникновении трудностей; Основные функции
- 45 Звук; UNSUPPORT
- 46 Индикатор USB-накопителя; Индикаторы в режиме iPod; UPDATING
- 47 Режим BLUETOOTH; SEE DEVICE
- 48 Технические характеристики; CLASS 1
- 49 ВЫПОЛНЯЙТЕ ПРАВИЛЬНЫЕ ПОДКЛЮЧЕНИЯ.
- 50 МЕРЫ ПРЕДОСТОРОЖНОСТИ; Установка
- 51 Удалите съемную переднюю панель.; Подключение к переднему разъему USB; Откройте крышку терминала USB.; Удаление
- 52 Подключение к заднему разъему USB; Подключите USB-накопитель; Установка микрофона
- 53 Соединения
- 54 Declaration of Conformity



