Магнитолы Alpine CDE-123R - инструкция пользователя по применению, эксплуатации и установке на русском языке. Мы надеемся, она поможет вам решить возникшие у вас вопросы при эксплуатации техники.
Если остались вопросы, задайте их в комментариях после инструкции.
"Загружаем инструкцию", означает, что нужно подождать пока файл загрузится и можно будет его читать онлайн. Некоторые инструкции очень большие и время их появления зависит от вашей скорости интернета.

43
-RU
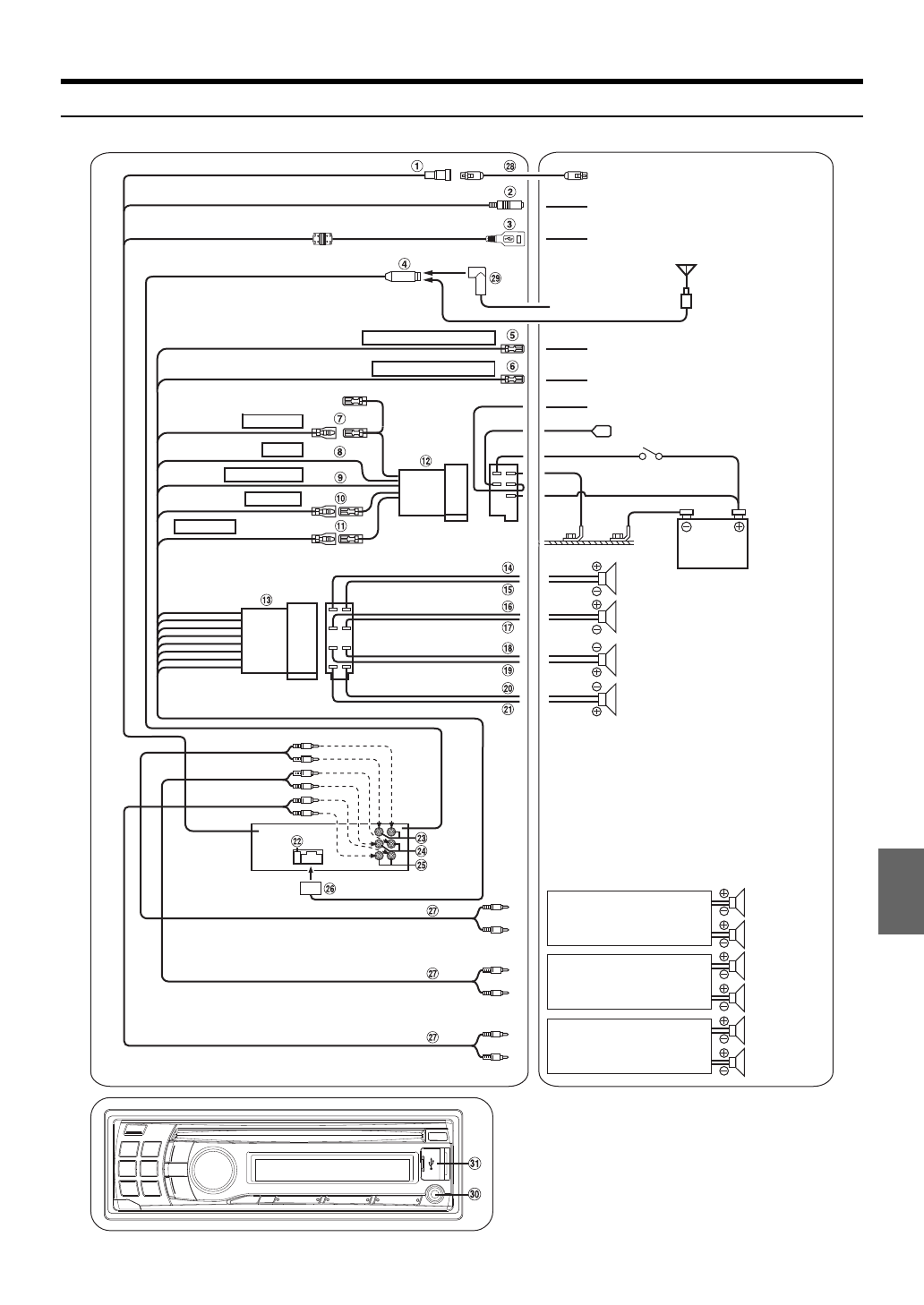
Соединения
AUDIO INTERRUPT IN
REMOTE TURN-ON
IGNITION
GND
POWER ANT
DIMMER
BATTERY
К интерфейсному мо
д
ул
ю
BLUETOOTH
INTERFACE (про
д
ается от
д
ельно)
К блоку интерфейсу
рулевого пульта ДУ
К USB-накопител
ю
/портативному
ау
д
иоплееру или устройству iPod/iPhone
Антенна
Антенный ISO-ра
з
ъем
Антенный JASO-ра
з
ъем
(розо
в
ый/черный)
К телефону автомобиля
(синий/белый)
К усилител
ю
К выво
д
у по
д
светки приборной панели
(красный)
К питани
ю
антенны
(черный)
Кл
ю
ч
з
амка
з
ажигания
(синий)
(оранже
в
ый)
(желтый)
Батарея
Динамики
(зеленый)
За
д
ний левый
(зеленый/черный)
(белый)
Пере
д
ний левый
(белый/черный)
(серый/черный)
Пере
д
ний правый
(серый)
(фиолето
в
ый/черный)
За
д
ний правый
(фиолето
в
ый)
Динамики
За
д
ний левый
Усилитель
За
д
ний правый
Пере
д
ний левый
Усилитель
Пере
д
ний правый
Усилитель
Сабвуфер
Содержание
- 3 Содержание; РУССКИЙ
- 4 Меню SETUP
- 5 Установка и соединения
- 6 Руководство по использованию; ПРЕДУПРЕЖДЕНИЕ
- 8 О носителях, которые можно воспроизводить; ОСТОРОЖНО; Использование портативного аудиоплеера
- 9 Выбор источника; Приступая к работе
- 10 Снятие и установка передней панели; Первоначальный запуск системы; Настройка уровня громкости; Настройка регулировки подсветки; Снятие
- 11 Прослушивание радио; Радио
- 12 Функция поиска частоты
- 13 Режим PI SEEK; RDS
- 14 Прием информации о трафике
- 16 Воспроизведение; Многократное воспроизведение
- 17 Быстрый поиск; Режим поиска имени папки
- 18 Терминология
- 19 Настройка звука
- 20 Настройка регулировки нижних частот; Настройка средних частот; Настройка регулировки высоких частот; Настройка фильтра верхних частот
- 21 Отображение текста; Настройка фильтра низких частот; Другие функции
- 22 Использование входного разъема AUX; Об отображении индикаторов; О текстовом “режиме”
- 23 Настройка; Настройка соединения BLUETOOTH; Настройка BLUETOOTH
- 24 Настройка языка меню BT; Общие настройки
- 25 Настройка режима AUX SETUP; Настройка режима AUX MIX
- 26 Режим Демо; Изменение цвета подсветки; Настройка прокрутки текста; Настройка отображения
- 27 Настройка режима поиска USB; Настройка функции пропуска USB; Настройка тюнера
- 29 Поиск нужной композиции; Поиск по имени исполнителя; Поиск по информации тегов
- 31 Поиск по памяти
- 32 Настройка управления iPod
- 33 Функция прямого поиска; Функция пропуска по алфавиту
- 35 При возникновении трудностей; Информация; Основные функции
- 36 iPod; или; NO SUPPORT
- 37 Индикаторы в режиме iPod
- 38 Технические характеристики; CLASS 1
- 39 ВЫПОЛНЯЙТЕ ПРАВИЛЬНЫЕ ПОДКЛЮЧЕНИЯ.
- 40 МЕРЫ ПРЕДОСТОРОЖНОСТИ; Установка
- 41 Подключение к переднему разъему USB; Подключение к заднему разъему USB; Удаление
- 42 Отключение устройства iPod/iPhone; Подключите USB-накопитель
- 43 Соединения