Магнитолы Alpine CDA-9886R - инструкция пользователя по применению, эксплуатации и установке на русском языке. Мы надеемся, она поможет вам решить возникшие у вас вопросы при эксплуатации техники.
Если остались вопросы, задайте их в комментариях после инструкции.
"Загружаем инструкцию", означает, что нужно подождать пока файл загрузится и можно будет его читать онлайн. Некоторые инструкции очень большие и время их появления зависит от вашей скорости интернета.

46
-RU
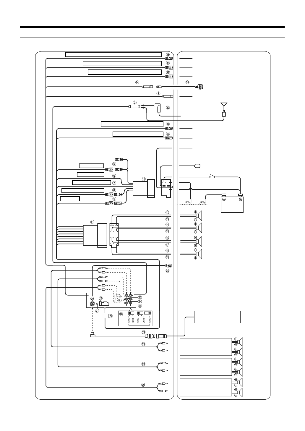
Соединения
*
(черный)
АДАПТИВНОЕ ДИСТ. РУЛЕВОЕ УПРАВЛЕНИЕ. Заземление
(Розовый/черный)
ВХОДНОЙ ПРЕРЫВАТЕЛЬ ЗВУКА
(Зеленый)
(Зеленый/черный)
(Белый)
(Белый/черный)
К iPod
К автомобильному экрану
Антенный
JASO-разъем
К телефону автомобиля
Ключ замка
зажигания
Динамики
Задний левый
Передний левый
CD-чейнджер
(продается отдельно)
Динамики
Усилитель
Усилитель
Задний
левый
Передний
левый
К адаптивному интерфейсному модулю
дистанционного рулевого управления
(Коричневый/желтый)
АДАПТИВНОЕ ДИСТ. РУЛЕВОЕ УПРАВЛЕНИЕ, ВХ.1
(Коричневый/оранжевый)
АДАПТИВНОЕ ДИСТ. РУЛЕВОЕ УПРАВЛЕНИЕ ВХ.2
К адаптивному интерфейсному модулю
дистанционного рулевого управления
К адаптивному интерфейсному модулю
дистанционного рулевого управления
Антенный
ISO-разъем
К усилителю или эквалайзеру
К контакту освещения
инструментальной панели
К питанию антенны
Батарея
Передний правый
Задний правый
Задний
правый
Передний
правый
Низкочастотные
динамики
(Синий/белый)
УДАЛЕННОЕ ВКЛЮЧЕНИЕ
(Красный)
ЗАЖИГАНИЕ
(Черный)
ЗАЗЕМЛЕНИЕ
(Синий)
ПИТАНИЕ АНТЕННЫ
БАТАРЕЯ
(Желтый)
(Серый/черный)
(Серый)
(Фиолетовый/черный)
(Фиолетовый)
Антенна
Усилитель
(Черный)
(Синий)
РЕГУЛЯТОР ЯРКОСТИ
(Оранжевый)
*
Этикетка закреплена на днище устройства.
Содержание
- 3 РУССКИЙ; Содержание; Настройка Bluetooth; Настройка напоминания даты дня
- 4 Настройка отображения; Работа с устройствами IMPRINT; Установка и соединения
- 5 Руководство по использованию; МЕРЫ ПРЕДОСТОРОЖНОСТИ; ПРЕДУПРЕЖДЕНИЕ
- 7 ОСТОРОЖНО
- 8 Первоначальный запуск системы; Приступая к работе
- 9 Настройка времени и календаря; Прослушивание радио; Радио
- 10 Функция поиска частоты; RDS
- 11 Режим PI SEEK
- 12 Автоматическая настройка времени; Прием информации о трафике
- 14 Воспроизведение
- 15 Многократное воспроизведение
- 16 Поиск по именам файлов/папок
- 17 Терминология
- 18 Настройка звука; Настройка центральной низкой частоты
- 19 Настройка фильтра верхних частот; Настройка уровня нижних частот
- 21 Отображение текста; Другие функции
- 22 Отображение времени; Меню SETUP
- 23 Общие настройки
- 25 FF SOURCE FF; DE SOURCE DE
- 27 Поиск нужной композиции; iPod
- 28 Быстрый поиск; Функция прямого поиска
- 30 Настройка режима MultEQ
- 32 Настройка типа фильтра
- 33 Настройка кривой графического эквалайзера
- 34 Запись настроек акустического поля в память
- 35 Временная поправка
- 37 О технологии IMPRINT; ВИДЕНИЕ И РЕАЛЬНОСТЬ
- 39 Использование аудиопроцессора; Дистанционное управление
- 40 Замена батарей
- 41 При возникновении трудностей; Информация; Основные функции
- 42 Индикаторы CD-чейнджера
- 43 Индикатор USB-накопителя; Error
- 44 Технические характеристики; CLASS 1
- 45 Предупреждение; ВЫПОЛНЯЙТЕ ПРАВИЛЬНЫЕ ПОДКЛЮЧЕНИЯ.; Осторожно
- 46 Установка
- 48 Соединения



