Магнитолы Alpine CDA-9851R - инструкция пользователя по применению, эксплуатации и установке на русском языке. Мы надеемся, она поможет вам решить возникшие у вас вопросы при эксплуатации техники.
Если остались вопросы, задайте их в комментариях после инструкции.
"Загружаем инструкцию", означает, что нужно подождать пока файл загрузится и можно будет его читать онлайн. Некоторые инструкции очень большие и время их появления зависит от вашей скорости интернета.

52
1
2
30
3
4
5
9
8
7
6
10
11
12
13
14
15
16
17
18
19
21
22
20
23
24
25
27
26
28
29
29
29
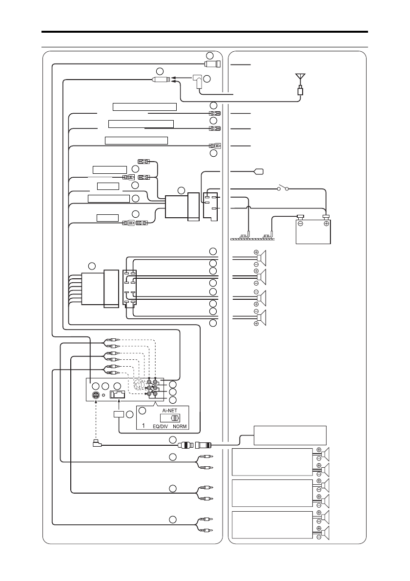
Ðîçîâûé/×åðíûé
ÂÕÎÄ ÀÓÄÈÎ ÏÐÅÐÛÂ.
Ñèíèé/Áåëûé
Îðàíæåâûé
ÄÈÑÒÀÍÖÈÎÍÍÎÅ ÂÊË.
ÏÎÄÑÂÅÒÊÀ ÄÈÑÏËÅß
Êðàñíûé
×åðíûé
Ñèíèé
Æåëòûé
ÇÀÆÈÃÀÍÈÅ
ÌÀÑÑÀ
ÀÊÊÓÌ.
ÀÂÒ.ÀÍÒÅÍÍÀ
Çåëåíûé
Çåëåíûé/×åðíûé
Áåëûé
Áåëûé/×åðíûé
Ñåðûé/×åðíûé
Ñåðûé
Ôèîëåòîâûé/×åðíûé
Ôèîëåòîâûé
Àíòåííûé JASO øòåêåð
Àíòåííà
Àíòåííûé ISO øòåêåð
Ê ðàäèî òåëåôîíó
Ê óñèëèòåëþ èëè ýêâàëàéçåðó
Ê ïðîâîäó ïîäñâåòêè ïðèáîðîâ
Ê àâòîìàòè÷åñêîé àíòåííå
Çàìîê çàæèãàíèÿ
Àêêóìóëÿò.
áàòàðåÿ
Äèíàìèêè
Òûëîâîé ëåâûé
Ôðîíòàëüíûé ëåâûé
Ôðîíòàëüíûé ïðàâûé
Òûëîâîé ïðàâûé
×åéíäæåð êîìïàêò-äèñêîâ
(ïðèîáðåòàåòñÿ îòäåëüíî)
Äèíàìèêè
Òûëîâîé
ëåâûé
Ôðîíòàëüíûé
ëåâûé
Ôðîíòàëüíûé
ïðàâûé
Òûëîâîé
ïðàâûé
Ñàáâóôåðû
Óñèëèòåëü
Óñèëèòåëü
Óñèëèòåëü
Ïîäñîåäèíåíèÿ
Ê èíòåðôåéñó øòàòíîãî äèñïëåÿ