Магнитолы Alpine CDA-117Ri - инструкция пользователя по применению, эксплуатации и установке на русском языке. Мы надеемся, она поможет вам решить возникшие у вас вопросы при эксплуатации техники.
Если остались вопросы, задайте их в комментариях после инструкции.
"Загружаем инструкцию", означает, что нужно подождать пока файл загрузится и можно будет его читать онлайн. Некоторые инструкции очень большие и время их появления зависит от вашей скорости интернета.

54
-RU
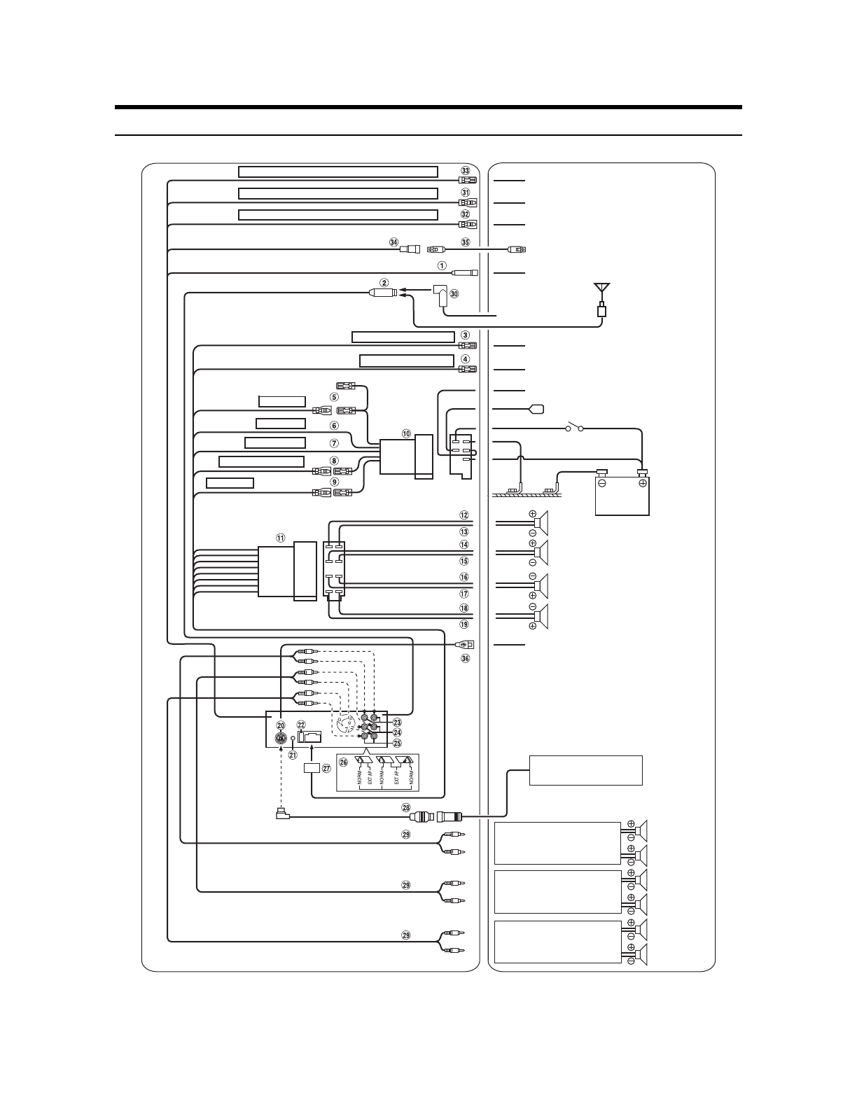
Соединения
*
Переключатель системы находится на нижней панели устройства.
*
К усилител
ю
или эквалай
з
еру
Усилитель
Усилитель
Усилитель
АДАПТИВНОЕ ДИСТ. РУЛЕВОЕ УПРАВЛЕНИЕ. За
з
емление
(черный)
К блоку интерфейса а
д
аптивного
д
истанционного рулевого управления
АДАПТИВНОЕ ДИСТ. РУЛЕВОЕ УПРАВЛЕНИЕ, ВХ.1
(Коричне
в
ый/желтый)
К блоку интерфейса а
д
аптивного
д
истанционного рулевого управления
(Коричне
в
ый/оранже
в
ый)
АДАПТИВНОЕ ДИСТ. РУЛЕВОЕ УПРАВЛЕНИЕ, ВХ.2
К блоку интерфейса а
д
аптивного
д
истанционного рулевого управления
(синий)
К интерфейсному мо
д
ул
ю
BLUETOOTH
INTERFACE (KCE-400BT) (про
д
ается от
д
ельно)
(черный)
К автомобильному экрану
Антенна
Антенный ISO-ра
з
ъем
Антенный JASO-ра
з
ъем
ВХОДНОЙ ПРЕРЫВАТЕЛЬ ЗВУКА
(розо
в
ый/черный)
К телефону автомобиля
УДАЛЕННОЕ ВКЛ
Ю
ЧЕНИЕ
(синий/белый)
К выво
д
у по
д
светки приборной панели
ЗАЖИГАНИЕ
К питани
ю
антенны
(красный)
За
з
емление
(черный)
Кл
ю
ч
з
амка
з
ажигания
ПИТАНИЕ АНТЕННЫ
(синий)
РЕГУЛЯТОР ПОДСВЕТКИ
(Оранже
в
ый)
БАТАРЕЯ
(желтый)
Батарея
Динамики
(зеленый)
Левый
з
а
д
ний
(зеленый/черный)
(белый)
Левый пере
д
ний
(белый/черный)
(серый/черный)
Правый пере
д
ний
(серый)
(фиолето
в
ый/черный)
Правый
з
а
д
ний
(фиолето
в
ый)
К USB-накопител
ю
/портативному
ау
д
иоплееру или устройству iPhone/iPod
CD-чейн
д
жер
(приобретается
д
ополнительно)
Динамики
Левый
з
а
д
ний
Правый
з
а
д
ний
Левый пере
д
ний
Правый пере
д
ний
Сабвуферы
Содержание
- 3 Содержание; РУССКИЙ; ПРЕДУПРЕЖДЕНИЕ
- 4 Другие функции
- 5 Пульт дистанционного управления; Установка и соединения
- 6 Руководство по использованию; НЕ РАЗБИРАТЬ И НЕ ИЗМЕНЯТЬ.; ОСТОРОЖНО; Очистка продукта
- 8 Использование портативного аудиоплеера
- 10 Выбор источника; Снятие и установка передней панели; Приступая к работе; Снятие
- 11 Первоначальный запуск системы; Настройка регулировки подсветки
- 12 Прослушивание радио; Функция поиска частоты; Радио
- 13 Настройка PI SEEK; RDS
- 14 Автоматическая настройка времени; Прием информации о трафике
- 15 Использование тегирования iTunes
- 16 Воспроизведение
- 17 Повторное воспроизведение; Режим поиска имени папки
- 18 Быстрый поиск; Поиск по памяти; Режим поиска имени файла
- 19 Терминология
- 20 Настройка звука
- 21 Настройка фильтра высоких частот
- 22 Настройка кривой графического эквалайзера; Настройка режима эквалайзера
- 23 Запись настроек акустического поля в память; Отображение текста
- 24 Отображение времени; Об отображении индикаторов; Об атрибуте “text”
- 25 Настройка соединения BLUETOOTH; Меню SETUP; Режим BLUETOOTH
- 26 Настройка режима AUX+ Setup
- 27 Подключение к внешнему усилителю; Настройка шрифтов; Демонстрация
- 28 Изменение цвета подсветки; Настройка отображения
- 29 Изменение шрифта символов; Настройка тюнера
- 31 Поиск нужной композиции; Поиск по имени исполнителя
- 32 Выбор режима Список воспроизведения; Функция пропуска по алфавиту
- 33 Подсоединение iPhone/iPod
- 34 Функция прямого поиска
- 36 Настройка режима MultEQ
- 38 Настройка типа фильтра
- 41 О временной коррекции; Пример 1: переднее левое сиденье
- 42 Пример 2: все сиденья
- 46 Использование аудиопроцессора
- 47 Замена батарей
- 48 При возникновении трудностей; Информация; Основные функции
- 49 Индикаторы CD-чейнджера
- 50 Индикаторы в режиме iPhone/iPod
- 51 Технические характеристики
- 52 Предупреждение; ВЫПОЛНЯЙТЕ ПРАВИЛЬНЫЕ ПОДКЛЮЧЕНИЯ.; Осторожно
- 53 Установка
- 54 Отключение устройства iPhone/iPod; Демонтаж
- 56 Соединения