Лодочные моторы Suzuki DF300APX - инструкция пользователя по применению, эксплуатации и установке на русском языке. Мы надеемся, она поможет вам решить возникшие у вас вопросы при эксплуатации техники.
Если остались вопросы, задайте их в комментариях после инструкции.
"Загружаем инструкцию", означает, что нужно подождать пока файл загрузится и можно будет его читать онлайн. Некоторые инструкции очень большие и время их появления зависит от вашей скорости интернета.

B
Bl
Br
G
Gr
Lb
l
Lg
O
P
R
V
W
Y
B/Br
B/G
B/O
B/R
B/W
B/Y
Bl/B
Bl/R
Bl/W
Bl/Y
Br/B
Br/R
Br/W
Br/Y
G/B
G/Bl
G/R
G/W
Gr/R
Gr/Y
Lb
l/W
: Blac
k
: Blue
: Br
o
w
n
: Green
: Gra
y
: Light b
lue
: Light green
: Orang
e
: Pink
: Red
: Violet
: White
: Y
ello
w
: Blac
k with Br
o
wn tracer
: Blac
k with Green tracer
: Blac
k with Orang
e tracer
: Blac
k with Red tracer
: Blac
k with
White tracer
: Blac
k with
Y
ello
w tracer
: Blue with Blac
k tracer
: Blue with Red tracer
: Blue with
White tracer
: Blue with
Y
ello
w tracer
: Br
o
wn with Blac
k tracer
: Br
o
wn with Red trancer
: Br
o
wn with
White tracer
: Br
o
wn with
Y
ello
w tracer
: Green with Blac
k tracer
: Green with Blue tracer
: Green with Red tracer
: Green with
White tracer
: Gra
y with Red tracer
: Gra
y with
Y
ello
w tracer
: Light b
lue with
White tracer
Lg/B
Lg/G
Lg/R
Lg/W
O/B
O/Bl
O/G
O/W
O/Y
P/B
P/Bl
P/W
R/B
R/Bl
R/W
R/Y
V/W
W/B
W/Bl
W/G
W/R
W/Y
Y/B
Y/Bl
Y/G
Y/R
: Light green with Blac
k tracer
: Light green with Green tracer
: Light green with Red tracer
: Light green with
White tracer
: Orang
e with Blac
k tracer
: Orang
e with Blue tracer
: Orang
e with Green tracer
: Orang
e with
White tracer
: Orang
e with
Y
ello
w tracer
: Pink with Blac
k tracer
: Pink with Blue tracer
: Pink with
White tracer
: Red with Blac
k tracer
: Red with Blue tracer
: Red with
White tracer
: Red with
Y
ello
w tracer
:
Violet with
White tracer
:
White with Blac
k tracer
:
White with Blue tracer
:
White with Green tracer
:
White with Red tracer
:
White with
Y
ello
w tracer
: Y
ello
w with Blac
k tracer
: Y
ello
w with Blue tracer
: Y
ello
w with Green tracer
: Y
ello
w with Red tracer
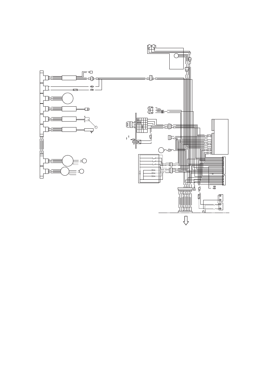
WIRE COLOR
B
A
TTER
Y
12V 130AH
P/B
Lb
l/W
Bl/B
W/B
P/W
W
R
B
W
G
P
B
W
B
Lb
l
G
P/B
Lb
l/W
Bl/B
W/B
P/W
W
R
B
W
G
P
B
W
B
Lb
l
G
FUSE
30A
R
W
B
W
B
R
B
B
W
B
Y/B
3.3k
Ω
WB
Y/B
G
W/B,
Gr
B
W
W/B
B
B
W
W
G
P
B
W
Lb
l
W
B
B
B/G
W/R
G/B
Y/G
G
B
Bl
R
Y/B
Bl/B
G/B
Y/G
Gr
G/W
Br/W
G/W
Gr
Br
P
ANEL SWITCH
PTT SWITCH COMMON
+Vb
GND
ST AR
T & STOP SWITCH
SELECT SWITCH
THRO
TTLE ONL Y
SWITCH
BCM DIAG
LED (RED)
SELECT LED (GREEN)
THRO
TTLE ONL Y
LED (GREEN)
W
ARNING
B
UZZER
BZ
Bl
Bl
Gr
Gr
SDS
CONNECT
OR
B
Y
O/Y
Gr
Gr
Gr
V
B
B
W
B
W
O
G
R/W
G
W/B
O
B
B
G
B
PUSH
IG
OFF
GND
ST
OP
BA
TT
IG
BZR
RESET
GW
R/W
BO
W
W
B
B
G
Y
Bl
B
Br
G
Y/B
B/G
R/W
W/B
G/W
Br/W
Bl/W
Lg/G
B/W
Y/G
O
G/B
MAIN
SWITCH
EMERGENCY
ST
OP SWITCH
Loc
k
plate IN R
UN
Loc
k
plate OFF ST
OP
O/Y
Gr
BO
A
T
CONTR
OL MODULE
R/W
W/B
Bl/W
B/W
R/W
W/R
W/B
Bl/W
B/W
P
Lb
l
W/R
P
Lb
l
LEVER
POSITION
SENSOR
LPS
PTT SWITCH
UP
DN
UP
DN
B
W
Gr
B
W
Gr
B
B
W
R
B
Bl
R
R
3A
W
Bl
Bl
Bl
Bl
Bl
Bl
Bl
Bl
Bl
B
R
/
B
R
W
B
R
/
W
B
R
/
W
B
R
/
W
B
R
/
W
B
R
/
W
Bl
Bl
B
R
/
W
B
R
/
W
B
R
/
W
B
Y
W
B
Y
TERMINA
T
O
R
TERMINA
T
O
R
4”
GA
UGE
2”
GA
UGE
BZ
BZ
WA
T
E
R
PRESSURE
SENSOR
FLUID LEVEL
SENSOR
INTERF
A
C
E
TEMP
SENSOR
GPS
ANNTENA
ENGINE
INTERF
A
C
E
G
to pre
vious page
B
B
W
Gr
TR
OLL MODE
SWITCH
Lg/B
Содержание
- 6 БЕНЗИН
- 8 Трансмиссионное
- 11 ВЫБОР
- 12 SAE
- 16 Установка
- 17 РЕГУЛИРОВКИ; Регулировка
- 19 дюймовый
- 20 ЭКРАН
- 22 СИСТЕМА
- 27 Система
- 32 Активация
- 34 УПРАВЛЕНИЕ; Гидравлический; PTT
- 35 ВНИМАНИЕ
- 38 MAX
- 39 Период; Процедура
- 40 ЭКСПЛУАТАЦИЯ; STOP
- 42 Перед
- 43 Запуск
- 44 Проверка
- 45 Переключение
- 46 Остановка
- 47 Швартовка
- 49 Отмена
- 50 Снятие; Вертикальная
- 53 График
- 57 Моторное; Замена
- 60 Топливный
- 61 Смазка
- 62 Аноды
- 63 Аккумулятор
- 64 ОМЫВКА
- 68 Консервация; Хранение
- 72 СПЕЦИФИКАЦИИ; Характеристика
