Лодочные моторы HONDA BF40D - инструкция пользователя по применению, эксплуатации и установке на русском языке. Мы надеемся, она поможет вам решить возникшие у вас вопросы при эксплуатации техники.
Если остались вопросы, задайте их в комментариях после инструкции.
"Загружаем инструкцию", означает, что нужно подождать пока файл загрузится и можно будет его читать онлайн. Некоторые инструкции очень большие и время их появления зависит от вашей скорости интернета.
Загружаем инструкцию

Содержание
- 5 ПРИМЕЧАНИЕ
- 7 СОДЕРЖАНИЕ
- 8 УСТРАНЕНИЯ
- 9 СВЕДЕНИЯ О МЕРАХ БЕЗОПАСНОСТИ
- 10 БЕЗОПАСНОСТЬ; Противопожарные меры
- 11 • Остерегайтесь прикосновений к; Опасность отравления оксидом углерода; • При работе двигателя в закрытом
- 12 РАСПОЛОЖЕНИЕ ПРЕДУПРЕЖДАЮЩИХ ТАБЛИЧЕК
- 14 СЕРТИФИКАЦИОННАЯ ТАБЛИЧКА
- 15 ОСНОВНЫЕ УЗЛЫ И ДЕТАЛИ ПОДВЕСНОГО МОТОРА
- 16 ОСНОВНЫЕ УЗЛЫ И ДЕТАЛИ ПОДВЕСНОГО МОТОРА; РУМПЕЛЬ
- 21 Положения ключа зажигания:; Замок зажигания
- 22 ОРГАНЫ УПРАВЛЕНИЯ И ПРИНЦИПЫ РАБОТЫ (модификация Н); Рукоятка акселератора; Регулятор силы трения на ручке газа
- 23 Аварийный выключатель двигателя
- 24 Фрикционный демпфер румпеля
- 25 ОРГАНЫ УПРАВЛЕНИЯ И ПРИНЦИПЫ РАБОТЫ (Модификация R)
- 26 ОРГАНЫ УПРАВЛЕНИЯ И ПРИНЦИПЫ РАБОТЫ (модификация R)
- 28 Аварийный линь / Скоба
- 30 ОРГАНЫ УПРАВЛЕНИЯ И ПРИНЦИПЫ РАБОТЫ (модификация Т); Система изменения угла наклона
- 31 Сервопривод подъема подвесного мотора
- 32 Клапан отключения сервопривода
- 33 ОРГАНЫ УПРАВЛЕНИЯ И ПРИНЦИПЫ РАБОТЫ (тип G)
- 34 ОРГАНЫ УПРАВЛЕНИЯ И ПРИНЦИПЫ РАБОТЫ (Общие положения)
- 35 Сигнализатор перегрева двигателя/Зуммер
- 37 Компенсатор реактивного момента
- 38 Входное отверстие системы охлаждения
- 40 Штуцер для присоединения топливопровода
- 42 УСТАНОВКА ПОДВЕСНОГО МОТОРА; Высота транца лодки и длина дейдвуда
- 43 Расположение; УСТАНОВКА ПОДВЕСНОГО МОТОРА; Расположение подвесного мотора по высоте
- 44 ВНИМАНИЕ; Установка подвесного мотора
- 45 УСТАНОВКА ПОДВЕСНОГО МОТОРА ПОДВЕСНОГО МОТОРА
- 47 Подключение аккумуляторной батареи; • Установлена в аккумуляторный
- 50 Выбор гребного винта
- 51 КОНТРОЛЬНЫЙ ОСМОТР ПЕРЕД ПУСКОМ ДВИГАТЕЛЯ; • Для того чтобы снять кожух двигателя,; Снятие и установка капота двигателя
- 52 КОНТРОЛЬНЫЙ ОСМОТР ПЕРЕД ПУСКОМ ДВИГАТЕЛЯ; Моторное масло; Установите подвесной мотор в
- 53 Установите на место и надежно закрепите
- 54 ТОПЛИВО, СОДЕРЖАЩЕЕ СПИРТ; • На повреждения деталей системы
- 55 Проверка гребного винта и шплинта; Замените неисправный гребной винт.
- 56 Поднимите румпель и выньте крепежный
- 57 Топливный фильтр
- 58 Аккумуляторная батарея; Проверка аккумуляторной батареи
- 59 запасных частей и принадлежностей.; (4) Запасная скоба аварийного выключателя; Прочие контрольные проверки
- 60 Штуцерные соединения топливопровода; • Установите топливный бак, так чтобы
- 61 Присоедините топливопровод к; Поверните вентиляционный клапан; ПУСК ДВИГАТЕЛЯ; Подача топлива
- 62 Вставьте скобу, расположенную на конце
- 63 Переведите рычаг переключения муфты
- 64 Поверните ключ в положение START; После пуска двигателя проверьте
- 65 Проверьте состояние индикатора
- 67 Установите рычаг дистанционного
- 68 Цифровой тахометр
- 69 Аварийный пуск
- 70 Выньте фиксирующие болты 6 х 25 мм
- 71 Поворачивая рукоятку акселератора,
- 72 Вставьте скобу, расположенную на конце
- 73 Поверните ключ зажигания в положение; Слегка потяните ручку пускового шнура
- 74 Установите крышку генератора
- 75 Обкатка; Период обкатки: 10 часов
- 76 ЭКСПЛУАТАЦИЯ; Для уменьшения частоты вращения вала; Переместите рычаг реверса в положение; Переключение муфты реверса
- 77 Управление лодкой по курсу
- 78 Движение с постоянной скоростью
- 80 • Во время движения при полностью; Регулировка наклона подвесного мотора
- 81 • Уменьшение угла наклона подвесного
- 83 Переместите рычаг дистанционного
- 84 При движении с установившейся скоростью:; приведет к подъему носа лодки и улучшит остойчивость лодки.
- 86 Переведите рычаг переключения муфты
- 88 Стоянка
- 90 Регулировка компенсатора реактивного момента
- 91 Система защиты двигателя
- 92 ВИЗУАЛЬНЫЕ ИНДИКАТОРЫ
- 98 ВЫКЛЮЧЕНИЕ ДВИГАТЕЛЯ; Аварийное выключение двигателя
- 99 Нормальное выключение двигателя; Поверните рукоятку акселератора в; Если лодка не используется, снимите; ВЫКЛЮЧЕНИЕ ДВИГАТЕЛЯ
- 101 Отсоединение топливопровода; Нажимая на фиксирующий зажим
- 102 ТРАНСПОРТИРОВКА; Транспортировка; Установите крюк грузоподъемного
- 103 Отсоедините подъемные крюки от
- 104 Перевозка на трейлере
- 105 ЧИСТКА И ПРОМЫВКА; Выкрутите пробку отверстия для
- 106 ЧИСТКА И ПРОМЫВКА; При отсутствии промывочного штуцера
- 108 ТЕХНИЧЕСКОЕ ОБСЛУЖИВАНИЕ
- 109 ТЕХНИЧЕСКОЕ ОБСЛУЖИВАНИЕ
- 110 РЕГЛАМЕНТ ТЕХНИЧЕСКОГО ОБСЛУЖИВАНИЯ
- 112 без замены масляного фильтра.; Рекомендуемое масло
- 114 Свечи зажигания; Периодичность проверки и регулировки:
- 115 Проверьте зазор между электродами
- 116 После посадки свечи на уплотнительную; Установите наконечники свечей
- 117 Не подносите близко открытое; Снимите клемму с отрицательного
- 118 Присоедините клемму красного провода
- 119 Смазка; • Смажьте антикоррозионным маслом те
- 120 Периодичность проверки состояния:; Через каждые 100 моточасов или 6 месяцев; Периодичность замены:; Отсоедините топливопровод от штуцера
- 121 Через полупрозрачную чашку фильтра
- 123 Присоедините топливопровод к; Периодичность промывки топливного бака:; Ежегодно или через каждые 200 моточасов.
- 125 Плавкий предохранитель
- 126 Остановите двигатель и отсоедините; • Лопасти гребного винта являются; Гребной винт
- 128 В случае заливания двигателя водой
- 129 Как можно быстрее доставьте подвесной
- 130 Топливо
- 131 ХРАНЕНИЕ; -e. Слейте остаток бензина из уловителя; Очистка уловителя топливных паров
- 133 Хранение аккумуляторной батареи
- 135 ВОЗМОЖНЫЕ НЕИСПРАВНОСТИ И СПОСОБЫ ИХ УСТРАНЕНИЯ
- 136 ТЕХНИЧЕСКИЕ ХАРАКТЕРИСТИКИ
- 137 ТЕХНИЧЕСКИЕ ХАРАКТЕРИСТИКИ
- 143 ПЕРЕЧЕНЬ ОСНОВНЫХ ЕВРОПЕЙСКИХ ДИСТРИБЬЮТОРОВ КОМПАНИИ HONDA
- 145 АЛФАВИТНЫЙ УКАЗАТЕЛЬ
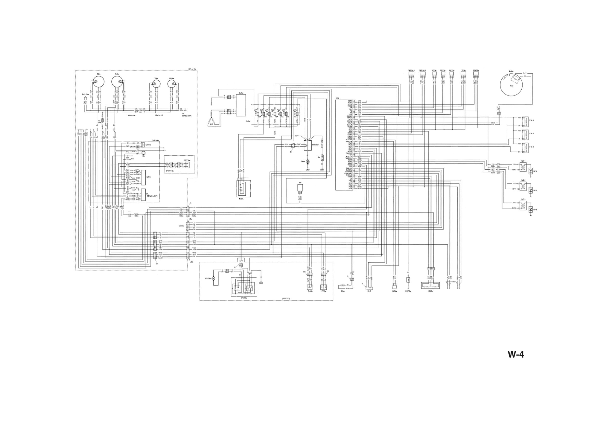
- 147 КОММУТАЦИОННАЯ СХЕМА
- 148 ЦВЕТОВАЯ КОДИРОВКА; ВЫКЛЮЧАТЕЛЬ НЕЙТРАЛИ
