Страница 2 - Содержание; Габаритные размеры
2 Содержание 1. Меры предосторожности ................................................................................................................ 3 2. Назначение и принцип работы ....................................................................................................... 6 3. Специфи...
Страница 3 - Меры предосторожности; Во время эксплуатации
3 1. Меры предосторожности Чтобы избежать получения травм и нанесе- ния ущерба другим людям и имуществу, вни- мательно прочтите и соблюдайте следующие инструкции. Данное оборудование не предназначено для использования маленькими детьми и людьми с ограниченной подвижностью, находящими- ся без надлежа...
Страница 5 - Правила электробезопасности
5 • Не препятствуйте прямому воздушному потоку. Кондиционер может выключиться раньше, чем охладит все помещение. • Регулярно чистите фильтры. Загрязнен- ные фильтры ведут к снижению эффектив- ности работы оборудования. Правила электробезопасности • Все подключения должны проводиться квалифицированны...
Страница 6 - Назначение и принцип работы; осуществляется электронным блоком управления.; Принцип работы кондиционера в режиме охлаждения; работать на охлаждение при низких температурах.; Функция защиты от обмерзания; электромотор, вентилятор, электронный блок
6 2. Назначение и принцип работы Сплит-система состоит из внутреннего и наружного блоков, предназначена для изменения, регулирования и поддержания заданной температуры воздуха в помещении. Принцип дей- ствия основан на переносе тепла из помещения на улицу (и наоборот). Перенос тепла достига- ется за...
Страница 7 - Принцип работы кондиционера в режиме обогрева; зуйте другие способы обогрева, например, масляный обогреватель.; Принцип работы системы оттаивания кондиционера в режиме
7 Принцип работы кондиционера в режиме обогрева Работа кондиционера в режиме обогрева основана на переносе тепла с улицы в помещение. Соответственно, производительность кондиционера может увеличиваться или уменьшаться с увеличением или уменьшением температуры на улице. При низких температурах наружн...
Страница 8 - Спецификация
8 3. Спецификация Модель LS-HE36DOA4/ LU-HE36UMA4 LS-HE48DOA4/ LU-HE48UMA4 LS-HE55DOA4/ LU-HE55UMA4 Производи тельность ОхлаждениеОбогрев кВткВт 10,55 (3,17–12,66) 11,14 (3,34–13,36) 14,07 (4,22–16,88)14,65 (4,40–17,58) 16,12 (4,84–19,34)17,00 (5,10–20,40) EER/COP (класс энергоэффективности) 2,94 (С...
Страница 9 - Пульт управления LZ-UPW4F; Дисплей; произойдет переключение на режим AUTO.
9 4. Пульт управления LZ-UPW4F Дисплей 1 12 Блокировка Режим работы кондиционера Индикатор температуры/времени Скорость вентилятора Индикация работы таймера Индикация настройки температуры Индикатор работы функции «Follow Me» Режим работы кондиционера • Режим работы кондиционера — индикация текущего...
Страница 10 - Кнопки пульта управления LZ-UPW4F
10 Кнопки пульта управления LZ-UPW4F Кнопка включения/выключения Скорость вентилятора Увеличить значение температуры Уменьшить значение температуры Включение/выключение работы жалюзи Экономичный режим работы Включение/выключение блокировки пульта Изменение режимов работы Включение таймера Выключение...
Страница 11 - Управление кондиционером; Запуск кондиционера; В режиме вентиляции настройка температуры невозможна.
11 SWING Кнопка включения/выключения работы жалюзи. Нажмите эту кнопку для включения жалюзи, и жалюзи будут работать в автоматическом режиме. Повторное нажатие приведет к отключению автоматической работы, и жа- люзи останутся в том положении, в каком они были при нажатии кнопки. REPLACE LOCK RESET К...
Страница 12 - Режим AUTO; Примечание; В режиме «Авто» выбор скорости работы вентилятора осуществляется; Выбор скорости работы вентилятора; Примечания; Включение функции «Follow Me»; Дополнительный электрический нагреватель является опцией.; Настройка температуры; на в режиме вентиляции.; Настройка таймера; TIMER OFF] для установки времени выключения.
12 Режим AUTO 1. Чтобы выбрать работу в режиме «Авто», нажимайте кнопку [MODE]. 2. С помощью кнопок [▼] и [▲] установите желаемую температуру в помещении в диапазоне от +17 до +30 °С. Примечание : В режиме «Авто» выбор скорости работы вентилятора осуществляется кондиционером. Выбор скорости работы в...
Страница 13 - Функции блокировки и сброса настроек; ра установится на 24 °С.
13 2. Задайте нужное время нажимая на кнопку TIMER ON. Каждое нажатие на кнопку меняет показания на 30 минут. Когда значение времени превысит 10 часов, показания станут из- менятся с интервалом в 1 час. 3. Цифры снова начнут гореть постоянно, некоторое время будет мигать индикатор переда- чи данных....
Страница 14 - Подготовка к эксплуатации; Перед запуском кондиционера проверьте следующие вещи:; Провод заземления подключен правильно и надежно?; Включение питания
14 5. Подготовка к эксплуатации Перед запуском кондиционера проверьте следующие вещи: 1. Провод заземления подключен правильно и надежно? 2. Хорошо ли установлен фильтр? 3. Никакие предметы не перекрывают отверстия для воздуха? Включение питания Вставьте вилку питания в розетку и/или включите автома...
Страница 15 - Рекомендации по эксплуатации; Если вы долго не будете пользоваться кондиционером; Перед тем, как на длительное время отключить кондиционер; Перед тем, как включить кондиционер после длительного перерыва; Уход за кондиционером; Очистка внутреннего блока
15 6. Рекомендации по эксплуатации Для оптимальной эксплуатации кондиционера обратите внимание на следующее • Установите запланированное время работы с помощью таймера. • Установите приемлемую температуру для создания комфортных условий. Не устанавли- вайте слишком высокую или слишком низкую темпера...
Страница 16 - Очистка воздушного фильтра; Установите сетку фильтра и воздухозаборную решетку.
16 Очистка воздушного фильтра Если фильтр забит пылью или другими инородными веществами, это повлияет на охлаждение или нагрев, а также велика вероятность того, что поток воздуха, создаваемый кондиционером, будет с неприятным запахом. Поэтому чистку фильтра следует проводить довольно часто, как мини...
Страница 17 - Очистка наружного блока; обслуживание авторизованными специалистами.; дорогостоящих деталей кондиционера!
17 Очистка наружного блока В зависимости от конкретных условий после использования кондиционера в течении сезона эффективность его работы может снизиться вследствие скопления грязи и пыли на оребрении теплообменника наружного блока. Для поддержания производительности Вашего кондицио- нера на требуем...
Страница 18 - Перед обращением в сервисный центр; онера, отключите электропитание и обратитесь в сервисный центр.; (вынули штепсель из розетки) и через 5 –10 секунд включили его снова.
18 7. Перед обращением в сервисный центр В случае возникновения следующих ситуаций немедленно остановите работу кондици - онера, отключите электропитание и обратитесь в сервисный центр. • Часто вспыхивает индикатор RUN или другой индикатор на панели индикации кондицио- нера и продолжает мигать после...
Страница 19 - Ситуации не связанные с неисправностью кондиционера; Режим «Обогрев» только что включился.
19 Ситуации не связанные с неисправностью кондиционера Следующие ситуации являются нормальными и не свидетельствуют о поломке. Защита компрессора. После остановки компрессор не работает в течении 3 минут в целях защиты. Предотвращение холодного воздухопотока В режиме «Обогрев» внутренний блок кондиц...
Страница 21 - Комплектность сплит-системы
21 8. Комплектность сплит-системы Сплит-система поставляется в комплекте с аксессуарами указанными ниже. Для установки кондиционера воздуха используйте аксессуары, входящие в комплект поставки. Неправиль- ный монтаж может привести к протечке воды, поражению электрическим током и возгоранию, а также ...
Страница 22 - Рабочая температура; Держите двери и окна в помещении закрытыми.
22 9. Рабочая температура Когда кондиционер используется за пределами следующих температурных диапазонов, за- щитные функции могут активироваться и привести к отключению устройства. Режим «Охлаждения» Режим «Обогрева» Режим «Осушения» Температура воздуха в помещении +17…+32°С 0…+30°С +10…+32°С Темпе...
Страница 23 - Габаритные размеры; Внутренние блоки
23 10. Габаритные размеры Внутренние блоки Отверстие проверки дренажа Воздушный фильтр Воздухозаборник с задней стороны I J L A 4 кронштейна крепления 25 Дренажный патрубок 25 Дренажный патрубок M Газовая линия Жидкостная линия Блок управления B D C 125 Отверстие для свежего воздуха 25 Дренажный пат...
Страница 26 - Порядок монтажа сплит-системы
26 11. Порядок монтажа сплит-системы 1. Безопасность превыше всего! Внимательно прочитайте инструкцию по монтажу оборудования перед началом монтажа. 2. Выберите место установки внутреннего блока Закрепите шпильки. Просверлите отверстия для трубопроводов хладагента, дре- нажа и проводов. Подготовьте ...
Страница 27 - шее обслуживание наружного блока.; При установке на крышу; предусмотрите маслоподъемные петли через каждые 6 метров.; Установка ветрозащитного экрана; Правильно
27 12. Монтаж сплит-системы Перед установкой прочитайте следующую информацию и действуйте согласно инструк циям. Внутренний блок • Устанавливайте внутренний блок вдали от нагревательных приборов. • Выберите место, где нет препятствий для входящего и исходящего потоков воздуха. • Убедитесь в возможно...
Страница 28 - Установка внутреннего блока; Пространство для установки; По подготовке потолка проконсультируйтесь со строителями.; Сервисное пространство; ния работ по сервисному обслуживанию оборудования.; Установка блока; Деревянная конструкция
28 Установка внутреннего блока Пространство для установки Убедитесь в наличии достаточного пространства для монтажа и обслуживания блока. Внутренний блок канального типа 500 мм или более 600 мм или более Сервисное пространство 600×600 мм 1. Используйте болты или шпильки размером не менее, чем М10. Б...
Страница 29 - Изменение расположения отверстия для забора воздуха; с фланца фильтра и с боковых направляющих.
29 Перекрытие Крышная балка Потолок Подвесные болты Стандартный тип бетонного перекрытия. Стальная структура перекрытий Сталь Подвес (Подвес трубопровода или блока) Подвес Стальной уголок Шпилькаили болт Подвесьте внутренний блок за кронштейны на подвесные болты (шпильки). Гайка Кронштейн Шайба Шпил...
Страница 30 - выходного отверстия для воздуха, задвиньте внутрь и вверх.
30 Установите планку с защитным покрытием, закрепите направляющие и фланец, закрепите за- щитную крышку. Планка с защитной наклейкой Установите воздушный фильтр. При установке фильтра прислоните его сначала со стороны выходного отверстия для воздуха, задвиньте внутрь и вверх. Зафиксируйте фильтр на ...
Страница 31 - Подсоединение воздуховодов; нормами и стандартами.
31 Подсоединение воздуховодов 1. Проектирование системы воздуховодов должно выполнятся в соответствии с местными нормами и стандартами. 2. Воздуховод и детали его монтажа и скрепления должны быть произведены специализиро- ванной компанией. 3. Приточный и вытяжной воздуховоды должны быть разнесены на...
Страница 32 - Установка наружного блока; мальные условия работы блока.; Неправильно; Сервисное пространство для наружного блока
32 13. Установка наружного блока Меры предосторожности • Не устанавливайте блок на открытом солнце, а также вблизи отопительных приборов. • Если установка блока в таком месте неизбежна, закройте его защитным экраном. • Если блок будет устанавливаться на побережье или на большой высоте, т.е. в местах...
Страница 33 - Шаг болтов; Перемещение и установка
33 Шаг болтов Производительность (кБТЕ/ч) D, мм A, мм B, мм C, мм LU-HE36UMA4 410 673 403 455 LU-HE48UMA4 415 634 404 457 LU-HE55UMA4 415 634 404 457 Перемещение и установка • Закрепите наружный блок с помощью анкерных болтов (M10) Зафиксировать болтом Необходимая ширина Глубина фундамента >60 см...
Страница 34 - Слив конденсата с наружного блока; Порт для слива
34 Слив конденсата с наружного блока Порт для слива конденсата Корпус Прокладка ШтуцерШланг При необходимости используйте сливной штуцер для подключения шланга для слива конден- сата к наружному блоку. Штуцер подключается с нижней части наружного блока, под тепло- обменником. В случае эксплуатации о...
Страница 35 - Установка трубопровода отвода конденсата; Наружный диаметр патрубка для слива конденсата
35 14. Установка трубопровода отвода конденсата Трубопровод отвода конденсата служит для отвода воды из дренажной ванны внутреннего блока.. Неправильная установка может привести к повреждению устройства и имущества. Наружный диаметр патрубка для слива конденсата LS- HE36DOA4 LS- HE48DOA4 LS- HE55DOA...
Страница 36 - на 75 мм, он не должен находиться в воде.; трубы, как показано на следующем рисунке.; Проверка дренажа; проверку необходимо выполнить до зашивки потолка.
36 • Если дренажная труба слишком длинная, лучше проложить ее часть, находящуюся внутри помещения, через защитную трубу для предотвращения ее провисания. Внутренний блок Труба для слива конденсата Хомут Водоотводящая труба ПВХ труба Ø25 мм • Конец дренажной трубы должен быть выше земли или нижней то...
Страница 37 - Гибкий шланг
37 3. При помощи гибкого шланга небольшого диаметра залейте не менее 2000 мл воды через отверстие. Гибкий шланг 4. Включите питание и запустите кондиционер в режиме охлаждения. Прислушайтесь к звуку от дренажной трубы. Убедитесь в том, что вода сливается (учитывая длину дренажной трубы, вода может п...
Страница 38 - Монтаж линии хладагента; туре. Это может привести к взрыву и травмам.; Диаметры трубопроводов; наружный блок заправлен на заводе из расчета длины трубы не более; Маслоподьемные петли; Если внутренний блок установлен выше наружного блока:; вом трубопроводе могут предотвратить это.
38 15. Монтаж линии хладагента При подсоединении трубопровода хладагента не допускайте попадания в систему веществ или газов, кроме указанного хладагента. Присутствие других газов или веществ снижает про- изводительность системы и может вызвать аномально высокое давление в холодильном кон- туре. Это...
Страница 39 - Если наружный блок установлен выше внутреннего блока:; Основные требования к монтажу фреонопровода
39 Если наружный блок установлен выше внутреннего блока: Рекомендуется не увеличивать диаметр вертикальных всасывающих линий хладагента, так как в системе должен поддерживаться возврат масла в компрессор за счет высокой скорости всасываемого газа. Если скорости упадут ниже 7,62 м/с, возврат масла бу...
Страница 40 - Защитные меры при монтаже; Не кладите трубу прямо на землю или грязную поверхность.
40 Защитные меры при монтаже Защищайте открытые концы трубопровода от влаги и грязи. До окончания подключений вставь- те заглушки на концы труб или заглушите конецы трубы монтажным скотчем. Заглушка Заглушка Трубопровод • При подаче трубы через отверстие в стене обязательно одевайте заглушку на коне...
Страница 41 - Подготовка трубы; Аккуратно и качественно выполняйте подготовку труб.; Гибка труб; Примечания по гибке труб
41 • Убедитесь, что концы труб герметично заглушены и во время дождя вода не попадает внутрь магистрали. Крышка, скотч Дождь Подготовка трубы Главной причиной утечек хладагента является некачественное соединение трубопроводов. Аккуратно и качественно выполняйте подготовку труб. • Измерьте необходиму...
Страница 42 - Развальцовка труб; Медная труба; Отрежьте кромку трубы труборезом.
42 • Чтобы согнуть трубку по небольшому радиусу, используйте гибочное приспособление. • Просверлите отверстие в стенке. Надежно закрепите кабели к соединительной трубе лентой. Не допускайте попадания воздуха внутрь трубы, так как это может привести к об- разованию конденсата и его протечкам. Вставьт...
Страница 43 - был установлен на расстоянии «А».
43 Труба Ример Кромка трубы • Для развальцовки можно использовать развальцовщик ручного типа. • На конец трубы установите специальную муфту (планку) держателя так, чтобы кончик трубы был установлен на расстоянии «А». " A" Планка Медная труба Диаметр трубы, мм Максимальное расстояние «А», мм ...
Страница 44 - Подключение труб; При затяжке трубопроводов используйте два гаечных ключа.; Изоляция трубопроводов; Изоляционный материал
44 Подключение труб При затяжке трубопроводов используйте два гаечных ключа. Осторожно! При слишком большом моменте возможно повреждение раструба, при слишком малень - ком соединение будет негерметичным. Определить необходимый момент можно по та - блице. Диаметр трубы, мм Момент затягивания, Н·м Раз...
Страница 45 - Изоляция фреонопровода; быть теплоизолированы.; Изоляция мест соединений труб; ции может привести к образованию конденсата.; Изоляция трубопровода отвода конденсата; сти трубы может образовываться конденсат.
45 Изоляция фреонопровода Изолируйте трубы перед прокладкой трубопровода, кроме участков соединений и разветвле- ний. После проверки герметичности соединений давлением все участки фреонопровода должны быть теплоизолированы. Неправильно Правильно Трубы линий газа и жидкости должны быть теплоизолирова...
Страница 46 - Вакуумирование и проверка на утечку; пенчатым вакуумным насосом!; Назначение вакуумной сушки; привести к выходу из строя системы.; Порядок работы вакуумирования; — применяется при первом монтаже новой системы и при усло-; Специальная вакуумная сушка; Обычное вакуумирование
46 Вакуумирование и проверка на утечку Внимание! При работе с R410A требуется обязательное удаление воздуха двухсту - пенчатым вакуумным насосом! Используйте правильное оборудование при работе. Рекомендации по использованию манометрического коллектора см. в руководстве по эксплу- атации заправочной ...
Страница 48 - Пожалуйста, обратите внимание на следующие моменты. Это важно!; блюдайте правила техники безопасности при работе с хладагентом!
48 Атмосферное давление Вакуум Вакуумная сушка (2 часа) Тест (1 час) Добавление хладагента Добавление азота Вакуумная сушка (1 час) Пожалуйста, обратите внимание на следующие моменты. Это важно! Внимание! Любая пайка трубопроводов при работе с R410A должна осуществляться только под азотом! Пайка в в...
Страница 49 - Дозаправка хладагента; вляется из расчета соединительной трубы равной 5 м.; Хладагент следует заправлять в жидком состоянии.
49 Дозаправка хладагента После выполнения вакуумирования, в случаи, если длина трубы превышает 5 м, необходимо выполнить дозаправку системы хладагентом, т.к. на заводе заправка хладагентом осущест- вляется из расчета соединительной трубы равной 5 м. Необходимый объем дозаправки в таблице Модель LS- ...
Страница 50 - Процедура проверки; ки. Точки проверки обозначены на рисунке ниже.
50 Процедура проверки Порядок действий. 1. Плотно закройте (завинтите) заглушки на всех портах наружного блока. 2. Проверьте с помощью течеискателя или мыльной пены отсутствие утечек в точках провер- ки. Точки проверки обозначены на рисунке ниже. • Точка проверки 1: место соединения трубопроводов с ...
Страница 51 - Электрические соединения; Перед выполнение каких-либо электрических работ
51 16. Электрические соединения Перед выполнение каких-либо электрических работ прочтите данные правила: • Монтаж электропроводки должен осуществляться персоналом, имеющим необходимую квалификацию, в соответствии с электрическими коммутационными схемами, как в инструк- ции или на оборотной стороне к...
Страница 52 - Схемы подключения; Подключение электропитания к наружному блоку; чтобы снять защитную панель.
52 Справочная информация LS- HE36DOA4 LU- HE36UMA4 LS- HE48DOA4 LU- HE48UMA4 LS- HE55DOA4 LU- HE55UMA4 Рабочий ток, А от 1,2 до 10 Максимальное энергопотребление, Вт 4150 6700 7800 Максимальный ток, А 10 13 16 Схемы подключения ВНУТРЕННИЙ БЛОК 1 ( L ) 2 ( N ) S НАР УЖНЫЙ БЛОК 1(L) 2(N) S L1 L2 L3 N ...
Страница 53 - Правила безопасности; ключению до решения всех проблем.
53 Правила безопасности 1. Если на объекте есть проблемы с электропитанием, необходимо остановить работы по под- ключению до решения всех проблем. 2. Электропитание должно соответствовать указанному в спецификации (220 В/50 Гц, ±10% или 380 В/50 Гц / 3 ф, ±10%). 3. Номиналы токовой защиты и уставки ...
Страница 54 - Подключение пульта управления; Подцепите отверткой крышку пульта ДУ и снимите ее.; Установка на стену; ветствующую середине верхней кромки пульта ДУ.
54 17. Подключение пульта управления Подцепите отверткой крышку пульта ДУ и снимите ее. Задняя крышка Передняя крышка Экран LCD Кнопки управления Защитная крышка Аккуратно тонкой отверткой нажмите на язычок и откройте панель Клеммная колодка для подключения проводов Винты крепления внутреннего корпу...
Страница 56 - Пусконаладка; ние на протяжении 3 минут после отключения.
56 18. Пусконаладка 1. Проведение испытаний возможно только после полного завершения монтажных работ. 2. Перед проведением испытаний необходимо удостовериться в следующем: • Внутренний и наружный блоки смонтированы правильно. • Трубопроводы и электропроводка проложены и смонтированы правильно. • Про...
Страница 57 - Регламентное техническое обслуживание; Регламент технического обслуживания; Чистка теплообменника внутреннего блока.; в гарантийном талоне!
57 19. Регламентное техническое обслуживание Каждый кондиционер (в данном случае сплит-система, состоящая из внутреннего и наружно- го блоков) нуждается в периодическом техническом обслуживании. Указанное обслуживание может выполнить специально обученный персонал согласно данному регламенту. Внимани...
Страница 59 - Кривые расходов воздуха
59 21. Кривые расходов воздуха LS-HE36DOA4 10 20 90 100 110 120 130 140 150 160 0 200 400 600 800 1000 1200 1400 1600 1800 2000 2200 2400 2500 2600 2800 3000 3200 0 500 1000 1500 2000 2500 0 Высокая Средняя Низкая Объем воздуха м /ч 3 Статическое давление (Па) 25 30 40 50 60 70 80 м³/ч Па Высокая Ср...
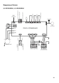
Страница 63 - ПЛАТА УПРАВЛЕНИЯ
63 Наружные блоки LU-HE36UMA4, LU-HE48UMA4 CN24 CN23 CompTop CN507 CN504 CN502 CN503 CN506 5 3 CN 508 L3 L2 L1 N C N 7 0 4 C N 7 1 0 C N 7 0 3 L 1 L 2 L 3 C H 2 1 S N S 2 ( N ) C H 4 C N 7 0 2 ПЛАТА УПРАВЛЕНИЯ 4-х одов ой к лапан конденсатор мотор вентилятора да тчик т емп. т епл ооб менник а Т3 EXV...
Страница 65 - Класс энергоэффективности оборудования; Дата производства оборудования
65 23. Класс энергоэффективности оборудования Модель EER (класс энергоэффективности) COP (класс энергоэффективности) LS- HE36DOA4/LU- HE36UMA4 2,94 (C) 3,61 (A) LS- HE48DOA4/LU- HE48UMA4 2,71 (D) 3,61 (A) LS- HE55DOA4/LU- HE55UMA4 2,61 (D) 3,61 (A) EER (Energy Efficiency Ratio) — отношение мощности ...