Страница 2 - Содержание
2 Содержание 1. Меры предосторожности ................................................................................................................. 3 2. Назначение и принцип работы ........................................................................................................ 6 3. Специ...
Страница 3 - Меры предосторожности; Во время эксплуатации
3 1. Меры предосторожности Чтобы избежать получения травм и нанесе- ния ущерба другим людям и имуществу, вни- мательно прочтите и соблюдайте следующие инструкции. Данное оборудование не предназначено для использования маленькими детьми и людьми с ограниченной подвижностью, находящими- ся без надлежа...
Страница 5 - Правила электробезопасности
5 • Регулярно чистите фильтры. Загрязнен- ные фильтры ведут к снижению эффектив- ности работы оборудования. Правила электробезопасности • Все подключения должны проводиться квалифицированным персоналом. • Подключения должны проводиться с со- блюдением всех правил безопасности. • Главный автомат токо...
Страница 6 - Назначение и принцип работы; осуществляется электронным блоком управления.; Принцип работы кондиционера в режиме охлаждения; работать на охлаждение при низких температурах.; Функция защиты от обмерзания; электромотор, вентилятор, электронный блок
6 2. Назначение и принцип работы Сплит-система состоит из внутреннего и наружного блоков, предназначена для изменения, регулирования и поддержания заданной температуры воздуха в помещении. Принцип дей- ствия основан на переносе тепла из помещения на улицу (и наоборот). Перенос тепла достига- ется за...
Страница 7 - Принцип работы кондиционера в режиме обогрева; зуйте другие способы обогрева, например, масляный обогреватель.; Принцип работы системы оттаивания кондиционера в режиме
7 Принцип работы кондиционера в режиме обогрева Работа кондиционера в режиме обогрева основана на переносе тепла с улицы в помещение. Соответственно, производительность кондиционера может увеличиваться или уменьшаться с увеличением или уменьшением температуры на улице. При низких температурах наружн...
Страница 8 - Спецификация
8 3. Спецификация Модель LS-HE36TMA4/ LU-HE36UMA4 LS-HE48TMA4/ LU-HE48UMA4 LS-HE55TMA4/ LU-HE55UMA4 Производи тельность ОхлаждениеОбогрев кВткВт 10,55 (3,17–12,66) 11,14 (3,34–13,36) 14,07 (4,22–16,88)14,65 (4,40–17,58) 16,12 (4,84–19,34)17,00 (5,10–20,40) EER/COP (класс энергоэффективности) 3,01 (B...
Страница 9 - Дисплей внутреннего блока; MANUAL; танционного управления отсутствует или разряжен.
9 4. Дисплей внутреннего блока Приёмник сигналов Кнопка ручного запуска Индикатор работы Индикатор оттаивания/ предварительного нагрева Индикатор ошибки Индикатор таймера MANUAL Дисплей Внимание! Панель может использоваться для управления блоком в случае, если пульт дис - танционного управления отсу...
Страница 10 - Пульт управления LZ-UPW4FT; Дисплей; произойдет переключение на режим AUTO.
10 5. Пульт управления LZ-UPW4FT Дисплей 1 12 Блокировка Режим работы кондиционера Индикатор температуры/времени Скорость вентилятора Индикация работы таймера Индикация настройки температуры Индикатор работы функции «Follow Me» Режим работы кондиционера • Режим работы кондиционера — индикация текуще...
Страница 11 - Кнопки пульта управления LZ-UPW4FT
11 Кнопки пульта управления LZ-UPW4FT Кнопка включения/выключения Скорость вентилятора Увеличить значение температуры Уменьшить значение температуры Включение/выключение работы жалюзи Включение/выключение блокировки пульта Изменение режимов работы Включение таймера Выключение таймера Кнопка функции ...
Страница 12 - Управление кондиционером; В режиме осушения скорость работы вентилятора устанавливается
12 DIRECT ( ) Кнопка включения/выключения работы жалюзи. Нажмите эту кнопку для включения жалюзи, и жалюзи будут работать в автоматическом режиме. Повторное нажатие приведет к отключению автоматической работы, и жа- люзи останутся в том положении, в каком они были при нажатии кнопки. Две кнопки отве...
Страница 13 - Примечание; : В режиме Авто выбор скорости работы вентилятора осуществляет; Выбор скорости работы вентилятора; Примечания; Включение режима «ТУРБО»; Через 30 минут работы режим автоматически отключится.; Настройка температуры; на в режиме вентиляции.; Включение функции «Follow Me»; менятся с интервалом в 1 час.
13 2. С помощью кнопок [▼] и [▲] установите желаемую температуру в помещении в диапазоне от +17 до +30 °С. Примечание : В режиме Авто выбор скорости работы вентилятора осуществляет - ся кондиционером. Выбор скорости работы вентилятора Чтобы настроить скорость работы вентилятора, нажимайте кнопку [FA...
Страница 14 - Функции блокировки и сброса настроек; ра установится на 24 °С.; Настройка воздушного потока; работы указано стрелками.; Рекомендуем
14 3. Цифры снова начнут гореть постоянно, некоторое время будет мигать индикатор переда- чи данных. После завершения изменения настроек внутренний блок кондиционера издаст подтверждающий звук. Настройки вступят в действие. 4. Чтобы отменить установку таймера, нажимайте кнопки до тех пор, пока на ни...
Страница 15 - Подготовка к эксплуатации; Перед запуском кондиционера проверьте следующие вещи:; Провод заземления подключен правильно и надежно?; Включение питания
15 6. Подготовка к эксплуатации Перед запуском кондиционера проверьте следующие вещи: 1. Провод заземления подключен правильно и надежно? 2. Хорошо ли установлен фильтр? 3. Никакие предметы не перекрывают отверстия для воздуха? Включение питания Вставьте вилку питания в розетку и/или включите автома...
Страница 16 - Рекомендации по эксплуатации; Если вы долго не будете пользоваться кондиционером; Перед тем, как на длительное время отключить кондиционер; Перед тем, как включить кондиционер после длительного перерыва; Уход за кондиционером; Очистка внутреннего блока
16 7. Рекомендации по эксплуатации Для оптимальной эксплуатации кондиционера обратите внимание на следующее • Установите запланированное время работы с помощью таймера. • Установите приемлемую температуру для создания комфортных условий. Не устанавли- вайте слишком высокую или слишком низкую темпера...
Страница 17 - Очистка воздушного фильтра; минимум один раз в две недели.; Открутите винты
17 Очистка воздушного фильтра Если фильтр забит пылью или другими инородными веществами, это повлияет на охлаждение или нагрев, а также велика вероятность того, что поток воздуха, создаваемый кондиционером, будет с неприятным запахом. Поэтому чистку фильтра следует проводить довольно часто, как мини...
Страница 18 - Очистка наружного блока; обслуживание авторизованными специалистами.; дорогостоящих деталей кондиционера!
18 Внимание! • Снимая фильтр, не прикасайтесь к металлическим частям устройства. Острые металличе- ские края могут порезать вас • Не используйте воду для очистки внутреннего блока. Это может вызвать поражение элек- трическим током. • Не подвергайте фильтр воздействию прямых солнечных лучей при сушке...
Страница 19 - Перед обращением в сервисный центр; онера, отключите электропитание и обратитесь в сервисный центр.; (вынули штепсель из розетки) и через 5 –10 секунд включили его снова.
19 8. Перед обращением в сервисный центр В случае возникновения следующих ситуаций немедленно остановите работу кондици - онера, отключите электропитание и обратитесь в сервисный центр. • Часто вспыхивает индикатор RUN или другой индикатор на панели индикации кондицио- нера и продолжает мигать после...
Страница 20 - Ситуации не связанные с неисправностью кондиционера; Режим «Обогрев» только что включился.
20 Ситуации не связанные с неисправностью кондиционера Следующие ситуации являются нормальными и не свидетельствуют о поломке. Защита компрессора После остановки компрессор не работает в течении 3 минут в целях защиты. Предотвращение холодного воздухопотока В режиме «Обогрев» внутренний блок кондици...
Страница 22 - Комплектность сплит-системы
22 9. Комплектность сплит-системы Сплит-система поставляется в комплекте с аксессуарами указанными ниже. Для установки кондиционера воздуха используйте аксессуары, входящие в комплект поставки. Неправиль- ный монтаж может привести к протечке воды, поражению электрическим током и возгоранию, а также ...
Страница 23 - Рабочая температура; Держите двери и окна в помещении закрытыми.
23 10. Рабочая температура Когда кондиционер используется за пределами следующих температурных диапазонов, за- щитные функции могут активироваться и привести к отключению устройства. Режим «Охлаждения» Режим «Обогрева» Режим «Осушения» Температура воздуха в помещении +17…+32 °С 0…+30 °С +10…+32 °С Т...
Страница 24 - Габаритные размеры; Внутренние блоки
24 11. Габаритные размеры Внутренние блоки 25 Дренажный патрубок 2 - 120 Отверстие для свежего воздуха 33 Отверстие подключения проводки 2 - Отверстие для трубы хладагента 120 94 204 140 A B C D 222 220 Подвесной кронштейн Размеры: мм Модель A, мм B, мм С, мм D, мм LS-HE36TMA4 1285 675 235 1200 LS-H...
Страница 27 - Порядок монтажа сплит-системы
27 12. Порядок монтажа сплит-системы 1. Безопасность превыше всего! Внимательно прочитайте инструкцию по монтажу оборудования перед началом монтажа. 2. Выберите место установки внутреннего блока Закрепите шпильки. Просверлите отверстия для трубопроводов хладагента, дре- нажа и проводов. Подготовьте ...
Страница 28 - шее обслуживание наружного блока.; При установке на крышу; предусмотрите маслоподъемные петли через каждые 6 метров.; Установка ветрозащитного экрана; Правильно
28 13. Монтаж сплит-системы Перед установкой прочитайте следующую информацию и действуйте согласно инструк циям. Внутренний блок • Устанавливайте внутренний блок вдали от нагревательных приборов. • Выберите место, где нет препятствий для входящего и исходящего потоков воздуха. • Убедитесь в возможно...
Страница 29 - Установка внутреннего блока; Выбор места
29 Установка внутреннего блока Выбор места Убедитесь, что: • Оборудование правильно подобрано для работы в данном помещении. • Потолок горизонтальный и его конструкция выдерживает вес оборудования. • Место может обеспечить установку, дальнейший осмотр и сервисное обслуживание обо- рудования. • Есть ...
Страница 30 - Установка под потолком; Для уменьшения вибрации усильте потолок там, где это необходимо.
30 Боковая планка Защитная решетка Места крепления к потолку Болты крепления D E Модель D, мм E, мм LS-HE36TMA4 1200 220 LS-HE48TMA4 1565 220 LS-HE55TMA4 1565 220 Установка под потолком • Подготовьте потолок (убедитесь в его горизонтальности). • Отмерьте необходимую длину трубопровода, трубки отвода...
Страница 31 - Сторона газа; Установка на стене
31 • После того, как положение блока будет выверено, надежно зафиксируйте блок, затяните гайки. 1 2 3 4 1 — гайка; 2 — шайба; 3 — ухо крепления на внутреннем блоке; 4 — гайка Сторона газа Сторона жидкости Слив конденсата ≥ 20 м м Внимание! Предусмотрите наклон корпуса внутреннего блока в сторону тру...
Страница 33 - Установка наружного блока; мальные условия работы блока.; Неправильно; Сервисное пространство для наружного блока
33 14. Установка наружного блока Меры предосторожности • Не устанавливайте блок на открытом солнце, а также вблизи отопительных приборов. • Если установка блока в таком месте неизбежна, закройте его защитным экраном. • Если блок будет устанавливаться на побережье или на большой высоте, т.е. в местах...
Страница 34 - Шаг болтов; Перемещение и установка
34 Шаг болтов Производительность (кБТЕ/ч) D, мм A, мм B, мм C, мм LU-HE36UMA4 410 673 403 455 LU-HE48UMA4 410 673 403 455 LU-HE55UMA4 415 634 404 457 Перемещение и установка • Закрепите наружный блок с помощью анкерных болтов (M10) Зафиксировать болтом Необходимая ширина Глубина фундамента >60 см...
Страница 35 - Слив конденсата с наружного блока; расположен в подходящем месте.
35 Слив конденсата с наружного блока Внимание! • В режиме НАГРЕВА наружный блок будет сбрасывать воду. Убедитесь, что сливной шланг расположен в подходящем месте. Порт для слива конденсата Корпус Прокладка ШтуцерШланг • При необходимости используйте сливной штуцер для подключения шланга для слива ко...
Страница 36 - Установка трубопровода отвода конденсата; Наружный диаметр патрубка для слива конденсата
36 15. Установка трубопровода отвода конденсата Трубопровод отвода конденсата служит для отвода воды из дренажной ванны внутреннего блока.. Неправильная установка может привести к повреждению устройства и имущества. Наружный диаметр патрубка для слива конденсата LS- HE36TMA4 LS- HE48TMA4 LS- HE55TMA...
Страница 37 - на 50 мм, он не должен находиться в воде.; трубы, как показано на следующем рисунке.; Проверка дренажа; проверку необходимо выполнить до зашивки потолка.
37 Верно Верно Неправильно Дренажный трубопровод Направление потока воды Направление потока воды Направление потока воды Направление потока воды Направление потока воды Направление потока воды Направление потока воды Направление потока воды Направление потока воды Дренажный трубопровод Дренажный тру...
Страница 38 - Монтаж линии хладагента; туре. Это может привести к взрыву и травмам.; Диаметры трубопроводов; наружный блок заправлен на заводе из расчета длины трубы не более; Маслоподьемные петли; Если внутренний блок установлен выше наружного блока:; вом трубопроводе могут предотвратить это.
38 16. Монтаж линии хладагента При подсоединении трубопровода хладагента не допускайте попадания в систему веществ или газов, кроме указанного хладагента. Присутствие других газов или веществ снижает про- изводительность системы и может вызвать аномально высокое давление в холодильном кон- туре. Это...
Страница 39 - Если наружного блок установлен выше внутреннего блока:; Основные требования к монтажу фреонопровода
39 Если наружного блок установлен выше внутреннего блока: Рекомендуется не увеличивать диаметр вертикальных всасывающих линий хладагента, так как в системе должен поддерживаться возврат масла в компрессор за счет высокой скорости всасываемого газа. Если скорости упадут ниже 7,62 м/с, возврат масла б...
Страница 40 - Защитные меры при монтаже; Не кладите трубу прямо на землю или грязную поверхность.
40 Внимание! Убедитесь в отсутствии следов масла/масляной пленки на внутренних по - верхностях трубопроводов. При необходимости очистите трубопроводы специальны - ми средствами.Так как сплит-система использует хладагент R410A с синтетическим маслом, смеши - вание остатков другого масла с компрессорн...
Страница 41 - Подготовка трубы; Аккуратно и качественно выполняйте подготовку труб.; Гибка труб
41 Расположение внизу Расположение вверху Пайка Пайка • Убедитесь, что концы труб герметично заглушены и во время дождя вода не попадает внутрь магистрали. Крышка, скотч Дождь Подготовка трубы Главной причиной утечек хладагента является некачественное соединение трубопроводов. Аккуратно и качественн...
Страница 42 - Развальцовка труб; Медная труба; Отрежьте кромку трубы труборезом.
42 Примечания по гибке труб • Гнуть трубы можно руками, будьте аккуратны, чтобы не заломить и не замять их. • Угол изгиба не должен превышать 90°. • Начинайте сгибать трубу с ее середины. Во избежание залома трубы не гните трубу под большим углом, изгиб трубы должен иметь радиус 150 мм и более. • Ес...
Страница 43 - оборудования из-за попадания опилок в трубопровод.; был установлен на расстоянии «А».
43 Внимание! Не используйте ножовку или лобзик для резки трубы. Это может привести к поломке оборудования из-за попадания опилок в трубопровод. • Обработайте кромку трубы римером. Держите трубу кромкой вниз во избежание попадания опилок в трубу. Труба Ример Кромка трубы • Для развальцовки можно испо...
Страница 44 - Подключение труб; При затяжке трубопроводов используйте два гаечных ключа.; Изоляция трубопроводов; Изоляционный материал
44 Подключение труб При затяжке трубопроводов используйте два гаечных ключа. Осторожно! При слишком большом моменте возможно повреждение раструба, при слишком малень - ком соединение будет негерметичным. Определить необходимый момент можно по та - блице. Диамтер трубы, мм Момент затягивания, Н·м Раз...
Страница 45 - Изоляция фреонопровода; быть теплоизолированы.; Изоляция мест соединений труб; ции может привести к образованию конденсата.; Изоляция трубопровода отвода конденсата; сти трубы может образовываться конденсат.
45 Изоляция фреонопровода Изолируйте трубы перед прокладкой трубопровода, кроме участков соединений и разветвле- ний. После проверки герметичности соединений давлением все участки фреонопровода должны быть теплоизолированы. Неправильно Правильно Трубы линий газа и жидкости должны быть теплоизолирова...
Страница 46 - Вакуумирование и проверка на утечку; пенчатым вакуумным насосом!; Назначение вакуумной сушки; привести к выходу из строя системы.; Порядок работы вакуумирования; — применяется при первом монтаже новой системы и при усло-; Специальная вакуумная сушка; Обычное вакуумирование
46 Вакуумирование и проверка на утечку Внимание! При работе с R410A требуется обязательное удаление воздуха двухсту - пенчатым вакуумным насосом! Используйте правильное оборудование при работе. Рекомендации по использованию манометрического коллектора см. в руководстве по эксплу- атации заправочной ...
Страница 48 - Пожалуйста, обратите внимание на следующие моменты. Это важно!; блюдайте правила техники безопасности при работе с хладагентом!
48 Атмосферное давление Вакуум Вакуумная сушка (2 часа) Тест (1 час) Добавление хладагента Добавление азота Вакуумная сушка (1 час) Пожалуйста, обратите внимание на следующие моменты. Это важно! Внимание! Любая пайка трубопроводов при работе с R410A должна осуществляться только под азотом! Пайка в в...
Страница 49 - Дозаправка хладагента; вляется из расчета соединительной трубы равной 5 м.; Хладагент следует заправлять в жидком состоянии.
49 Дозаправка хладагента После выполнения вакуумирования, в случаи, если длина трубы превышает 5 м, необходимо выполнить дозаправку системы хладагентом, т.к. на заводе заправка хладагентом осущест- вляется из расчета соединительной трубы равной 5 м. Необходимый объем дозаправки в таблице Модель LS- ...
Страница 50 - Процедура проверки; ки. Точки проверки обозначены на рисунке ниже.
50 Процедура проверки Порядок действий. 1. Плотно закройте (завинтите) заглушки на всех портах наружного блока. 2. Проверьте с помощью течеискателя или мыльной пены отсутствие утечек в точках провер- ки. Точки проверки обозначены на рисунке ниже. • Точка проверки 1: место соединения трубопроводов с ...
Страница 51 - Электрические соединения; Перед выполнение каких-либо электрических работ
51 17. Электрические соединения Перед выполнение каких-либо электрических работ прочтите данные правила: • Монтаж электропроводки должен осуществляться персоналом, имеющим необходимую квалификацию, в соответствии с электрическими коммутационными схемами, как в инструк- ции или на оборотной стороне к...
Страница 52 - Схемы подключения; НАР; Подключение электропитания к наружному блоку; чтобы снять защитную панель.
52 Справочная информация LS- HE36TMA4 LU- HE36UMA4 LS- HE48TMA4 LU- HE48UMA4 LS- HE55TMA4 LU- HE55UMA4 Рабочий ток, А от 1,2 до 10 Максимальное энергопотребление, Вт 5 000 6 700 7 800 Максимальный ток, А 10 13 16 Схемы подключения ВНУТРЕННИЙ БЛОК 1 ( L ) 2 ( N ) S НАР УЖНЫЙ БЛОК 1(L) 2(N) S L1 L2 L3...
Страница 53 - Правила безопасности; ключению до решения всех проблем.
53 Внимание! На рисунке показана стандартная модель, которая может отличаться от вашего на - ружного блока. Правила безопасности 1. Если на объекте есть проблемы с электропитанием, необходимо остановить работы по под- ключению до решения всех проблем. 2. Электропитание должно соответствовать указанн...
Страница 54 - Подключение пульта управления; Подцепите отверткой крышку пульта ДУ и снимите ее.; Установка на стену; ветствующую середине верхней кромки пульта ДУ.
54 18. Подключение пульта управления Подцепите отверткой крышку пульта ДУ и снимите ее. Задняя крышка Передняя крышка Экран LCD Кнопки управления Защитная крышка Аккуратно тонкой отверткой нажмите на язычок и откройте панель Клеммная колодка для подключения проводов Винты крепления внутреннего корпу...
Страница 55 - личение длины до 15 метров.; Подключение проводов проводного пульта ДУ; ль; Плата индикации
55 • Не забудьте оставить достаточно длинный конец кабеля для обслуживания пуль - та ДУ. • Длина кабеля в комплекте составляет 6,5 метра. При необходимости возможно уве - личение длины до 15 метров. Подключение проводов проводного пульта ДУ + 5 П у ль т управ лени я 5-жильный кабель Клеммная колодка...
Страница 56 - Пусконаладка; ние на протяжении 3 минут после отключения.
56 19. Пусконаладка 1. Проведение испытаний возможно только после полного завершения монтажных работ. 2. Перед проведением испытаний необходимо удостовериться в следующем: • Внутренний и наружный блоки смонтированы правильно. • Трубопроводы и электропроводка проложены и смонтированы правильно. • Про...
Страница 57 - Регламентное сервисное обслуживание; Регламент сервисного обслуживания; Чистка теплообменника внутреннего блока.; в гарантийном талоне!
57 20. Регламентное сервисное обслуживание Каждый кондиционер (в данном случае сплит-система, состоящая из внутреннего и наружно- го блоков) нуждается в периодическом сервисном обслуживании. Указанное обслуживание может выполнить специально обученный персонал согласно данному регламенту. Внимание! О...
Страница 58 - Коды ошибок
58 21. Коды ошибок Код ошибки или защиты Operation Timer Дисплей Ошибка EEPROM внутреннего блока 1 раз × E0 Ошибка коммуникаций между внутренним и наружным блоком 2 раза × E1 Ошибка контроля скорости вентилятора внутреннего блока 4 раза × E3 Ошибка датчика температуры воздуха Т1 5 раз × E4 Ошибка да...
Страница 60 - ПЛАТА УПРАВЛЕНИЯ
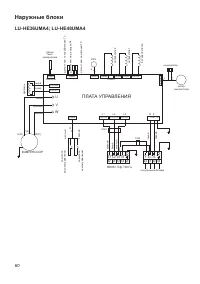
60 Наружные блоки LU-HE36UMA4; LU-HE48UMA4 CN24 CN23 CompTop CN507 CN504 CN502 CN503 CN506 5 3 CN 508 L3 L2 L1 N C N 7 0 4 C N 7 1 0 C N 7 0 3 L 1 L 2 L 3 C H 2 1 S N S 2 ( N ) C H 4 C N 7 0 2 ПЛАТА УПРАВЛЕНИЯ 4-х одов ой к лапан конденсатор мотор вентилятора да тчик т емп. т епл ооб менник а Т3 EXV...
Страница 62 - Класс энергоэффективности оборудования; Дата производства оборудования
62 23. Класс энергоэффективности оборудования Модель EER (класс энергоэффективности) COP (класс энергоэффективности) LS- HE36TMA4/LU- HE36UMA4 3,01 (B) 3,61 (A) LS- HE48TMA4/LU- HE48UMA4 2,81 (C) 3,51 (B) LS- HE55TMA4/LU- HE55UMA4 2,81 (C) 3,62 (A) EER (Energy Efficiency Ratio) — отношение мощности ...
Страница 64 - Продажу, установку и сервисное обслуживание представленного
Продажу, установку и сервисное обслуживание представленного в настоящей инструкции оборудования производит _ _ _ _ _ _ _ _ _ _ _ Тел. _ _ _ _ _ _ _ _ _ _ _ _, факс _ _ _ _ _ _ _ _ _ _ _ _ _, www._ _ _ _ _ _ _ _ _ _ _ _ _ _ _ Изготовитель оборудования оставляет за собой право вносить изменения в конс...