Страница 2 - Содержание; Габаритные размеры
2 Содержание 1. Меры предосторожности ................................................................................................................ 3 2. Назначение и принцип работы ....................................................................................................... 6 3. Специфи...
Страница 3 - Меры предосторожности; Во время эксплуатации
3 1. Меры предосторожности Чтобы избежать получения травм и нанесе- ния ущерба другим людям и имуществу, вни- мательно прочтите и соблюдайте следующие инструкции. Данное оборудование не предназначено для использования маленькими детьми и людьми с ограниченной подвижностью, находящими- ся без надлежа...
Страница 5 - Правила электробезопасности
5 • Не препятствуйте прямому воздушному потоку. Кондиционер может выключиться раньше, чем охладит все помещение. • Регулярно чистите фильтры. Загрязнен- ные фильтры ведут к снижению эффектив- ности работы оборудования. Правила электробезопасности • Все подключения должны проводиться квалифицированны...
Страница 6 - Назначение и принцип работы; осуществляется электронным блоком управления.; Принцип работы кондиционера в режиме охлаждения; работать на охлаждение при низких температурах.; Функция защиты от обмерзания; электромотор, вентилятор, электронный блок
6 2. Назначение и принцип работы Сплит-система состоит из внутреннего и наружного блоков, предназначена для изменения, регулирования и поддержания заданной температуры воздуха в помещении. Принцип дей- ствия основан на переносе тепла из помещения на улицу (и наоборот). Перенос тепла достига- ется за...
Страница 7 - Принцип работы кондиционера в режиме обогрева; зуйте другие способы обогрева, например, масляный обогреватель.; Принцип работы системы оттаивания кондиционера в режиме
7 Принцип работы кондиционера в режиме обогрева Работа кондиционера в режиме обогрева основана на переносе тепла с улицы в помещение. Соответственно, производительность кондиционера может увеличиваться или уменьшаться с увеличением или уменьшением температуры на улице. При низких температурах наружн...
Страница 8 - Спецификация
8 3. Спецификация Модель LS-HE24BMA2/ LU-HE24UMA2 LS-HE36BMA4/ LU-HE36UMA4 Производи тельность ОхлаждениеОбогрев кВткВт 7,03 (2,11–8,44) 7,62 (2,29–9,14) 10,55 (3,17–12,66) 11,14 (3,34–13,36) EER/COP (класс энергоэффективности) 2,91 (С) / 3,41 (В) 2,81 (С) / 3,61 (А) Электропитание ф/В/Гц 1 / 220 / ...
Страница 10 - Дисплей и элементы внутреннего блока; танционного управления отсутствует или разряжен.
10 4. Дисплей и элементы внутреннего блока Приемник сигналов Кнопка ручного запуска Дисплей Индикатор работы Индикатор оттаивания/ предварительного нагрева Индикатор ошибки Индикатор таймера Внимание! Панель может использоваться для управления блоком в случае, если пульт дис танционного управления ...
Страница 11 - Пульт управления LZ-UPW4F; Дисплей; произойдет переключение на режим AUTO.
11 5. Пульт управления LZ-UPW4F Дисплей 1 12 Блокировка Режим работы кондиционера Индикатор температуры/времени Скорость вентилятора Индикация работы таймера Индикация настройки температуры Индикатор работы функции «Follow Me» Режим работы кондиционера • Режим работы кондиционера — индикация текущег...
Страница 12 - Кнопки пульта управления LZ-UPW4F
12 Кнопки пульта управления LZ-UPW4F Кнопка включения/выключения Скорость вентилятора Увеличить значение температуры Уменьшить значение температуры Включение/выключение работы жалюзи Экономичный режим работы Включение/выключение блокировки пульта Изменение режимов работы Включение таймера Выключение...
Страница 13 - Управление кондиционером; Запуск кондиционера; В режиме вентиляции настройка температуры невозможна.
13 SWING Кнопка включения/выключения работы жалюзи. Нажмите эту кнопку для включения жалюзи, и жалюзи будут работать в автоматическом режиме. Повторное нажатие приведет к отключению автоматической работы, и жа- люзи останутся в том положении, в каком они были при нажатии кнопки. REPLACE LOCK RESET К...
Страница 14 - Режим AUTO; Примечание; В режиме Авто выбор скорости работы вентилятора осуществляется; Выбор скорости работы вентилятора; Примечания; Настройка температуры; на в режиме вентиляции.; Включение функции «Follow Me»; Дополнительный электрический нагреватель является опцией.
14 Режим AUTO 1. Чтобы выбрать работу в режиме Авто, нажимайте кнопку [MODE]. 2. С помощью кнопок [▼] и [▲] установите желаемую температуру в помещении в диапазоне от +17 до +30 °С. Примечание : В режиме Авто выбор скорости работы вентилятора осуществляется кондиционером. Выбор скорости работы венти...
Страница 15 - Настройка таймера; менятся с интервалом в 1 час.; Функции блокировки и сброса настроек; ра установится на 24 °С.; Настройка воздушного потока; Рекомендуем
15 Настройка таймера 1. Нажмите кнопку [TIMER ON] для установки времени включения кондиционера, и кнопку [TIMER OFF] для установки времени выключения. 2. Задайте нужное время нажимая на кнопку TIMER ON. Каждое нажатие на кнопку меняет показания на 30 минут. Когда значение времени превысит 10 часов, ...
Страница 16 - Подготовка к эксплуатации; Перед запуском кондиционера проверьте следующие вещи:; Провод заземления подключен правильно и надежно?; Включение питания
16 6. Подготовка к эксплуатации Перед запуском кондиционера проверьте следующие вещи: 1. Провод заземления подключен правильно и надежно? 2. Хорошо ли установлен фильтр? 3. Никакие предметы не перекрывают отверстия для воздуха? Включение питания Вставьте вилку питания в розетку и/или включите автома...
Страница 17 - Рекомендации по эксплуатации; Если вы долго не будете пользоваться кондиционером; Перед тем, как на длительное время отключить кондиционер; Перед тем, как включить кондиционер после длительного перерыва; Уход за кондиционером; Очистка внутреннего блока
17 7. Рекомендации по эксплуатации Для оптимальной эксплуатации кондиционера обратите внимание на следующее • Установите запланированное время работы с помощью таймера. • Установите приемлемую температуру для создания комфортных условий. Не устанавли- вайте слишком высокую или слишком низкую темпера...
Страница 18 - Очистка воздушного фильтра; минимум один раз в две недели.
18 Очистка воздушного фильтра Если фильтр забит пылью или другими инородными веществами, это повлияет на охлаждение или нагрев, а также велика вероятность того, что поток воздуха, создаваемый кондиционером, будет с неприятным запахом. Поэтому чистку фильтра следует проводить довольно часто, как мини...
Страница 19 - Очистка наружного блока; обслуживание авторизованными специалистами.; дорогостоящих деталей кондиционера!
19 Внимание! • Снимая фильтр, не прикасайтесь к металлическим частям устройства. Острые металличе- ские края могут порезать вас • Не используйте воду для очистки внутреннего блока. Это может вызвать поражение элек- трическим током. • Не подвергайте фильтр воздействию прямых солнечных лучей при сушке...
Страница 20 - Перед обращением в сервисный центр; онера, отключите электропитание и обратитесь в сервисный центр.; (вынули штепсель из розетки) и через 5 –10 секунд включили его снова.
20 8. Перед обращением в сервисный центр В случае возникновения следующих ситуаций немедленно остановите работу кондици - онера, отключите электропитание и обратитесь в сервисный центр. • Часто вспыхивает индикатор RUN или другой индикатор на панели индикации кондицио- нера и продолжает мигать после...
Страница 21 - Ситуации не связанные с неисправностью кондиционера; Режим «Обогрев» только что включился.
21 Ситуации не связанные с неисправностью кондиционера Следующие ситуации являются нормальными и не свидетельствуют о поломке. Защита компрессора. После остановки компрессор не работает в течении 3 минут в целях защиты. Предотвращение холодного воздухопотока В режиме «Обогрев» внутренний блок кондиц...
Страница 23 - Комплектность сплит-системы
23 9. Комплектность сплит-системы Сплит-система поставляется в комплекте с аксессуарами указанными ниже. Для установки кондиционера воздуха используйте аксессуары, входящие в комплект поставки. Неправиль- ный монтаж может привести к протечке воды, поражению электрическим током и возгоранию, а также ...
Страница 24 - Рабочая температура; Держите двери и окна в помещении закрытыми.
24 10. Рабочая температура Когда кондиционер используется за пределами следующих температурных диапазонов, за- щитные функции могут активироваться и привести к отключению устройства. Режим «Охлаждения» Режим «Обогрева» Режим «Осушения» Температура воздуха в помещении +17…+32 °С 0…+30 °С +10…+32 °С Т...
Страница 25 - Габаритные размеры; Внутренние блоки
25 11. Габаритные размеры Внутренние блоки C B A A B A A B A B 80 D D 92 D D D D D D 92 80 75 Отверстие для свежего воздуха Корпус 780 780 840 840 680 680 4 кронштейна крепления Сервисное отверстие дренажного насоса Газовая линия Жидкостная линия Плата управления 32 Дренажный патрубок Порт подключен...
Страница 26 - Наружные блоки
26 Наружные блоки W1W H A B D Модель W, мм D, мм H, мм W1, мм A, мм B, мм LU-HE24UMA2 845 363 702 914 540 350 LU-HE36UMA4 946 410 810 1030 673 403 LU-HE48UMA4 946 410 810 1030 673 403
Страница 28 - Порядок монтажа сплит-системы
28 12. Порядок монтажа сплит-системы 1. Безопасность превыше всего! Внимательно прочитайте инструкцию по монтажу оборудования перед началом монтажа. 2. Выберите место установки внутреннего блока Закрепите шпильки. Просверлите отверстия для трубопроводов хладагента, дре- нажа и проводов. Подготовьте ...
Страница 29 - шее обслуживание наружного блока.; При установке на крышу; предусмотрите маслоподъемные петли через каждые 6 метров.; Установка ветрозащитного экрана; Правильно
29 13. Монтаж сплит-системы Перед установкой прочитайте следующую информацию и действуйте согласно инструк циям. Внутренний блок • Устанавливайте внутренний блок вдали от нагревательных приборов. • Выберите место, где нет препятствий для входящего и исходящего потоков воздуха. • Убедитесь в возможно...
Страница 30 - Установка внутреннего блока; Выбор места
30 Установка внутреннего блока Выбор места Убедитесь, что: • Оборудование правильно подобрано для работы в данном помещении. • Потолок горизонтальный и его конструкция выдерживает вес оборудования. • Место может обеспечить установку, дальнейший осмотр и сервисное обслуживание обо- рудования. • Есть ...
Страница 31 - Установка основного блока
31 Установка основного блока • Подготовьте потолок (убедитесь в его горизонтальности). • Подготовьте в навесном потолке квадратное отверстие размером под внутренний блок, ис- пользуя шаблон. Шаблон вкладывается в каждый внутренний блок. • Центр отверстия должен совпадать с центром установки блока. 6...
Страница 32 - зуя прилагаемые шайбы и гайки.
32 • Лицевая панель должна закрывать подвесы, поэтому отмерьте их необходимую длину за- ранее. 1 2 3 4 30~ 35 мм 1 — потолок; 2 — крепление крюков к потолку; 3 — подвес; 4 — подвесной или фальшпотолок • Закрутите равномерно 4 шестигранные гайки на подвесах для ровной горизонтальной уста- новки блок...
Страница 33 - и сторонами блока было одинаковым со всех 4 сторон.
33 • Для проверки горизонтальности установки блока используйте уровень или виниловую тру- бочку. 1 1 2 2 1 — уровень воды; 2 — виниловая прозрачная трубочка • Если блок неправильно установлен, то возможны проблемы с отводом конденсата и поплав- ковый датчик может работать некорректно. Это может прив...
Страница 34 - Монтаж распределительных каналов
34 Монтаж распределительных каналов При необходимости распределять обработанный кондиционером воздух в разные части по- мещения Вы можете установить распределяющие каналы. Для распределения потоков воздуха в разные части помещения (или отвода части потока в соседнее помещение) выполните следующие оп...
Страница 35 - фильтрующий элемент для исключения подачи пыли в помещение.
35 Отверстие подвода свежего воздуха Ø75 мм Распределительный канал Распределительный канал Распределительный канал Распределительный канал Свежий воздух A B B A A B B A Модель A, мм B, мм LU-HE24UMA2 350 85 LU-HE36UMA4 350 155 LU-HE48UMA4 350 155 LU-HE55UMA4 350 155 Также возможна установка трубопр...
Страница 36 - ножа
36 Установка дополнительного воздуховода для свежего воздуха Подключение воздуховода для подачи свежего воздуха возможно к любому кассетному блоку LS-HE24BMA2, LS-HE36...55BMA4. В зависимости от типа корпуса воспользуйтесь подсказка- ми ниже. • Перед подключением приобретите или изготовьте самостоят...
Страница 38 - Установка наружного блока; мальные условия работы блока.; Сервисное пространство для наружного блока
38 14. Установка наружного блока Меры предосторожности • Не устанавливайте блок на открытом солнце, а также вблизи отопительных приборов. • Если установка блока в таком месте неизбежна, закройте его защитным экраном. • Если блок будет устанавливаться на побережье или на большой высоте, т.е. в местах...
Страница 39 - Шаг болтов; Перемещение и установка
39 Шаг болтов Производительность (кБТЕ/ч) D, мм A, мм B, мм C, мм 24 363 540 350 375 30/36 410 673 403 455 48/55 415 634 404 457 Перемещение и установка • Закрепите наружный блок с помощью анкерных болтов (M10) Зафиксировать болтом Необходимая ширина Глубина фундамента >60 см • При подъеме агрега...
Страница 40 - Слив конденсата с наружного блока; расположен в подходящем месте.
40 Слив конденсата с наружного блока Внимание! • В режиме НАГРЕВА наружный блок будет сбрасывать воду. Убедитесь, что сливной шланг расположен в подходящем месте. Порт для слива конденсата Корпус Прокладка ШтуцерШланг • При необходимости используйте сливной штуцер для подключения шланга для слива ко...
Страница 41 - Установка трубопровода отвода конденсата; Наружный диаметр патрубка для слива конденсата
41 15. Установка трубопровода отвода конденсата Трубопровод отвода конденсата служит для отвода воды из дренажной ванны внутреннего блока.. Неправильная установка может привести к повреждению устройства и имущества. Наружный диаметр патрубка для слива конденсата LS- HE24BMA 2 LS- HE36BMA4 LS- HE48BM...
Страница 42 - Верно; на 50 мм, он не должен находиться в воде.; трубы, как показано на следующем рисунке.
42 • Через каждые 1–1,5 метра по длине трубы необходимо установить опоры, чтобы предотвра- тить деформацию трубы, либо можно привязать дренажную трубу к соединительной трубе. Слишком большая дистанция Воздушная пробка Верно Верно Неправильно Дренажный трубопровод Направление потока воды Направление ...
Страница 43 - Проверка дренажа; Убедитесь в отсутствии препятствий по длине дренажной трубы.
43 Проверка дренажа 1. Убедитесь в отсутствии препятствий по длине дренажной трубы. В строящихся зданиях эту проверку необходимо выполнить до зашивки потолка. 2. Откройте отверстие для проверки отвода конденсата на внутреннем блоке. 3. При помощи гибкого шланга небольшого диаметра залейте не менее 2...
Страница 44 - Монтаж линии хладагента; туре. Это может привести к взрыву и травмам.; Диаметры трубопроводов; наружный блок заправлен на заводе из расчета длины трубы не более; Маслоподьемные петли; Если внутренний блок установлен выше наружного блока:; вом трубопроводе могут предотвратить это.
44 16. Монтаж линии хладагента При подсоединении трубопровода хладагента не допускайте попадания в систему веществ или газов, кроме указанного хладагента. Присутствие других газов или веществ снижает про- изводительность системы и может вызвать аномально высокое давление в холодильном кон- туре. Это...
Страница 45 - Если наружного блок установлен выше внутреннего блока:
45 Жидкостная труба 10 м 10 м Если наружного блок установлен выше внутреннего блока: Рекомендуется не увеличивать диаметр вертикальных всасывающих линий хладагента, так как в системе должен поддерживаться возврат масла в компрессор за счет высокой скорости всасываемого газа. Если скорости упадут ниж...
Страница 46 - Основные требования к монтажу фреонопровода; Защитные меры при монтаже
46 Основные требования к монтажу фреонопровода Принцип Возможные проблемы Контрмеры Отсутствие влаги Дождь/снег могут попасть в трубы при монтаже. При хранении труб на холоде в них изнутри может образовы- ваться конденсат. При монтаже в трубы может попасть жидкость. Проверить трубопроводы перед нача...
Страница 47 - Не кладите трубу прямо на землю или грязную поверхность.; Подготовка трубы; Аккуратно и качественно выполняйте подготовку труб.
47 • Не кладите трубу прямо на землю или грязную поверхность. Монтажный скотч или крышка Скотч Пол Пол Не прикасайтесь к поверхности пола • Отрезайте трубу и удаляйте заусеницы, направив обрабатываемый конец вниз. Расположение внизу Расположение вверху Пайка Пайка • Убедитесь, что концы труб гермети...
Страница 48 - Гибка труб; Примечания по гибке труб; Развальцовка труб; Медная труба
48 Скошенный Шероховатый Заусенцы Труба Ример Срез 90° Гибка труб • Согните трубку нужным образом, соблюдая осторожность, чтобы не повредить ее. Примечания по гибке труб • Гнуть трубы можно руками, будьте аккуратны, чтобы не заломить и не замять их. • Угол изгиба не должен превышать 90°. • Начинайте...
Страница 49 - был установлен на расстоянии «А».
49 • Отрежьте кромку трубы труборезом. Внимание! Не используйте ножовку или лобзик для резки трубы. Это может привести к поломке оборудования изза попадания опилок в трубопровод. • Обработайте кромку трубы римером. Держите трубу кромкой вниз во избежание попадания опилок в трубу. Труба Ример Кромка...
Страница 50 - Подключение труб; При затяжке трубопроводов используйте два гаечных ключа.
50 Ручка Станина Конус Планка Рукоятка зажима R0.4~0.8 45 °± 2 ° 90 °± 4 ° Подключение труб При затяжке трубопроводов используйте два гаечных ключа. Осторожно! При слишком большом моменте возможно повреждение раструба, при слишком малень ком соединение будет негерметичным. Определить необходимый мо...
Страница 51 - Изоляция трубопроводов; Изоляционный материал; Изоляция фреонопровода; быть теплоизолированы.; Изоляция мест соединений труб; ции может привести к образованию конденсата.
51 Изоляция трубопроводов Изоляционный материал должен закрывать все открытые части труб с хладагентом, раструб- ных соединений с газовой и жидкостной стороны. Не допускается наличие зазоров между ними. Некачественная изоляция может быть причиной образования конденсата. Изоляционный материал Для изо...
Страница 52 - Теплоизоляцию закрепите монтажным скотчем.; Изоляция трубопровода отвода конденсата; сти трубы может образовываться конденсат.; Вакуумирование и проверка на утечку; пенчатым вакуумным насосом!; Назначение вакуумной сушки; привести к выходу из строя системы.
52 Теплоизоляция Слои изоляции должны заходить друг на друга Место стыка должно быть заизолировано полностью Теплоизоляцию закрепите монтажным скотчем. Изоляция трубопровода отвода конденсата Весь трубопровод отвода конденсата необходимо изолировать, иначе на внешней поверхно- сти трубы может образо...
Страница 53 - Порядок работы вакуумирования; — применяется при первом монтаже новой системы и при усло-; Специальная вакуумная сушка; Обычное вакуумирование; жить сушку в течение получаса.
53 Порядок работы вакуумирования Из-за разных условий монтажа могут быть выбраны два вида вакуумирования: Обычное вакуумирование — применяется при первом монтаже новой системы и при усло- вии, что установка трубопроводов проходила при отсутствии атмосферных осадков и относи- тельной влажности воздух...
Страница 54 - Проведите вакуумизацию системы в течении 1 часа.
54 Атмосферное д ав ление Вак уу м Время Вакуумная сушка (2 часа) Тест (1 час) Добавление хладагента Специальная вакуумная сушка 1. Проведите вакуумизацию системы в течении 1 часа. 2. После осушения вакуумированием, сорвать вакуум, заполнив систему азотом до избы- точного давления 0,5 кг/см 2 . Азот...
Страница 55 - Пожалуйста, обратите внимание на следующие моменты. Это важно!; блюдайте правила техники безопасности при работе с хладагентом!
55 Пожалуйста, обратите внимание на следующие моменты. Это важно! Внимание! Любая пайка трубопроводов при работе с R410A должна осуществляться только под азотом! Пайка в воздушной среде запрещена, так как оборудование может выйти из строя изза образования окалины на внутренних частях трубопровода! ...
Страница 56 - Дозаправка хладагента; вляется из расчета соединительной трубы равной 5 м.
56 Дозаправка хладагента После выполнения вакуумирования, в случаи, если длина трубы превышает 5 м, необходимо выполнить дозаправку системы хладагентом, т.к. на заводе заправка хладагентом осущест- вляется из расчета соединительной трубы равной 5 м. Необходимый объем дозаправки в таблице R410A LS- H...
Страница 57 - Процедура проверки; ки. Точки проверки обозначены на рисунке ниже.
57 Процедура проверки Порядок действий. 1. Плотно закройте (завинтите) заглушки на всех портах наружного блока. 2. Проверьте с помощью течеискателя или мыльной пены отсутствие утечек в точках провер- ки. Точки проверки обозначены на рисунке ниже. • Точка проверки 1: место соединения трубопроводов с ...
Страница 58 - Электрические соединения; Перед выполнение каких-либо электрических работ
58 17. Электрические соединения Перед выполнение каких-либо электрических работ прочтите данные правила: • Монтаж электропроводки должен осуществляться персоналом, имеющим необходимую квалификацию, в соответствии с электрическими коммутационными схемами, как в инструк- ции или на оборотной стороне к...
Страница 59 - Схемы подключения; ВНУТРЕННИЙ БЛОК
59 Питание Количество фаз 3 3 Напряжение / частота 380 В / 50 Гц 380 В / 50 Гц Автоматический выключатель, A 25 25 Подключение питания к наружному блоку, мм 2 5 × 2,5 5 × 2,5 Заземление 2,5 2,5 Соединительный кабель между внутренним и наруж- ным блоками, мм 2 Питание 4 x 1,0 4 x 1,0 Сигнальная линия...
Страница 60 - Подключение электропитания к наружному блоку; чтобы снять защитную панель.; Правила безопасности; ключению до решения всех проблем.
60 Подключение электропитания к наружному блоку Открутите винты технологической панели и потяните ее в показанном стрелкой направлении, чтобы снять защитную панель. Примечание: Соблюдайте осторожность, чтобы не поцарапать поверхность. Крышка Болты крепления Терминал подключения Внимание! На рисунке ...
Страница 62 - Установка панели; роняйте или не ударяйте панель.; Снятие лицевой решетки.; Отклоните ее на угол 45 градусов и снимите.; Установка; ним блоком не уменьшится до 5 –8 мм.
62 18. Установка панели Внимание! Никогда не кладите панель лицевой частью на пол или другие поверхности. Никогда не роняйте или не ударяйте панель. 1. Снятие лицевой решетки. • Одновременно сместите два фиксирующих ползунка, затем потяните ее слегка на себя. • Отклоните ее на угол 45 градусов и сни...
Страница 63 - Закройте воздухозаборную решетку.
63 Внимание! Проследите, чтобы провод привода жалюзи не был намотан вокруг поролонового уплот нителя. 5– 1/4–3/8") ② ③ ③ ④ ⑤ ⑥ • Если после того, как крепежные винты будут полностью затянуты, останется щель между панелью и потолком, необходимо снова подтянуть гайки подвесов блока. • Вы можете р...
Страница 64 - Подключение пульта управления; Подцепите отверткой крышку пульта ДУ и снимите ее.; Установка на стену; ветствующую середине верхней кромки пульта ДУ.
64 19. Подключение пульта управления Подцепите отверткой крышку пульта ДУ и снимите ее. Задняя крышка Передняя крышка Экран LCD Кнопки управления Защитная крышка Аккуратно тонкой отверткой нажмите на язычок и откройте панель Клеммная колодка для подключения проводов Винты крепления внутреннего корпу...
Страница 65 - личение длины до 15 метров.; Подключение проводов панели и проводного пульта ДУ; ль; Плата индикации
65 • Не забудьте оставить достаточно длинный конец кабеля для обслуживания пульта ДУ. • Длина кабеля в комплекте составляет 6,5 метра. При необходимости возможно уве личение длины до 15 метров. Подключение проводов панели и проводного пульта ДУ 5-жильный кабель 10-жильный кабель + 5 П у ль т управ ...
Страница 66 - ние на протяжении 3 минут после отключения.
66 20. Пусконаладка 1. Проведение испытаний возможно только после полного завершения монтажных работ. 2. Перед проведением испытаний необходимо удостовериться в следующем: • Внутренний и наружный блоки смонтированы правильно. • Трубопроводы и электропроводка проложены и смонтированы правильно. • Про...
Страница 67 - Регламентное сервисное обслуживание; Регламент сервисного обслуживания; Чистка теплообменника внутреннего блока.
67 21. Регламентное сервисное обслуживание Каждый кондиционер (в данном случае сплит-система, состоящая из внутреннего и наружно- го блоков) нуждается в периодическом сервисном обслуживании. Указанное обслуживание может выполнить специально обученный персонал согласно данному регламенту. Внимание! О...
Страница 68 - Коды ошибок
68 22. Коды ошибок Внутренние блоки Код ошибки или защиты Operation Timer Дисплей Ошибка EEPROM внутреннего блока 1 раз × E0 Ошибка коммуникаций между внутренним и наружным блоком 2 раза × E1 Ошибка контроля скорости вентилятора внутреннего блока 4 раза × E3 Ошибка датчика температуры воздуха Т1 5 р...
Страница 69 - BM
69 23. С хе мы с ое ди не ни й В ну тр ен ни е бло ки LS-H E 2 4 BM A 2 C N 1 CN 1 1 0 CN13 1 0 CN 6 4 CN 8 C N 1 0 2 C N 4 0 CN 5 E Y X CN 7 P 1 4 6 L N S 2 ( N ) 1 ( L ) кра сны й ж елты й сини й жалюзи CN14 T 2 T 1 Темп. в помещ. T 2 B Темп. теплообменника черный Темп. в средн. точке К наружному ...
Страница 71 - ПЛАТА
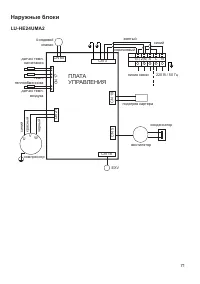
71 Наружные блоки LU-HE24UMA2 CN 18 конденсатор CN 5 CN 60 CN 19 желтый S 2 (N) L N 1 (L) CN 17 CN 3 U V W синий черный подогрев картера коричневый синий красный компрессор CN 21 ПЛАТА УПРАВЛЕНИЯ 4- ходовой клапан датчик темп. нагнетания датчик темп. воздуха темп. теплообменника EXV линия связи 220 ...
Страница 72 - UM; АВ
72 L U -H E 36UM A 4 ; L U -H E 4 8 UM A 4 CN24 CN23 CompT op CN507 CN504 CN502 CN503 CN506 5 3 CN 508 L3 L2 L1 N CN70 4 CN71 0 CN70 3 L1 L2 L3 CH2 1 S N S 2 (N) CH4 CN70 2 ПЛАТА УПР АВ ЛЕНИЯ 4-ходовой клапан конденса тор мо тор вентилят ора датчик темп. теплообменника Т3 EXV 6 нагреватель 2 нагрева...
Страница 74 - Класс энергоэффективности оборудования; Дата производства оборудования
74 24. Класс энергоэффективности оборудования Модель EER (класс энергоэффективности) COP (класс энергоэффективности) LS- HE24BMA2/LU- HE24UMA2 2,91 (C) 3,41 (B) LS- HE36BMA4/LU- HE36UMA4 2,81 (C) 3,61 (A) LS- HE48BMA4/LU- HE48UMA4 2,92 (C) 3,51 (B) LS- HE55BMA4/LU- HE55UMA4 2,81 (C) 3,41 (B) EER (En...