Культиваторы AL-KO MH 5005 R - инструкция пользователя по применению, эксплуатации и установке на русском языке. Мы надеемся, она поможет вам решить возникшие у вас вопросы при эксплуатации техники.
Если остались вопросы, задайте их в комментариях после инструкции.
"Загружаем инструкцию", означает, что нужно подождать пока файл загрузится и можно будет его читать онлайн. Некоторые инструкции очень большие и время их появления зависит от вашей скорости интернета.

441442_a
107
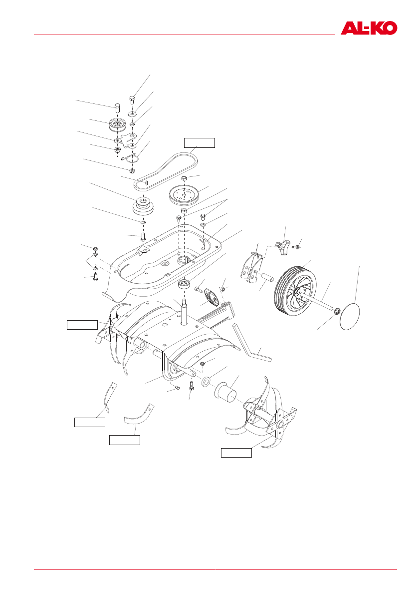
MH 4005 (2/2)
Art.Nr: 113255
401418
416245
700123
405103
416275
416271
700129
700121 (3)
700138 (6)
701321 (3)
700561
700139
401408
405111
416246
416247
701956
416240 416239
416273 (4)
700150
416242
416250
700390
700092
402964
701006
416256
402966
416249
407396 (2)
402960 (2)
702742
700121
410805
416266
416265
415997
416269
701006
416267
416270 (2)
415993 (2)
415994 (2)
416268
416272 (2)
409017
409016
700121




