Котел Термекс THERMEX Tesla 12-24 Wi-Fi ЭдЭБ02807 - инструкция пользователя по применению, эксплуатации и установке на русском языке. Мы надеемся, она поможет вам решить возникшие у вас вопросы при эксплуатации техники.
Если остались вопросы, задайте их в комментариях после инструкции.
"Загружаем инструкцию", означает, что нужно подождать пока файл загрузится и можно будет его читать онлайн. Некоторые инструкции очень большие и время их появления зависит от вашей скорости интернета.
Загружаем инструкцию

29
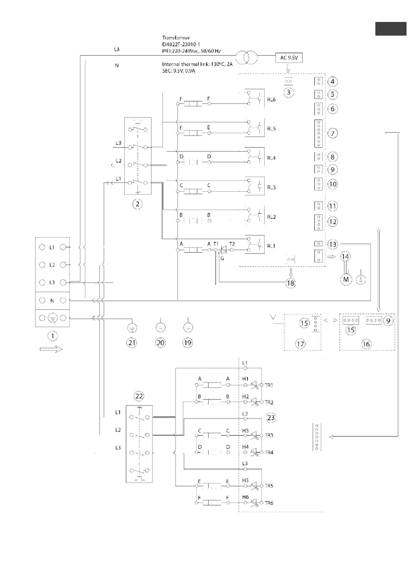
Рис
.11
. Электрическая схема
RU
Содержание
- 3 Технология беспроводной; юща я стабильную многопользователь-; Другие товары с удаленным; Отопление; Водоснабжение
- 5 УКАЗАНИЕ МЕР БЕЗОПАСНОСТИ
- 7 мм
- 9 КОНСТРУКЦИЯ ИЗДЕЛИЯ
- 17 Сброс настроек
- 21 Thermex
- 22 Блокировка панели управления: «Защита от детей»
- 26 разъемом
- 30 Внимание! Каждый провод и клемма должны быть плотно затя-
- 31 ЭЛЕКТРИЧЕСКАЯ СХЕМА; PCB
- 38 дования; Отключите подачу электропитания и слейте теплоноситель из си-
- 39 ПОИСК И УСТРАНЕНИЕ НЕИСПРАВНОСТЕЙ; . Коды ошибок, расшифровки и рекомендации по устранению
- 43 СВЕДЕНИЯ ОБ ИЗГОТОВИТЕЛЕ; THERMEX; Все модели прошли обязательную сертификацию и соответствуют
- 44 Tel
- 45 ОТМЕТКА О ПРОДАЖЕ; Фирма; ОТМЕТКА ОБ УСТАНОВКЕ
Можно ли подключить котел термекс 12-24 к 220 вольт.
Здравствуйте почему не запускается электрический котёл Тесла12-24
Выключил котел кнопкой выключения на панели. Он какое то время продолжал нагреваться. Итог ошибка Е10. Отключил автоматом. Сейчас выскочила ошибка Е4 85. Подскажите как устранят. Инструкция об этом умалчивает. Котел тесла 6-12
Здравствуйте, подскажите пожалуйста как убрать на котле Термекс Тесла ошибку Е09