Котел SIME RX 19 CE IONO - инструкция пользователя по применению, эксплуатации и установке на русском языке. Мы надеемся, она поможет вам решить возникшие у вас вопросы при эксплуатации техники.
Если остались вопросы, задайте их в комментариях после инструкции.
"Загружаем инструкцию", означает, что нужно подождать пока файл загрузится и можно будет его читать онлайн. Некоторые инструкции очень большие и время их появления зависит от вашей скорости интернета.

5
2.6
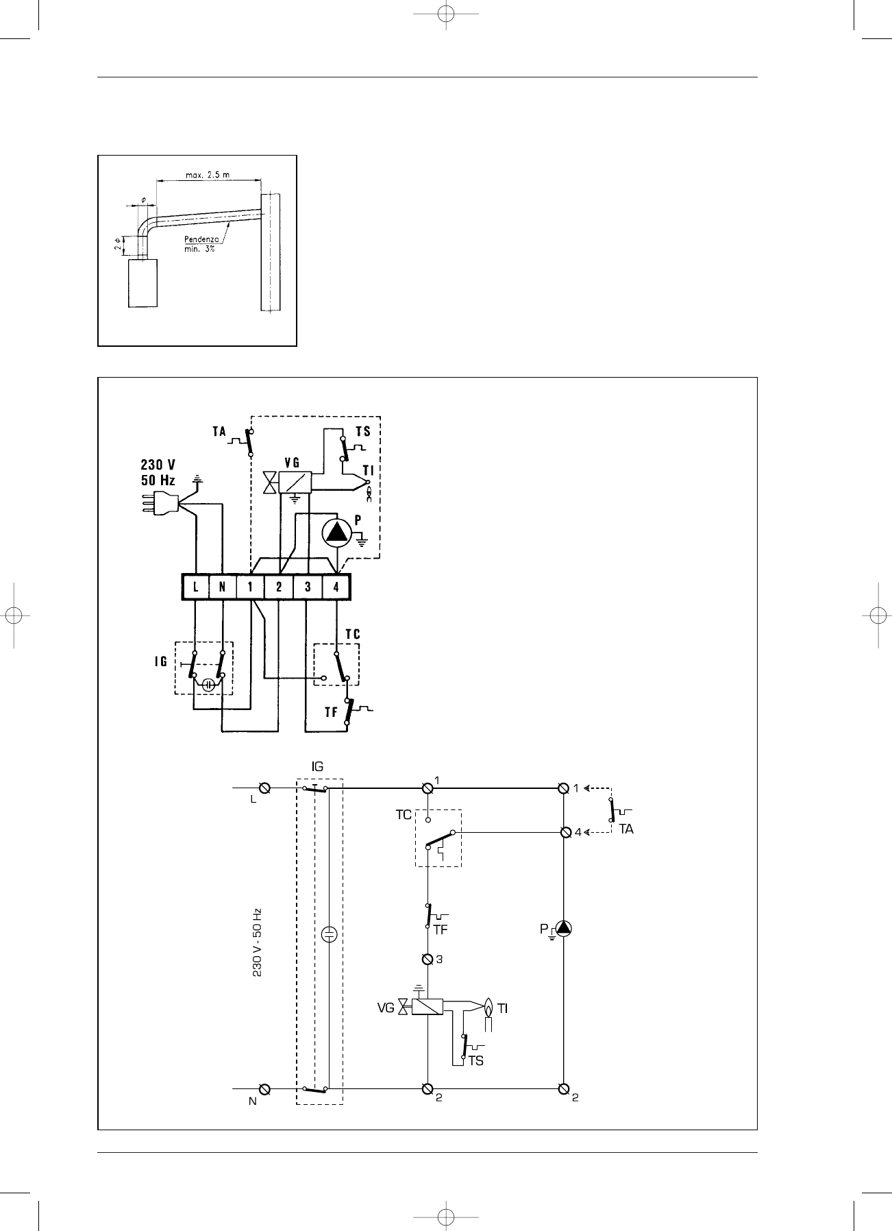
ùÎÂÍÚ˘ÂÒÍË ÔÓ‰Íβ˜ÂÌËfl.
äÓÚÂÎ ÔÓ‰Íβ˜‡ÂÚÒfl ˝ÎÂÍÚ˘ÂÒÍËÏ ¯ÌÛ-
ÓÏ ÔËÚ‡ÌËfl, ÍÓÚÓ˚È ‚ ÒÎÛ˜‡Â ÔÓ‚ÂʉÂ-
ÌËfl ‰ÓÎÊÂÌ ·˚Ú¸ ÔËÓ·ÂÚÂÌ Û SIME. èÓ‰-
Íβ˜ËÚ¸ ‡ÔÔ‡‡Ú Í Ó‰ÌÓÙ‡ÁÌÓÈ ˝ÎÂÍÚÓÒÂ-
ÚË ÏÓ˘ÌÓÒÚ¸˛ 230 Ç – 50 Ɉ ˜ÂÂÁ ‚˚Íβ-
˜‡ÚÂθ Ò Ô·‚ÍËÏ Ô‰Óı‡ÌËÚÂÎÂÏ, ‡Ò-
Ò Ú Ó fl Ì Ë Â Ï Â Ê ‰ Û Í Ó Ì Ú ‡ Í Ú ‡ Ï Ë Ï Ë Ì Ë Ï Û Ï
3 ÏÏ.
ëÓ‰ËÌflfl ÚÂÏÓÒÚ‡Ú ÔÓÏ¢ÂÌËfl, Û‰‡ÎËÚÂ
ÔÂÂÏ˚˜ÍÛ ÏÂÊ‰Û Á‡ÊËχÏË 1-4 ÍÎÂÏÏÌÓÈ
ÍÓÓ·ÍË.
á‡ÁÂÏÎÂÌË ÍÓÚ· Ó·flÁ‡ÚÂθÌÓ.
ᇂӉ-ËÁ„ÓÚÓ‚ËÚÂθ Ì ÌÂÒÂÚ ÌË͇ÍÓÈ
ÓÚ‚ÂÚÒÚ‚ÂÌÌÓÒÚË Á‡ ‚‰, Ô˘ËÌÂÌÌ˚È
ÌÂÁ‡ÁÂÏÎÂÌËÂÏ ÍÓÚ·.
êËÒ. 4
é·ÓÁ̇˜ÂÌËfl:
IG
Ç˚Íβ˜‡ÚÂθ/‚Íβ˜‡ÚÂθ ÍÓÚ·
P
ñËÍÛÎflˆËÓÌÌ˚È Ì‡ÒÓÒ (‰Îfl ÏÓ‰.
“PVA”
)
VG ɇÁÓ‚˚È Í·ԇÌ
TI
íÂÏÓÔ‡‡
TC
íÂÏÓÒÚ‡Ú ÍÓÚ·
TS
è‰Óı‡ÌËÚÂθÌ˚È ÚÂÏÓÒÚ‡Ú
TA
íÂÏÓÒÚ‡Ú ÔÓÏ¢ÂÌËfl
TF
Ñ˚ÏÓ‚ÓÈ ÚÂÏÓÒÚ‡Ú
èËϘ‡ÌËÂ: äÓ„‰‡ ˆËÍÛÎflˆËÓÌÌ˚È Ì‡ÒÓÒ
ÛÒÚ‡ÌÓ‚ÎÂÌ ‚Ì ÍÓÚ·, ˝ÎÂÍÚ˘ÂÒÍÓ ÒÓ‰ËÌÂÌËÂ
ÌÂÓ·ıÓ‰ËÏÓ ÓÒÛ˘ÂÒÚ‚ËÚ¸ ˜ÂÂÁ Á‡ÊËÏ˚
2 Ë 4 ÍÎÂÏÏÌÓÈ ÍÓÓ·ÍË.
Ç ÔÓÚË‚ÌÓÏ ÒÎÛ˜‡Â ÏÓÊÌÓ Ì‡·Î˛‰‡Ú¸ Á‡ÚÛı‡ÌËÂ
Ô·ÏÂÌË Á‡ÊË„‡ÌËfl.
êËÒ. 5
RX russo-my2.qxd 5/14/01 12:43 PM Page 5