Котел Protherm Пантера 30 KTV - инструкция пользователя по применению, эксплуатации и установке на русском языке. Мы надеемся, она поможет вам решить возникшие у вас вопросы при эксплуатации техники.
Если остались вопросы, задайте их в комментариях после инструкции.
"Загружаем инструкцию", означает, что нужно подождать пока файл загрузится и можно будет его читать онлайн. Некоторые инструкции очень большие и время их появления зависит от вашей скорости интернета.

37
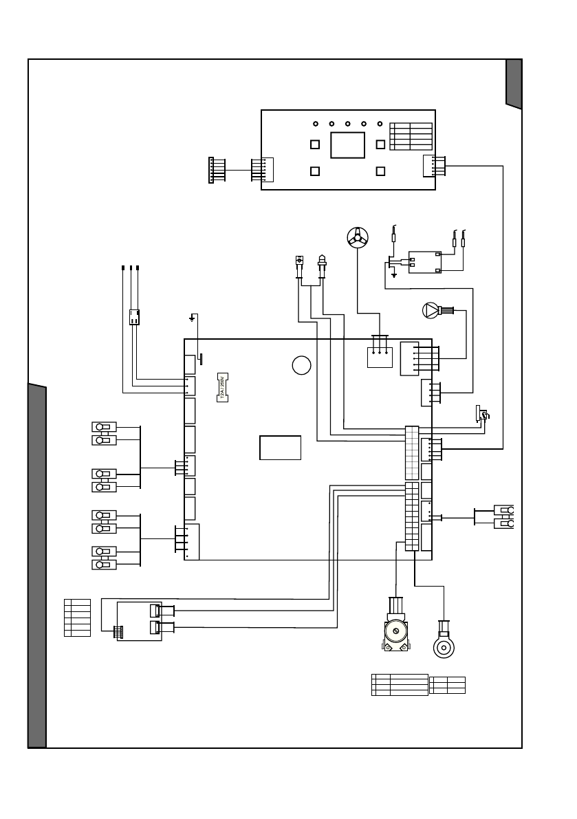
Электричес
кая сх
ема к
от
ла PRO
THERM Пантера 24 KT
O
Рис. 28
1 X2.24 3wv_SM_OUT_1
2 X2.12 3wv_SM_OUT_2
3 X2.23 3wv_SM_OUT_3
4 X2.11 3wv_SM_OUT_4
X90
X32
X22
X43
X51
X21
X41
X40
X91
X19
X17
X15
X10
X12
X101
X2
X20
X14
1
1
1
1
1
1
1
11
1
1
1
1
1
PE
N
N
L
L
PE
m
z/ž
h
1
2
3
4
5
7
8
9
10
6
11
12
13
14
15
16
17
18
1
2
1
2
m
m
čv
čr
X19.5
X19.2
X19.3
X19.4
m
m
z
ž
1
2
1
2
1
2
GND
+Vall
4
3
GND
m X20.8
čr X20.7
čv X20.5
1
2
m
b
X32.1
X32.2
eBUS
1
čr
Protherm
user interface
1
1 X51.1 GND
2 X51.2 reset
4 X51.4 +5 VDC
5 X51.5 +24 VDC
6 X51.6 P-eBUS
1
1 X2.20 signal
3 X2.19 +5 V
4 X2.17 GND
X40.2
X40.1
X40.3
X40.4
13 1
14 2
15 3
16 4
17 5
18 6
19 7
20 8
21 9
22 10
23 11
24 12
GASTEP1: G1
X2.3
X2.2
X2.4
X2.16
X2.14
X2.15
1
2
3
4
5
6
X11
1
1
X2.13
X2.14
X2.18
XT2.1
X20.10
X20.6
вентилятор
главный
выключатель
кабель питания
комнатный
термостат
датчик
накопительного
бака
наружный
NTC датчик
NTC датчик
накопительного
бака
насос
зажигательные
электроды
трансформатор
розжига ZIG
контрольный программный
интерфейс
трансформатор
датчик
TOP
датчик
давления
датчик
обратного
хода
серво-двигатель
трехходового клапана
ионизирующий
электрод
предохранительный клапан 1_2
предохранительный клапан 1_1
маностат
газовый
клапан
Содержание
- 2 сервисных и монтажных организаций.; Содержание
- 3 Введение
- 5 Управление и сигнализация; Главный выключатель; Рис
- 6 Установка температуры ГВС; Установка температуры ОВ; MODE; Индикация температуры ОВ
- 7 Нажимайте кнопку; нажатой; Сообщения о ошибках; Индикация неисправностей; Котел 5 раз попытается
- 8 Схема управления работой котла
- 9 Запуск котла; Ввод котла в; Остановка котла; Запуск и остановка котла; панели управления
- 10 Установка мощности котла; Защитные функции котла; Противоморозная защита
- 11 Перебой в подаче электроэнергии; Блокировка котла может; Защитный клапан; Все упомянутые; Сервис и уход; Дополнение воды в котел производится; Напускной клапан
- 12 Гарантия и гарантийные условия
- 13 Технические параметры 24 KOV / 24 KOO
- 14 Технические параметры 24 KTV / 24 KTO
- 15 Подсоединительные размеры котла KTV / KTO
- 16 Подсоединительные размеры котла KOV / KOO; Připojovací rozměry kotle; Полезное избыточное давление в систему
- 17 Рабочая схема котла 24 KTO / 24 KOO
- 18 Рабочая схема котла
- 19 Руководство по монтажу; Зоны
- 20 Монтажные расстояния
- 22 омплект поставки котла; клапаном; Рычаг предохранительнoго клапана; Руководство по уходу; Отдельная поставка
- 23 Трубопроводы; Перед подключением; Чистота отопительной системы; Подготовка к установке котла
- 25 Установка котла; Навеска котла
- 26 Во время работы котла; Повышение давления в баке
- 27 Подключение газа; . Внутренняя газораспределительная; Дополнение воды в котел; Сливной клапан расположен
- 28 Подача воздуха и отвод продуктов сгорания для котлов типа KTV; Диффузор
- 29 Способ; Способ B
- 30 Таблица 1; Подачa вентилятора; Способ B; – отвод продуктов сгорания
- 33 Электрическое подключение котла
- 34 Схема подключения внешних элементов для котлов типа
- 35 Перестройка на иной вид топлива; Подключение к котлу накопительного бака ГВС

