Котел Protherm Пантера 30 KTV - инструкция пользователя по применению, эксплуатации и установке на русском языке. Мы надеемся, она поможет вам решить возникшие у вас вопросы при эксплуатации техники.
Если остались вопросы, задайте их в комментариях после инструкции.
"Загружаем инструкцию", означает, что нужно подождать пока файл загрузится и можно будет его читать онлайн. Некоторые инструкции очень большие и время их появления зависит от вашей скорости интернета.

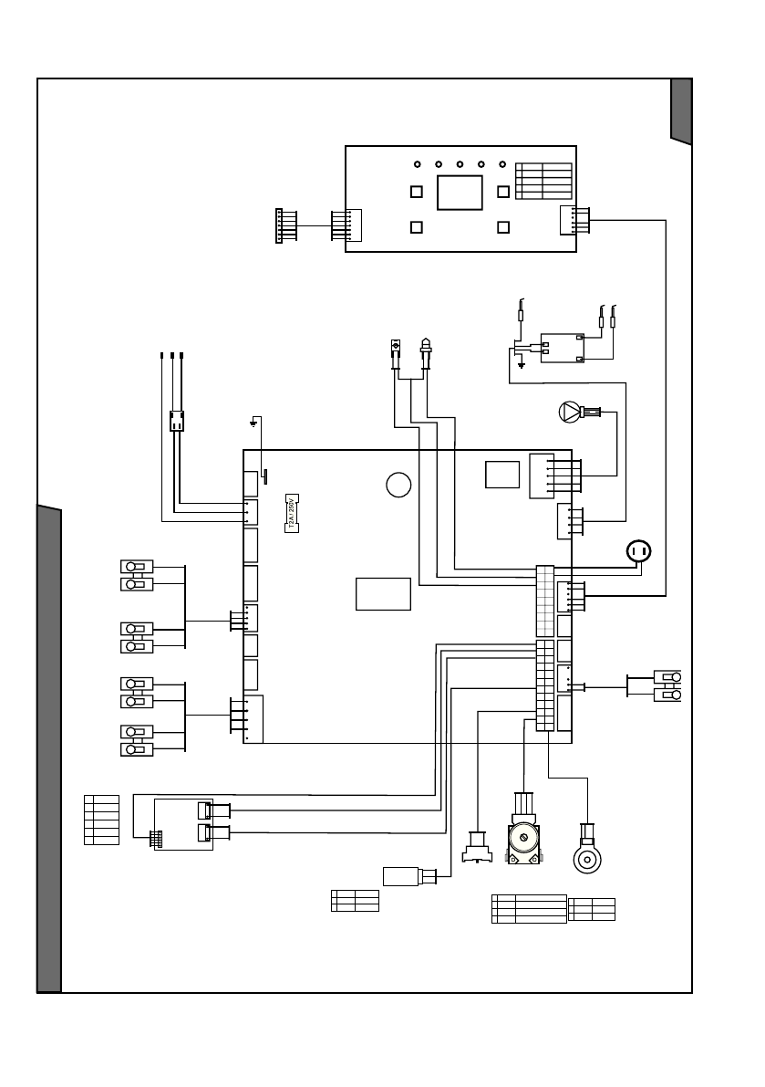
35
Электричес
кая сх
ема к
от
ла PRO
THERM Пантера 24 K
O
V
Рис. 26
1 X2.24  3wv_SM_OUT_1 
2 X2.12  3wv_SM_OUT_2 
3 X2.23  3wv_SM_OUT_3 
4 X2.11  3wv_SM_OUT_4 
X90
X32
X22 X43
X51
X21
X41
X40 X91
X19
X17
X15
X10
X12
X101
X2
X20
X14
1
1
1
1
1
1
1
1 1
1
1
1
1
1
главный
выключатель
кабель питания
PE
N
N
L
L
PE
m
z/ž h
1
2
3
4
5
7
8
9
10
6
11
12
13
14
15
16
17
18
1
1
2
2
1
1
2
2
m
m
čv
čr
комнатный
термостат
датчик
накопительного
бака
X19.5
X19.2
X19.3
X19.4
m
m
z
ž
1
1
2
2
1
1
2
2
наружный
NTC датчик
NTC датчик
накопительного
бака
насос
зажигательные
электроды
1
2
трансформатор
розжига ZIG
GND
+Vall
4
3
GND
контрольный программный
интерфейс
трансформатор
датчик
TOP
m X20.8
čr X20.7
čv X20.5
1
1
2
2
m
b
X32.1
X32.2
eBUS
1
čr
Protherm 
user interface 
1
1  X51.1  GND 
2  X51.2  reset 
4  X51.4  +5 VDC 
5  X51.5  +24 VDC 
6  X51.6  P-eBUS 
датчик
расхода ГХВ
2
3
1
FUGAS
1 X2.6    GND 
2 X2.10  signal 
3 X2.7    +5V 
1
датчик
давления
1 X2.20  signal 
3 X2.19  +5 V 
4 X2.17    GND 
датчик
обратного
хода
серво-двигатель
трехходового клапана
X2.9
X2.5
датчик
температуры
ГХВ
X40.2
X40.1
X40.3
X40.4
ионизирующий
электрод
13  1 
14  2 
15  3 
16  4 
17  5 
18  6 
19  7 
20  8 
21  9 
22  10 
23  11 
24  12 
GASTEP1: G1
X2.3 
X2.2 
X2.4 
X2.16 
X2.14 
X2.15 
1      
2    
3   
4     
5    
6   
X11
1
1
предохранительный клапан 1_2
X2.13
X2.14
предохранительный клапан 1_1
X2.18
XT2.1
перегрев
X20.13
X20.14
газовый
клапан
Содержание
- 2 сервисных и монтажных организаций.; Содержание
- 3 Введение
- 5 Управление и сигнализация; Главный выключатель; Рис
- 6 Установка температуры ГВС; Установка температуры ОВ; MODE; Индикация температуры ОВ
- 7 Нажимайте кнопку; нажатой; Сообщения о ошибках; Индикация неисправностей; Котел 5 раз попытается
- 8 Схема управления работой котла
- 9 Запуск котла; Ввод котла в; Остановка котла; Запуск и остановка котла; панели управления
- 10 Установка мощности котла; Защитные функции котла; Противоморозная защита
- 11 Перебой в подаче электроэнергии; Блокировка котла может; Защитный клапан; Все упомянутые; Сервис и уход; Дополнение воды в котел производится; Напускной клапан
- 12 Гарантия и гарантийные условия
- 13 Технические параметры 24 KOV / 24 KOO
- 14 Технические параметры 24 KTV / 24 KTO
- 15 Подсоединительные размеры котла KTV / KTO
- 16 Подсоединительные размеры котла KOV / KOO; Připojovací rozměry kotle; Полезное избыточное давление в систему
- 17 Рабочая схема котла 24 KTO / 24 KOO
- 18 Рабочая схема котла
- 19 Руководство по монтажу; Зоны
- 20 Монтажные расстояния
- 22 омплект поставки котла; клапаном; Рычаг предохранительнoго клапана; Руководство по уходу; Отдельная поставка
- 23 Трубопроводы; Перед подключением; Чистота отопительной системы; Подготовка к установке котла
- 25 Установка котла; Навеска котла
- 26 Во время работы котла; Повышение давления в баке
- 27 Подключение газа; . Внутренняя газораспределительная; Дополнение воды в котел; Сливной клапан расположен
- 28 Подача воздуха и отвод продуктов сгорания для котлов типа KTV; Диффузор
- 29 Способ; Способ B
- 30 Таблица 1; Подачa вентилятора; Способ B; – отвод продуктов сгорания
- 33 Электрическое подключение котла
- 34 Схема подключения внешних элементов для котлов типа
- 35 Перестройка на иной вид топлива; Подключение к котлу накопительного бака ГВС

 
  
  
  
  
  
  
  
  
  
  
  
  
  
  
  
  
  
  
  
  
  
  
  
  
  
  
  
  
  
  
  
  
  
  
  
  
  
  
 