Котел Protherm Медведь 50 KLZ - инструкция пользователя по применению, эксплуатации и установке на русском языке. Мы надеемся, она поможет вам решить возникшие у вас вопросы при эксплуатации техники.
Если остались вопросы, задайте их в комментариях после инструкции.
"Загружаем инструкцию", означает, что нужно подождать пока файл загрузится и можно будет его читать онлайн. Некоторые инструкции очень большие и время их появления зависит от вашей скорости интернета.

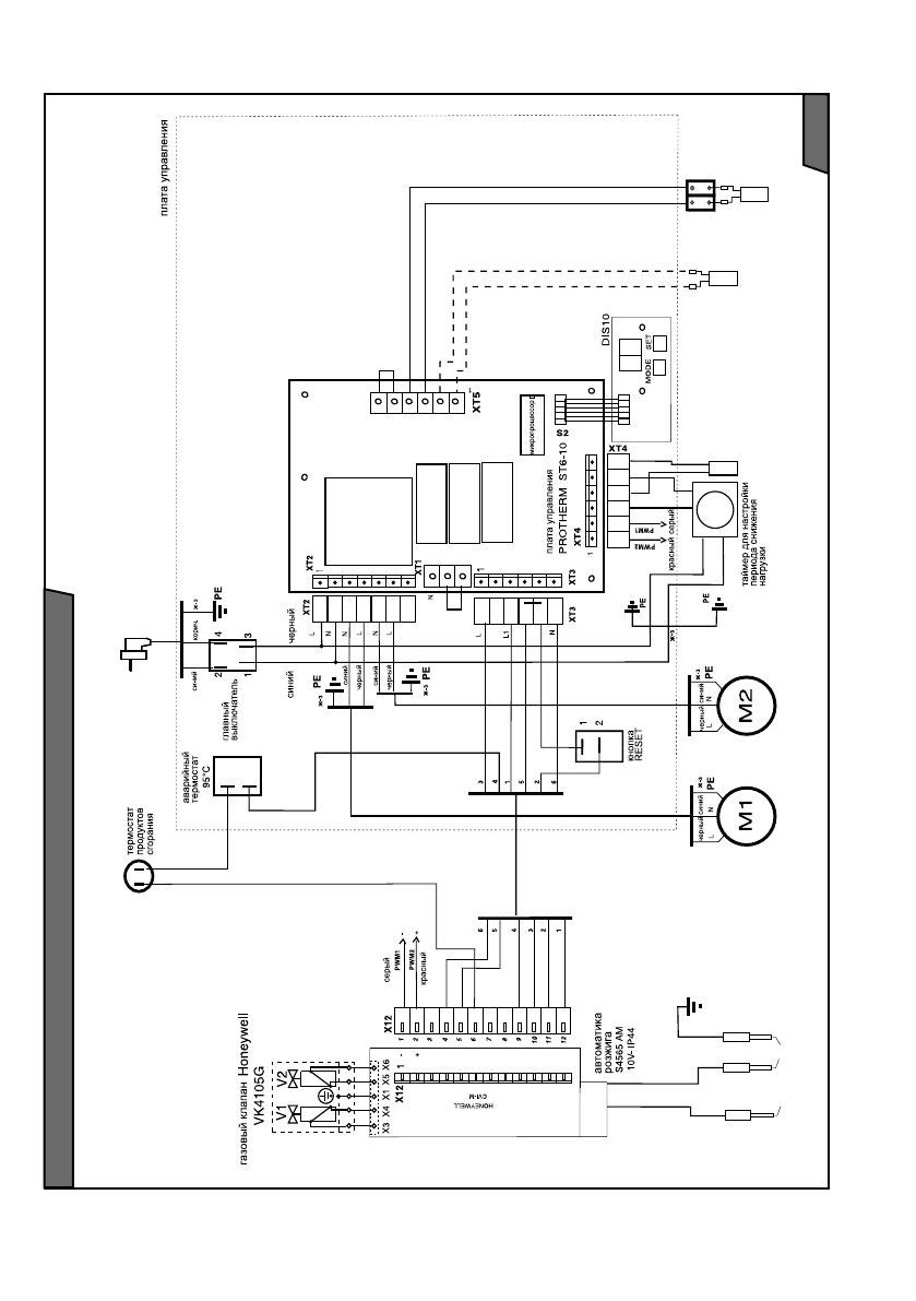
31
Электричес
кая сх
ема к
от
ла PRO
THERM
20 (30,
40,
50) KLZ
Рис
. 1
0
Элек
тро
д
роз
жиг
а
Элек
тро
д
ионизации
Нас
ос
о
топит
ельный
Нас
ос
бойлера
Да
тч
и
к
кот
л
а
Да
тчик
нар
уж
н
о
й
темпера
туры
Да
тчик
бойлера
Ком
на
тный
рег
улят
ор
По
дк
лю
ч
ение
ту
р
бонасад
ки
По
дк
лю
чение
се
тевог
о
напряж
ения
Содержание
- 2 Плавная модуляция мощности; М Е Д В Е Д Ь; Руководство по монтажу; Напольный чугунный котел
- 4 Медведь; Obsah; Содержание
- 5 Введение
- 7 Управление и сигнализация; Главный выключатель
- 8 Установка температуры отопления
- 9 Эквитермический режим; Установка крутизны кривой; Параллельное смещение кривой; Рис
- 11 Сообщения об ошибках; Таймер
- 12 Пуск и отключение котла
- 13 Защитные функции котла
- 14 Защита от перегрева; Сервис и уход
- 15 Гарантийные условия
- 16 Технические параметры
- 18 ød
- 23 Комплектность поставки
- 24 Подготовка к установке котла
- 26 Установка котла
- 28 Обслуживание котла; Регулирующая газовая арматура
- 30 Запуск насоса; Стартовая мощность котла
- 31 Электрическое подключение котла
- 32 Перестройка на иной вид топлива