Котел Protherm Medved 40 KLZ - инструкция пользователя по применению, эксплуатации и установке на русском языке. Мы надеемся, она поможет вам решить возникшие у вас вопросы при эксплуатации техники.
Если остались вопросы, задайте их в комментариях после инструкции.
"Загружаем инструкцию", означает, что нужно подождать пока файл загрузится и можно будет его читать онлайн. Некоторые инструкции очень большие и время их появления зависит от вашей скорости интернета.

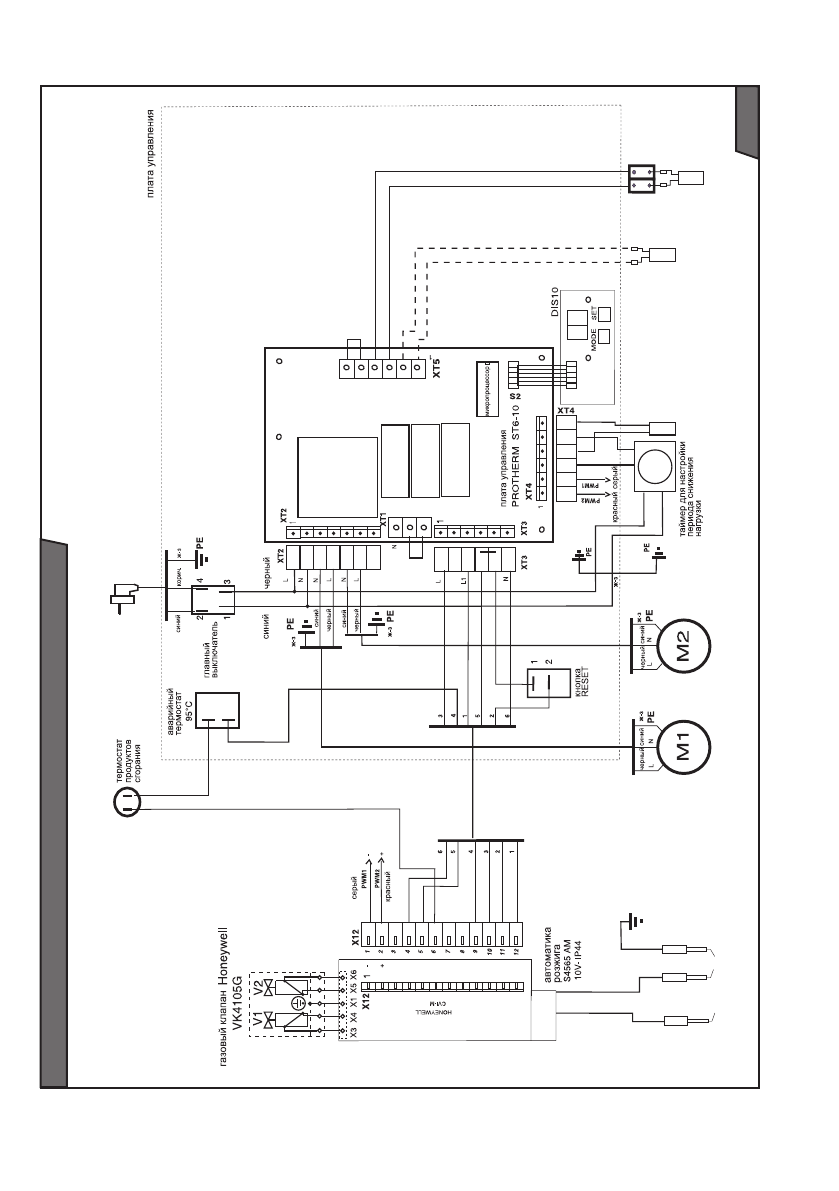
31
Электричес
кая сх
ема к
о
тла PRO
THERM
20 (30,
40,
50) KLZ
Рис
. 1
0
Элек
тро
д
роз
жиг
а
Элек
тро
д
ионизации
Нас
ос
от
опит
ельный
Нас
ос
бойлера
Да
тч
ик
кот
ла
Да
тчик
нар
уж
но
й
те
мпера
ту
ры
Да
тчик
бойлера
Ком
на
тный
рег
улят
ор
По
дк
лю
чение
ту
рбонасад
ки
По
дк
лю
чение
се
тевог
о
напряж
ения
Содержание
- 3 Медведь; Obsah; Содержание
- 4 Введение
- 6 Управление и сигнализация; Главный выключатель
- 7 Установка температуры отопления
- 8 Эквитермический режим; Установка крутизны кривой; Параллельное смещение кривой; Рис
- 10 Сообщения об ошибках; Таймер
- 11 Пуск и отключение котла
- 12 Защитные функции котла
- 13 Защита от перегрева; Сервис и уход
- 14 Гарантийные условия
- 15 Технические параметры
- 17 ød
- 19 Руководство по монтажу
- 22 Комплектность поставки
- 23 Подготовка к установке котла
- 25 Установка котла
- 27 Обслуживание котла; Регулирующая газовая арматура
- 29 Запуск насоса; Стартовая мощность котла
- 30 Электрическое подключение котла
- 31 Перестройка на иной вид топлива
- 36 Slovak republic