Котел Protherm Medved 30 TLO - инструкция пользователя по применению, эксплуатации и установке на русском языке. Мы надеемся, она поможет вам решить возникшие у вас вопросы при эксплуатации техники.
Если остались вопросы, задайте их в комментариях после инструкции.
"Загружаем инструкцию", означает, что нужно подождать пока файл загрузится и можно будет его читать онлайн. Некоторые инструкции очень большие и время их появления зависит от вашей скорости интернета.

16
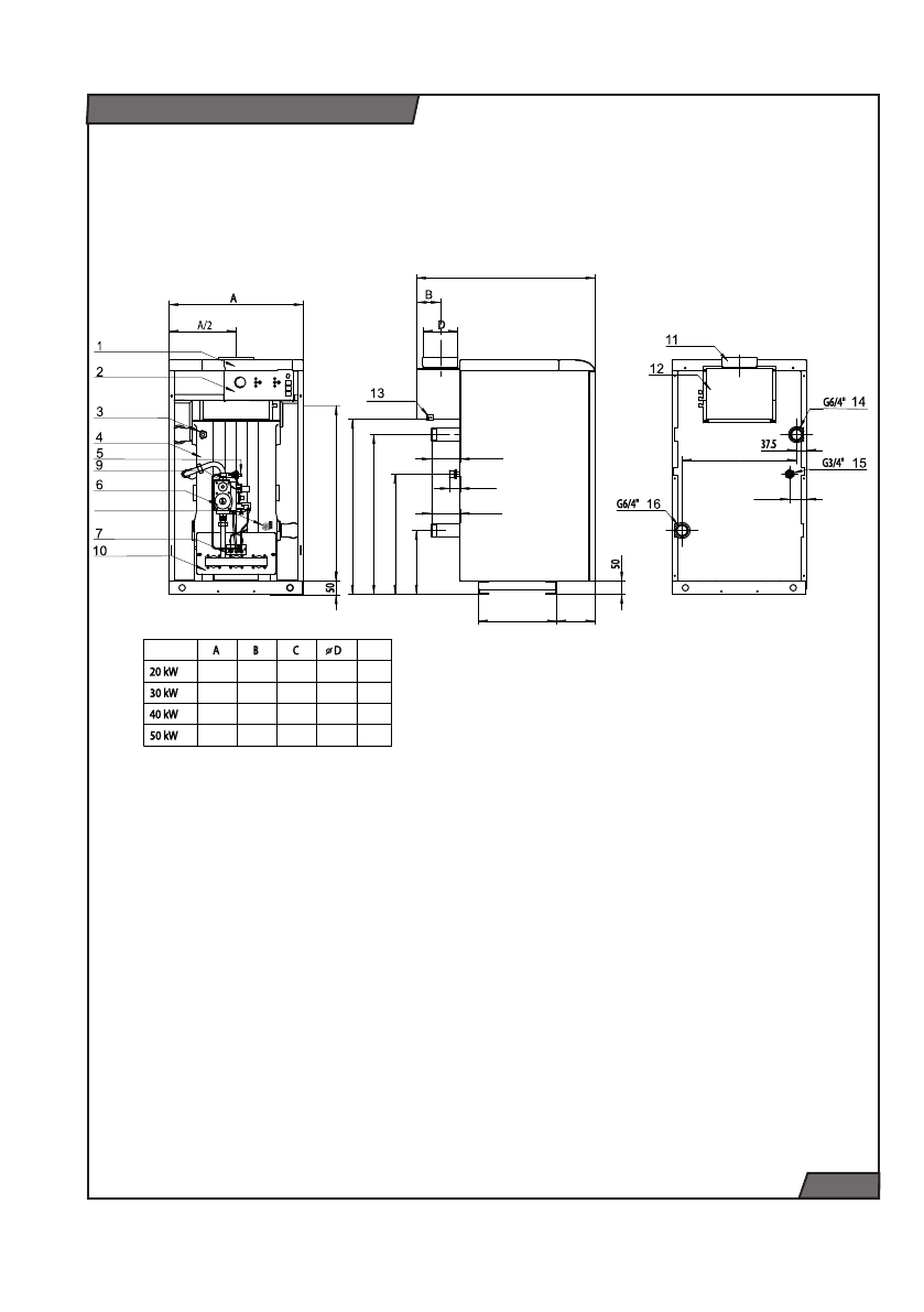
Размеры для подключения котла
рис. 2
1. Панель управления
9. Ниппель для измерения давления газа
2. Сервисные элементы
10. Горелка
3. Датчик температуры теплоносителя
11. Штуцер дымохода
4. Чугунный теплообменник
12. Стабилизатор тяги
5. Кнопка пьезорозжига
13. Термостат продуктов сгорания
6. Газовая арматура
14. Подающая линия системы отопления
7. Запальная горелка
15. Подсоединение газа
8. Кран заполнения и слива теплоносителя
16. Обратная линия системы отопления
260
260
160
160
60
60
50
50
C
E
20
23523
5
46046
0
59559
5
83083
0
83083
0
160
160
600
600
110
110
100
100
100
130
130
600
600
180
180
620
620
620
620
600
600
675
675
590
590
505
505
420
420
150
150
515
515
430
430
345
345
130
130
E
8
Содержание
- 4 Уважаемый Покупатель !; Введение
- 5 Низкотемпературный котёл; Использование чугунного теплообменника
- 6 Руководство по эксплуатации; Характеристика котла и типы; Котёл имеет следующий типовой ряд:
- 7 Облицовка; Предназначение и технические нормы безопасности
- 9 Установка котла; Комнатный регулятор
- 10 Описание функций управляющих элементов.; Управляющие элементы котла находятся
- 11 Функция; СКТД; Подготовка и запуск котла; Розжиг запальной горелки:; Первый пуск; Эксплуатация котла
- 12 Техническое обслуживание; а) при необходимости помыть облицовку; Указания по безопасности
- 13 Стандартная поставка; Отдельно можно заказать:
- 15 Рабочая схема котла
- 16 Размеры для подключения котла
- 18 Последовательность при розжиге и отключении котла; Тип
- 19 После общей настройки:
- 20 Переналадка на другой вид топлива; Проверьте на герметичность места соеди-
- 21 Условные обозначения :; HT; - аварийный термостат; TS; - термостат продуктов сгорания; PTTOP; - комнатный регулятор; ТЕРМОПАРА 1