Котел Protherm Бобер 60 DLO - инструкция пользователя по применению, эксплуатации и установке на русском языке. Мы надеемся, она поможет вам решить возникшие у вас вопросы при эксплуатации техники.
Если остались вопросы, задайте их в комментариях после инструкции.
"Загружаем инструкцию", означает, что нужно подождать пока файл загрузится и можно будет его читать онлайн. Некоторые инструкции очень большие и время их появления зависит от вашей скорости интернета.

19
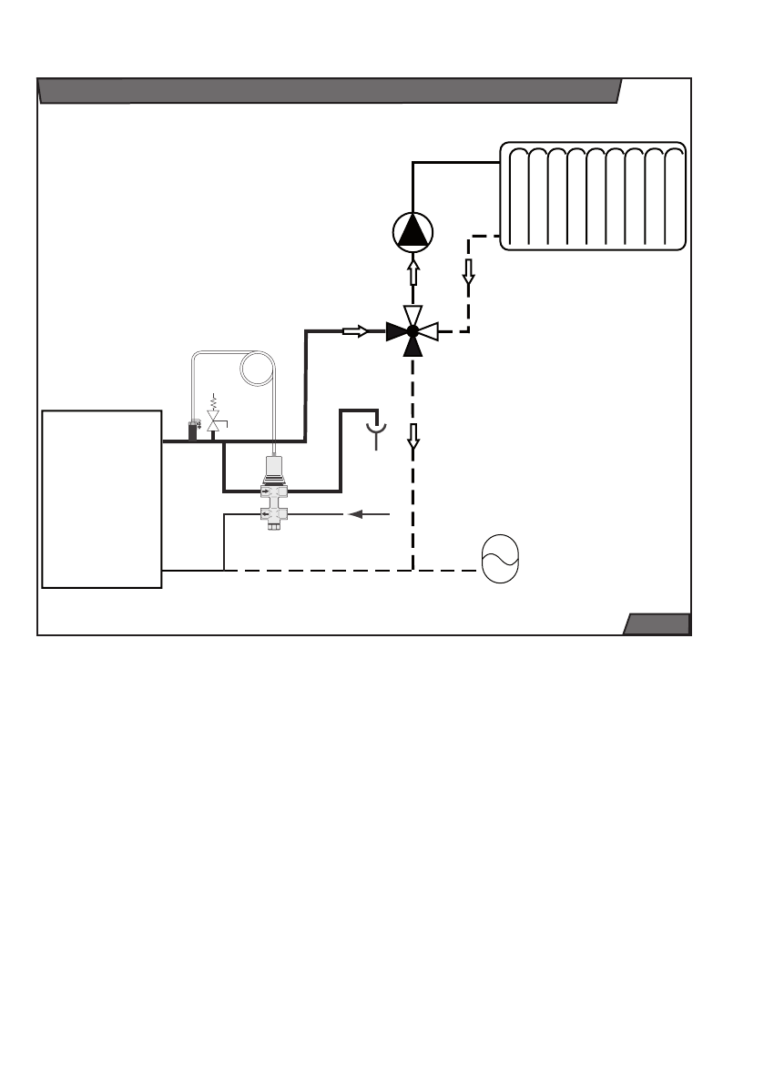
Предупреждение: Котёл не имеет ни
встроенного расширительного бака, ни
предохранительного клапана, поэтому
его можно подключать только к системе
отопления, в которой эти элементы уже
предусмотрены.
рис.
16
Пример использования котла „БОБЁР“ в отопительной системе
Котёл
на
твёрдом
топливе
S
C
ХВ
Содержание
- 3 Protherm „Бобeр“; Содержание
- 4 Введение
- 6 Руководство по обслуживанию; Общее описание котла „БОБЁР“; Виды топлива
- 8 Клапан безопасности Caleffi 544
- 9 Ввод в эксплуатацию; Проверка котла перед вводом в
- 10 Обслуживание; Растопка
- 13 Гарантия и гарантийные условия; Чистка котла
- 14 Руководство по монтажу; Комплект поставки; Общая информация об установке; Монтаж
- 16 Котельная
- 18 Описание котла „Бобёр „; Части котла „Бобёр“
- 19 Гидравлическое сопротивление котла; Технические параметры котла „Бобёр“