Котел Ferroli PegASUS F3 N 2S - инструкция пользователя по применению, эксплуатации и установке на русском языке. Мы надеемся, она поможет вам решить возникшие у вас вопросы при эксплуатации техники.
Если остались вопросы, задайте их в комментариях после инструкции.
"Загружаем инструкцию", означает, что нужно подождать пока файл загрузится и можно будет его читать онлайн. Некоторые инструкции очень большие и время их появления зависит от вашей скорости интернета.

Pegasus F3 N 2S
35
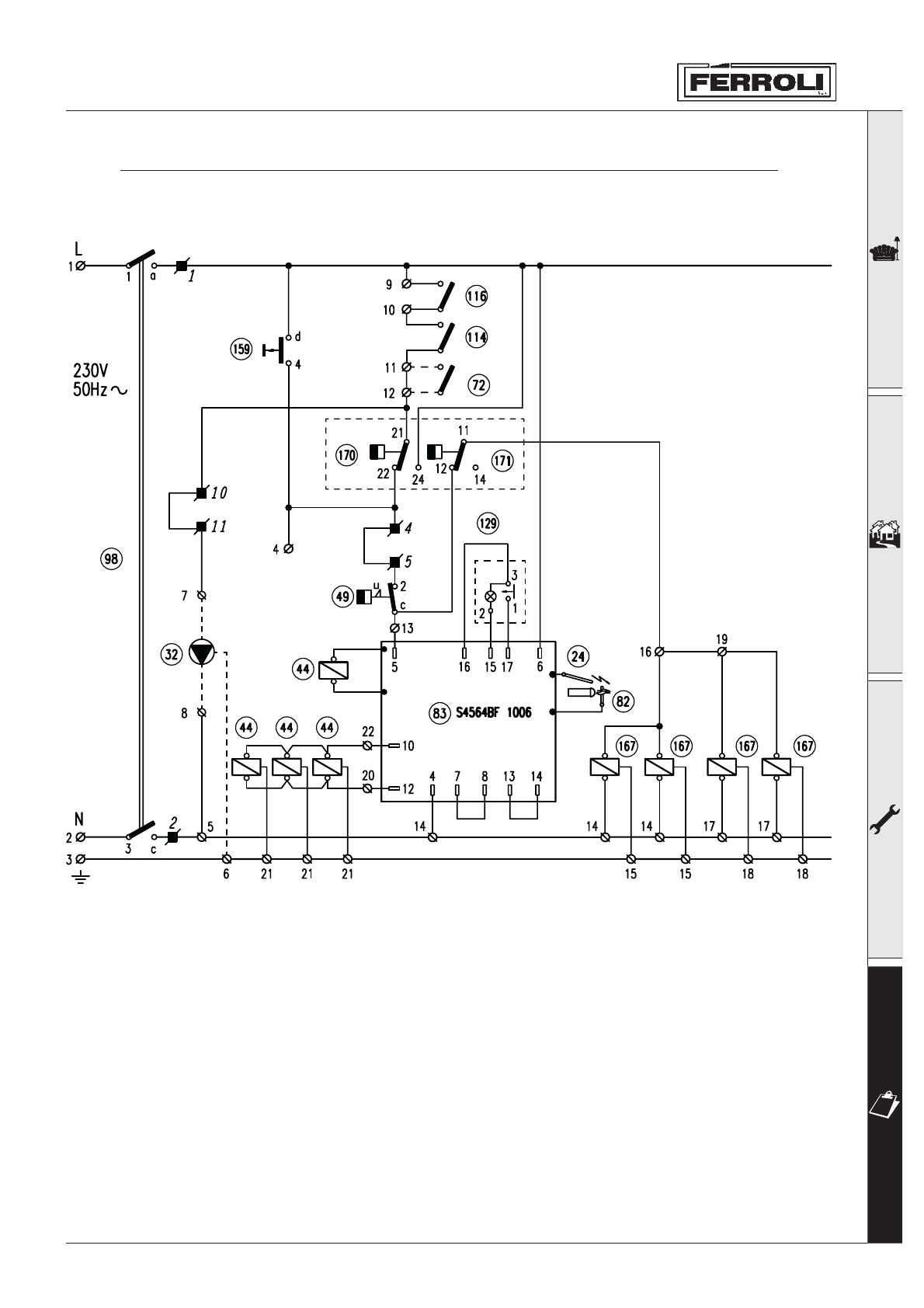
fiÔÍ˽Ͳ ùÔ¯ˆÚÏʸ¯ÁˆÍ˛ Á‰¯˙Í Ô˛ ˙Ó¯Ô¯ı 153, 170, 187, 221, 255 Ê 289
—ÊÁ. 14d
”ÎÊÁÍ˝Ê¯
24 úÔ¯ˆÚÏÓ ÏÓÙ≈Ê˘Í
32 ˚ÊψÈÔ˛˚ÊÓ˝˝˜ı ˝ÍÁÓÁ ÁÊÁÚ¯˙˜ ÓÚÓÎÔ¯˝Ê˛
44 fiÍÙÓ˘ı ˆÔÍÎÍ˝
49 ◊¯Ï˙ÓÁÚÍÚ ¬¯ÙÓÎÍÁ˝ÓÁÚÊ
72 ◊¯Ï˙ÓÁÚÍÚ ÎÓ˙¯Û¯˝Ê˛ (˝¯ ÎÓÁÚÍËÔ˛¯ÚÁ˛)
82 úÔ¯ˆÚÏÓ ˆÓ˝ÚÏÓÔ˛ ÎÔÍ˙¯˝Ê
83 úÔ¯ˆÚÏÓ˝˝˜ı ˆÓ˝ÚÏÓÔÔ¯Ï
98 Õ˜ˆÔ√¸ÍÚ¯ÔÒ
114 ’Íڸʈ ÍËÔ¯˝Ê˛ ËÓ˜
116 ’Íڸʈ ÍËÔ¯˝Ê˛ ˘ÍÙÍ
129 ¤˝ÓÎˆÍ Î¯Ï¯ÙÍÎÈÁˆÍ Á ÁÊ˘˝ÍÔÒ˝Óı ÔÍ˙ÎÓ¸ˆÓı
159 ¤˝ÓÎˆÍ Ú¯ÁÚÊÏÓËÍ˝Ê˛
167 ˘ÍÙÓ˘ı ˆÔÍÎÍ˝ ËÚÓÏÓı ÁÚÈί˝Ê
170 ίÏËͲ ÁÚÈί˝Ò ϯ˘ÈÔÊÏÈ√Û¯˘Ó Ú¯Ï˙ÓÁÚÍÚÍ
171 ËÚÓÏͲ ÁÚÈί˝Ò ϯ˘ÈÔÊÏÈ√Û¯˘Ó Ú¯Ï˙ÓÁÚÍÚÍ
242 ¤Ó˝Ú͈ÚÓÏ Ô˛ Ú¯Ï˙ÓÁÚÍÚʸ¯ÁˆÓ˘Ó ˆÓ˝ÚÏÓÔÔ¯ÏÍ
úÔ¯ˆÚÏʸ¯ÁˆÊ¯ ÎÓˆÔ√¸¯˝Ê˛ ˘ÎÓÔ˝˛√ÚÁ˛ ˙Ó˝ÚÍ≈˝ÊˆÓ˙