Котел Ferroli PegASUS F3 N 2S - инструкция пользователя по применению, эксплуатации и установке на русском языке. Мы надеемся, она поможет вам решить возникшие у вас вопросы при эксплуатации техники.
Если остались вопросы, задайте их в комментариях после инструкции.
"Загружаем инструкцию", означает, что нужно подождать пока файл загрузится и можно будет его читать онлайн. Некоторые инструкции очень большие и время их появления зависит от вашей скорости интернета.

Pegasus F3 N 2S
16
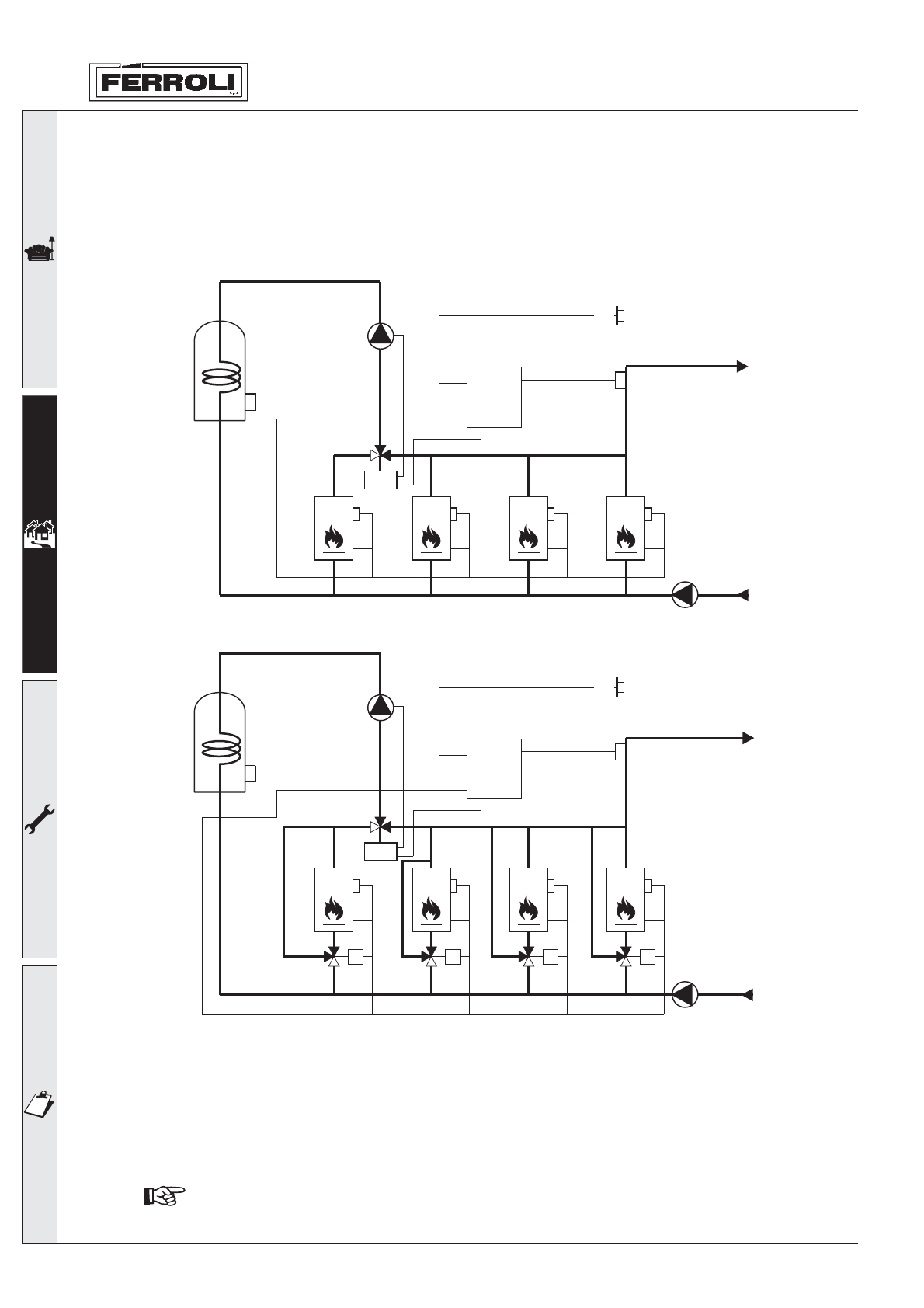
ÃÊÁÚ¯˙Í 1: 4 -‰ ˙ÓÈÔÒ˝Í˛ ÁÊÁÚ¯˙Í Ô˛ ÓÚÓÎÔ¯˝Ê˛ Ê fiÕÃ
–ÏÊ˙¯˝¯˝Ê¯
”ÚÓÎÔ¯˝Ê¯ Ê ÎÏÓÊÙËÓÁÚËÓ fiÕ ¸¯Ï¯Ù ίϯÎÈÁˆ˝Óı ˆÔÍÎÍ˝ Á ÎÏÊ˙¯˝¯˝Ê¯˙ 4-‰ ˙ÓÈÔÒ˝Óı ÁÊÁÚ¯˙˜.
¤Ó˘Í ÁÊÁÚ¯˙Í ÎÏÓÊÙËÓÊÚ ˘ÓÏ˛¸È√ ËÓÈ Ô˛ fiÕÃ, ˆÓ˝ÚÏÓÔÔ¯Ï ÎÓÁÔ¯ÓËÍÚ¯ÔÒ˝ÓÁÚÊ ÈÎÏÍËÔ˛¯Ú
ÚÓÔÒˆÓ Ó˝Ê˙ ˆÓÚÔÓ˙, Ó¬ÓÙ˝Í¸¯˝˝˜˙ ˝Í —ÊÁ. 12a - 12b ˆÍ C1
T4
T5
P1
C1
C2
C3
C4
W6050C
P2
VD
B
T3
T4
T5
P1
C1
C2
C3
C4
W6050C
P2
VD
B
T3
V1
V2
V3
V4
—ÊÁ. 12a
—ÊÁ.
12b
”ÎÊÁÍ˝Ê¯:
C1 - C2 - C3 - C4 = flÓÈÔÊ ÁÊÚ¯˙˜
V1 - V2 - V3 - V4 = 3-‰ ‰ÓÓ˘¯ ˆÏÍ˝˜
B = ∆ÓıÔ¯Ï
VD = –¯Ï¯ÎÈÁˆ˝Óı ˆÔÍÎÍ˝
T3 = Õ˝¯Ì˝Êı Íڸʈ
T4 = ’Íڸʈ ¬ÓıÔ¯ÏÍ
T5 = ’Íڸʈ ÎÓÍ√Û¯˘Ó ˆÓÔÔ¯ˆÚÓÏÍ
P1 = ‡ÊψÈÔ˛˚ÊÓ˝˝˜ı ˝ÍÁÓÁ ÓÚÓÎÔ¯˝Ê˛
P2 = ‡ÊψÈÔ˛˚ÊÓ˝˝˜ı ˝ÍÁÓÁ ¬ÓıÔ¯ÏÍ