Котел Ferroli PegASUS F2 - инструкция пользователя по применению, эксплуатации и установке на русском языке. Мы надеемся, она поможет вам решить возникшие у вас вопросы при эксплуатации техники.
Если остались вопросы, задайте их в комментариях после инструкции.
"Загружаем инструкцию", означает, что нужно подождать пока файл загрузится и можно будет его читать онлайн. Некоторые инструкции очень большие и время их появления зависит от вашей скорости интернета.

Pegasus F2 N 2S
27
—ÊÁ. 24
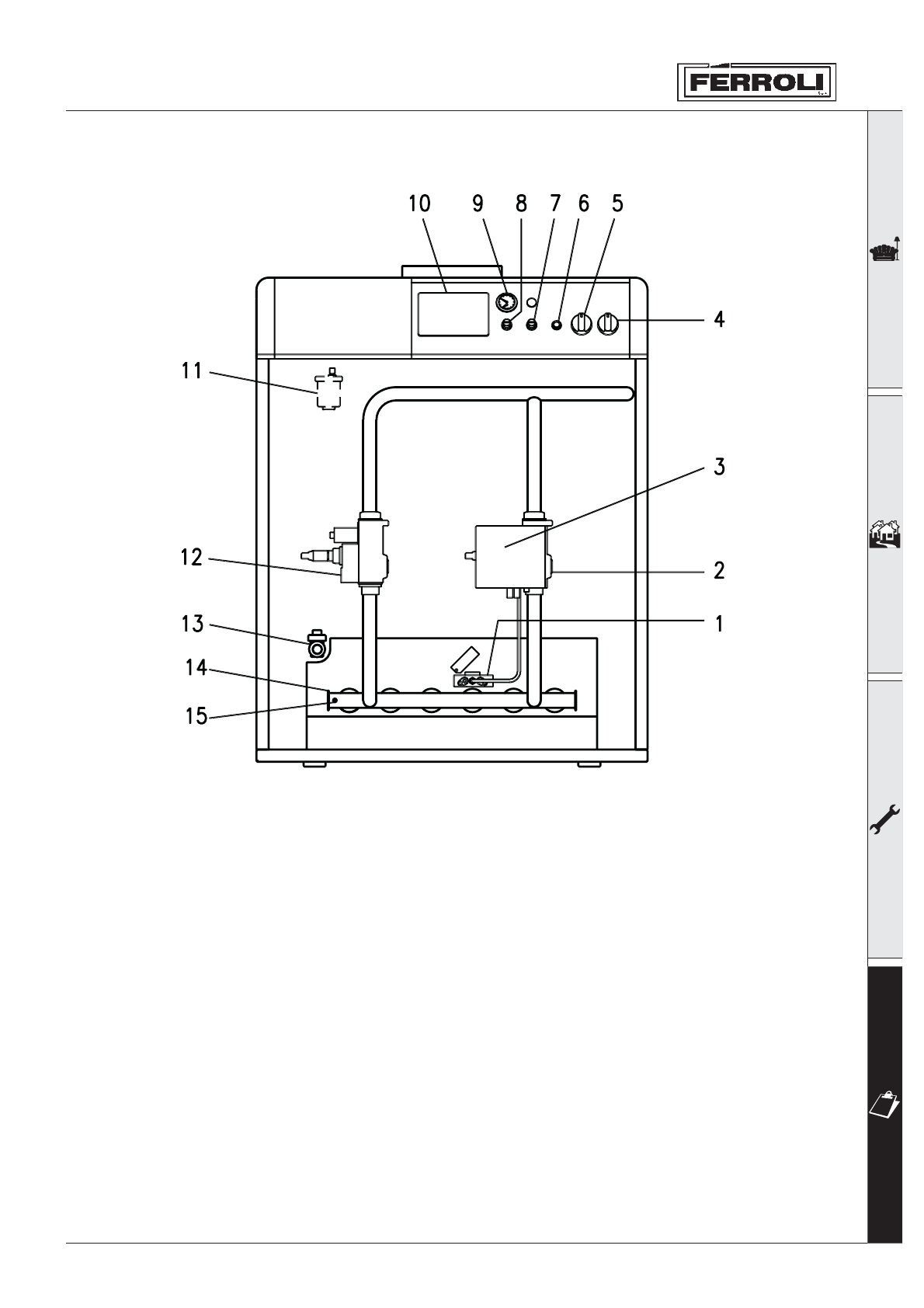
4.2 ”¬ÛÊı ËÊ Ê ÓÁ˝ÓË˝˜¯ ˆÓ˙ÎÓ˝¯˝Ú˜
L e g e nd a
1
ŸÍÎÍÔÒ˝Êˆ Á ùÔ¯ˆÚÏÓÍ˙Ê
2
fiÍÙÓ˘ı ˆÔÍÎÍ˝
3
úÔ¯ˆÚÏÓ˝˝˜ı ˆÓ˝ÚÏÓÔÔ¯Ï ˘Óϯ˝Ê˛
4
–¯Ï¯ˆÔ√¸ÍÚ¯ÔÒ "0 - 1 - TEST"
5
’ËȉÁÚÈί˝¸ÍÚ˜ı ϯ˘ÈÔÊÏÓËÓ¸˝˜ı Ú¯Ï˙ÓÁÚÍÚ
6
¤˝ÓÎˆÍ Î¯Ï¯ÙÍÎÈÁˆÍ ùÔ¯ˆÚÏÓ˝˝Óı ÁÊÁÚ¯˙˜
7
¤Ï˜ÌˆÍ Ú¯Ï˙ÓÁÚÍÚ˜ ˜˙Ó˘‰ ˘ÍÙÓË
8
–ϯӉÏÍ˝ÊÚ¯ÔÒ˝˜ı Ú¯Ï˙ÓÁÚÍÚ
9
flÍ˝Ó˙¯ÚÏ-Ú¯Ï˙Ó˙¯ÚÏ
1 0
fl¯ÁÚÓ ÎÓ ÈÁÚÍ˝ÓËˆÈ ùÔ¯ˆÚÏÓ˝˝Ó˘Ó ˆÓ˝ÚÏÓÔÔ¯ÏÍ
1 1
œËÚÓ˙ÍÚʸ¯ÁˆÊı ËÓÙÈÌ˝Êˆ
1 2
ÕÚÓÏÓı ˘ÍÙÓ˘ı ˆÔÍÎÍ˝ (ÚÓÔÒˆÓ ˙Ó¯ÔÒ 102)
1 3
’ϯ˝Í≈˝˜ı ˆÏÍ˝
1 4
∆ÔÓˆ ˘ÓϯԈÊ
1 5
“ÚÈ˚¯Ï ÓÚ¬ÓÏÍ ÍËÔ¯˝Ê˛