Котел Ferroli PegASUS 56 - инструкция пользователя по применению, эксплуатации и установке на русском языке. Мы надеемся, она поможет вам решить возникшие у вас вопросы при эксплуатации техники.
Если остались вопросы, задайте их в комментариях после инструкции.
"Загружаем инструкцию", означает, что нужно подождать пока файл загрузится и можно будет его читать онлайн. Некоторые инструкции очень большие и время их появления зависит от вашей скорости интернета.

PEGASUS 56
52
RU
cod. 3540S420 - 05/2010 (Rev. 00)
ɪɢɫ
. 15 -
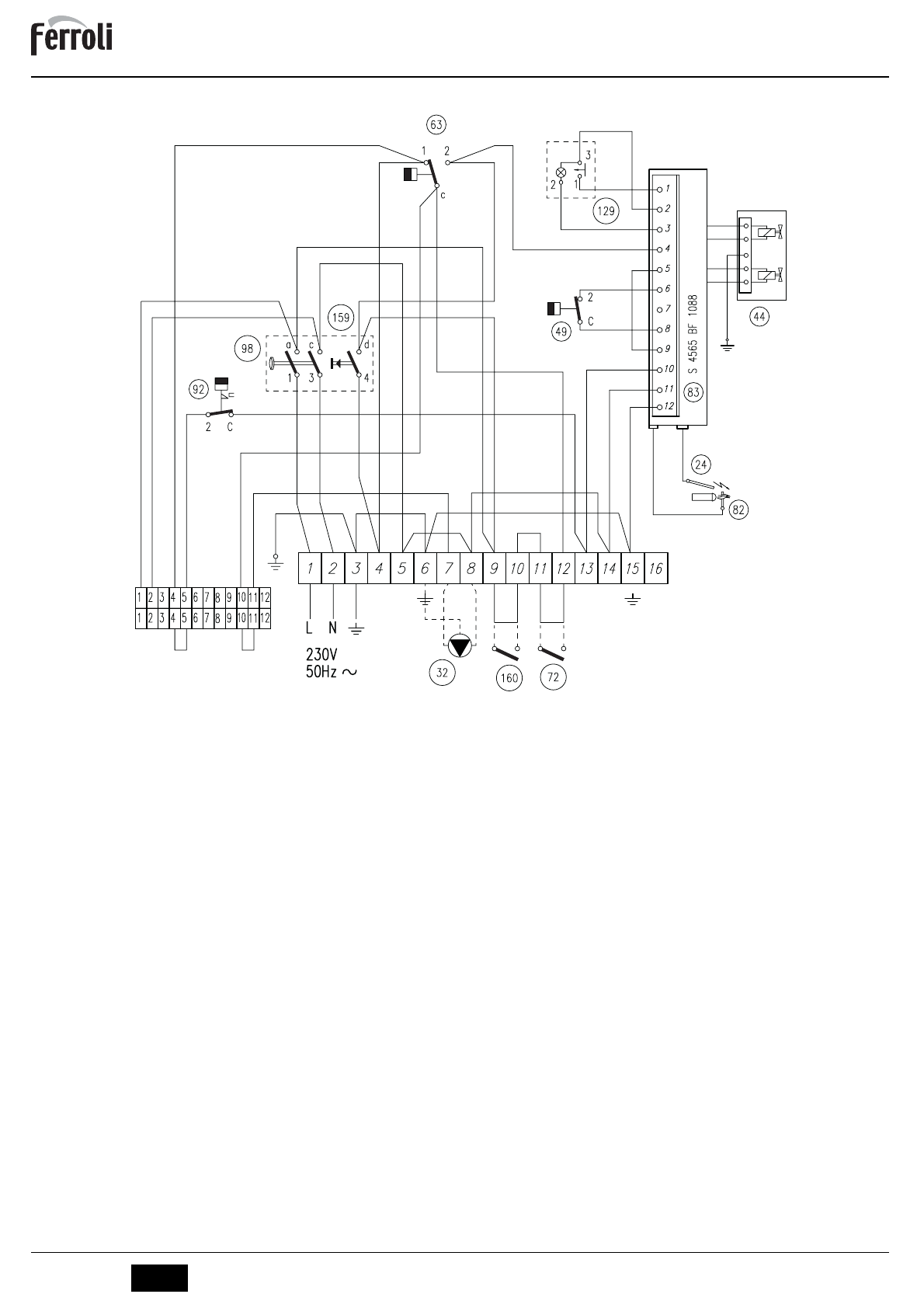
ɋɯɟɦɚ ɷɥɟɤɬɪɢɱɟɫɤɢɯ ɩɪɢɫɨɟɞɢɧɟɧɢɣ
24
ɗɥɟɤɬɪɨɞ ɪɨɡɠɢɝɚ
32
ɐɢɪɤɭɥɹɰɢɨɧɧɵɣ ɧɚɫɨɫ ɫɢɫɬɟɦɵ ɨɬɨɩɥɟɧɢɹ
44
Ƚɚɡɨɜɵɣ ɤɥɚɩɚɧ
49
ɉɪɟɞɨɯɪɚɧɢɬɟɥɶɧɵɣ ɬɟɪɦɨɫɬɚɬ
63
Ɍɟɪɦɨɫɬɚɬ ɪɟɝɭɥɢɪɨɜɤɢ ɤɨɬɥɚ
72
Ɍɟɪɦɨɫɬɚɬ ɢɡɦɟɪɟɧɢɹ ɤɨɦɧɚɬɧɨɣ ɬɟɦɩɟɪɚɬɭɪɵ
82
ɋɥɟɞɹɳɢɣ ɷɥɟɤɬɪɨɞ
83
ɗɥɟɤɬɪɨɧɧɵɣ ɛɥɨɤ ɭɩɪɚɜɥɟɧɢɹ
92
Ɍɟɪɦɨɫɬɚɬ ɬɟɦɩɟɪɚɬɭɪɵ ɞɵɦɨɜɵɯ ɝɚɡɨɜ
98
ȼɵɤɥɸɱɚɬɟɥɶ
129
Ʉɧɨɩɤɚ ɫɛɪɨɫɚ ɫ ɫɢɝɧɚɥɶɧɨɣ ɥɚɦɩɨɣ
159
Ʉɧɨɩɤɚ ɩɪɨɜɟɪɤɢ
160
ȼɫɩɨɦɨɝɚɬɟɥɶɧɵɣ ɤɨɧɬɚɤɬ
A
ɋɨɟɞɢɧɟɧɢɹ
,
ɭɤɚɡɚɧɧɵɟ
ɲɬɪɢɯɨɜɨɣ
ɥɢɧɢɟɣ
ɜɵɩɨɥɧɹɸɬɫɹ
ɫɢɥɚɦɢ
ɦɨɧɬɚɠɧɨɣ ɨɪɝɚɧɢɡɚɰɢɢ
.
ɋɯɟɦɚ ɷɥɟɤɬɪɢɱɟɫɤɢɯ ɩɪɢɫɨɟɞɢɧɟɧɢɣ
