Котел Ferroli Econcept 100 - инструкция пользователя по применению, эксплуатации и установке на русском языке. Мы надеемся, она поможет вам решить возникшие у вас вопросы при эксплуатации техники.
Если остались вопросы, задайте их в комментариях после инструкции.
"Загружаем инструкцию", означает, что нужно подождать пока файл загрузится и можно будет его читать онлайн. Некоторые инструкции очень большие и время их появления зависит от вашей скорости интернета.

ECONCEPT 100
27
1
3
1
2
15
14
12
11
10
8
7
6
5
4
1
2
4
5
6
7
8
10
11
12
24
V D
C +
Fre
q.
PW
M O
utp
ut
24
V D
C -
3
2
1
24
V A
C
24
V A
C
X
2
X
1
13
14
15
X
5
X
6
(4
)
N
(5
)
R
2
(6
)
H
L
(9
)
H
L
(1
0)
H
D
(1
1)
R
1
(1
2)
L
X
10
X
11
P
C
3
2
X
3
X
4
1
2
3
7
8
11
12
S
45
75
B
1
04
1
12
11
10
8
7
5
4
2
1
9
6
ÃÓÎ
ÏÓÚ
ÊËÔ
¯˝Ê
¯1,
8 k
-
-
-
D
M
F
04
4
5
6
9
10
L
N
N
L
23
0V
50
H
z
‚
ÊÙ
ˆÓ
¯
˝Í
ÎÏ
˛≈
¯˝
ʯ
12
11
10
9
8
7
6
5
4
3
2
1
X
7
-
-
-
1
3
1
2
15
14
12
11
10
8
7
6
5
4
1
2
4
5
6
7
8
10
11
12
CH
P
um
p
N
L
24
V D
C +
Fre
q.
PW
M O
utp
ut
24
V D
C -
3
2
1
24
V A
C
24
V A
C
X
2
X
1
13
14
15
X
5
X
6
(4
)
N
(5
)
R
2
(6
)
H
L
(9
)
H
L
(1
0)
H
D
(1
1)
R
1
(1
2)
L
X
10
X
11
P
C
3
2
X
3
X
4
1
2
3
7
8
11
12
S
45
75
B
1
04
1
12
11
10
8
7
5
4
2
1
9
6
-
-
-
D
M
F
04
4
5
6
9
10
L
N
N
L
23
0V
50
H
z
‚
ÊÙ
ˆÓ
¯
˝Í
ÎÏ
˛≈
¯˝
ʯ
12
11
10
9
8
7
6
5
4
3
2
1
X
7
-
-
N
L
N
L
98
98
98
ÃÓÎ
ÏÓÚ
ÊËÔ
¯˝Ê
¯ 1
,8
k
-
1
2
3
4
5
6
7
8
9
10
11
12
1
2
16
32
11
4
20
4
34
18
8
82
83
49
17
5
18
6
18
8
82
83
49
17
5
18
6
16
11
4
20
4
34
10
1
10
1
44
44
Ã
ÓÎ
ÏÓ
ÚÊ
ËÔ
¯˝
ʯ
10
k
Ã
ÓÎ
ÏÓ
ÚÊ
ËÔ
¯˝
ʯ
10
k
œ
ˆÚ
ÊË
Í˚
Ê˛
¬Ô
Óˆ
Í
Õ
˝¯
ø
˝Ê
ı
ÙÓ
˝
–
Ó
ˆÔ
√
¸¯
˝Ê
¯
ϯ
≈
Ê˙
Í
ˆÍ
Áˆ
Í
Í
(O
pe
nT
he
rm
)
œ
ˆÚ
ÊË
Í˚
Ê˛
¬Ô
Óˆ
Í
Õ
˝¯
ø
˝Ê
ı
ÙÓ
˝
–
Ó
ˆÔ
√
¸¯
˝Ê
¯
ϯ
≈
Ê˙
Í
ˆÍ
Áˆ
Í
Í
(O
pe
nT
he
rm
)
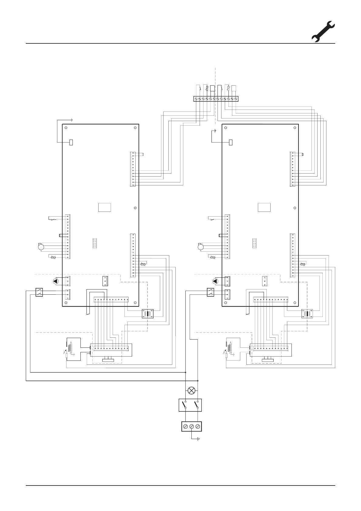
4.5 úÔ¯ˆÚÏʸ¯ÁˆÍ˛ Á‰¯˙Í
”ÎÊÁÍ˝Ê¯
16
Õ¯˝ÚÊÔ˛ÚÓÏ
32
‚ÍÁÓÁ ÁÊÁÚ¯˙˜ ÓÚÓÎÔ¯˝Ê˛
34
’Íڸʈ Ú¯˙ίÏÍÚÈϘ ÁÊÁÚ¯˙˜ ÓÚÓÎÔ¯˝Ê˛
44
fiÍÙÓ˘ı ˆÔÍÎÍ˝
49
–ϯӉÏÍ˝ÊÚ¯ÔÒ˝˜ı Ú¯Ï˙ÓÁÚÍÚ
82
ÀÓ˝ÊÙÍ˚ÊÓ˝˝˜ı ùÔ¯ˆÚÏÓ
83
úÔ¯ˆÚÏÓ˝˝˜ı ¬ÔÓˆ ˆÓ˝ÚÏÓÔ˛
98
Õ˜ˆÔ√¸ÍÚ¯ÔÒ
101
fiÔÍ˽Ͳ ùÔ¯ˆÚÏÓ˝˝Í˛ ÎÔÍÚÍ
114
–ϯÁÁÓÁÚÍÚ ËÓ˜
175
◊ÏÍ˝ÁÂÓÏ˙ÍÚÓÏ 220-240/300-330v
186
’Íڸʈ Ú¯˙ίÏÍÚÈϘ Ó¬ÏÍÚˆÊ
188
úÔ¯ˆÚÏÓ ÏÓÙ≈Ê˘Í
204
–ÓÏÚ Ô˛ ÎÓˆÔ√¸¯˝Ê˛ –¤
—ÊÁ. 17