Котел Ferroli Divatop F37 - инструкция пользователя по применению, эксплуатации и установке на русском языке. Мы надеемся, она поможет вам решить возникшие у вас вопросы при эксплуатации техники.
Если остались вопросы, задайте их в комментариях после инструкции.
"Загружаем инструкцию", означает, что нужно подождать пока файл загрузится и можно будет его читать онлайн. Некоторые инструкции очень большие и время их появления зависит от вашей скорости интернета.

DIVAtop F 37
121
RU
cod. 3540I531 - 11/2008 (Rev. 00)
4.6
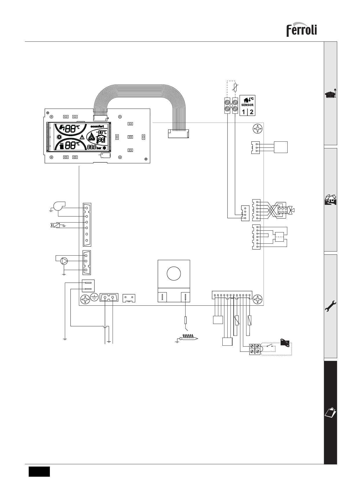
ɗɥɟɤɬɪɢɱɟɫɤɚɹ ɫɯɟɦɚ
ɪɢɫ
. 33 -
ɗɥɟɤɬɪɢɱɟɫɤɚɹ ɫɯɟɦɚ
A
ȼɧɢɦɚɧɢɟ
:
ɉɟɪɟɞ ɩɨɞɤɥɸɱɟɧɢɟɦ
>
ɤɨɦɧɚɬɧɨɝɨ ɬɟɪɦɨɫɬɚɬɚ
ɢɥɢ
ɭɫɬɪɨɣɫɬɜɚ Ⱦɍ
ɫɧɢɦɢɬɟ ɩɟɪɟɦɵɱɤɭ ɧɚ
ɛɥɨɤɟ
ɡɚɠɢɦɨɜ
.
Ɉɛɨɡɧɚɱɟɧɢɹ
16
Ɇɨɞɭɥɢɪɭɸɳɢɣ ɜɟɧɬɢɥɹɬɨɪ
32
ɐɢɪɤɭɥɹɰɢɨɧɧɵɣ ɧɚɫɨɫ ɫɢɫɬɟɦɵ ɨɬɨɩɥɟɧɢɹ
42
Ⱦɚɬɱɢɤ ɬɟɦɩɟɪɚɬɭɪɵ ɜɨɞɵ ɜ ɫɢɫɬɟɦɟ Ƚȼɋ
44
Ƚɚɡɨɜɵɣ ɤɥɚɩɚɧ
47
Ɋɟɝɭɥɹɬɨɪ
Modureg
72
Ʉɨɦɧɚɬɧɵɣ ɬɟɪɦɨɫɬɚɬ
81
ɉɨɞɠɢɝɚɸɳɢɣ
/
ɫɥɟɞɹɳɢɣ ɷɥɟɤɬɪɨɞ
95
Ɉɬɜɨɞɧɨɣ ɤɥɚɩɚɧ
136
Ɋɚɫɯɨɞɨɦɟɪ
138
Ⱦɚɬɱɢɤ ɧɚɪɭɠɧɨɣ ɬɟɦɩɟɪɚɬɭɪɵ
139
ɉɭɥɶɬ ɞɢɫɬɚɧɰɢɨɧɧɨɝɨ ɭɩɪɚɜɥɟɧɢɹ ɫ ɬɚɣɦɟɪɨɦ
(OpenTherm)
246
Ⱦɚɬɱɢɤ ɞɚɜɥɟɧɢɹ
278
Ⱦɜɨɣɧɨɣ
ɞɚɬɱɢɤ
(
ɩɪɟɞɨɯɪɚɧɢɬɟɥɶɧɵɣ
+
ɬɟɦɩɟɪɚɬɭɪɚ ɜɨɞɵ ɜ ɫɢɫɬɟɦɟ ɨɬɨɩɥɟɧɢɹ
)
297
Ⱦɚɬɱɢɤ ɞɚɜɥɟɧɢɹ ɜɨɡɞɭɯɚ
LCD
X8
X7
X9
X6
X5
X2
X1
L
aux
N
L
main
N
X3
X4
TR1
X11
DBM03B
81
°
T
°
T
278
7
6
5
4
3
2
1
9 8 7 6 5 4 3 2 1
12 11 10
47
246
136
OUT
+5V
GND
GND
OUT
+5V
L
N
230V
50Hz
1
2
3
1
2
3
4
5
6
32
44
16
138
95
6
5
4
3
2
1
4
3
2
1
42
DSP05
297
72
139
1
2
OUT
+ 15V
GND