Котел Эван Warmos-M-24 с насосом - инструкция пользователя по применению, эксплуатации и установке на русском языке. Мы надеемся, она поможет вам решить возникшие у вас вопросы при эксплуатации техники.
Если остались вопросы, задайте их в комментариях после инструкции.
"Загружаем инструкцию", означает, что нужно подождать пока файл загрузится и можно будет его читать онлайн. Некоторые инструкции очень большие и время их появления зависит от вашей скорости интернета.

7.2
Порядок
работы
7.2.1
Все элементы управления расположены на лицевой стороне
прибора на панели управления.
0
7.2.2
Перед включением прибора, поставьте ручку “Температура
С”
вращением против часовой стрелки в крайнее левое положение.
7.2.3
Включите выключатель “СТУПЕНИ МОЩНОСТИ I”.
Должна
загореться сигнальная лампа над выключателем.
7.2.4
Включившийся световой сигнал “НАГРЕВ” свидетель-ствует о
том, что напряжение поступает на один нагревательный элемент. Если
0
температура теплоносителя в котле выше 30
С, то напряжение на
нагревательные элементы поступать не будет и световой сигнал “НАГРЕВ“
не в
тся.
ключи
7.2.5
Выбор желаемого температурного режима теплоносите-ля
0
осуществляется с помощью ручки терморегулятора “Температура С” путем
ее плавного вращения.
7.2.6
П оя вл е н и е с и г н а л а “ О Т К АЗ ” п р и н а л и ч и и и н д и ка ц и и
“ПРОТОК” возможно при недостаточном давлении в отопительной системе
и при перегреве теплоносителя.
7.2.7
Появление сигнала “ОТКАЗ” одновременно с пропаданием
и н д и к а ц и и “ П Р О Т О К ” в о з м о ж н о п р и з а б л о к и р о в а н н о м в а л е
циркуляционного насоса. Для разблокировки вала снимите кожух прибра,
отвинтите защитный колпачок в центре циркуляционного насоса (см.
рисунок 1) и поверните вал двигателя с помощью отвертки по стрелке.
Установите защитный колпачок на место. При отвинчивании колпачка
возможно вытекание воды из корпуса двигателя в незначительных
количествах, поэтому подставьте под насос небольшую емкость.
Если же вал насоса вращается, а сигнал “ПРОТОК” отсутствует, то
возможно завоздушивание отопительной системы (в старых системах
возможны грязевые пробки).
7.2.8
Для ступенчатого повышения мощности прибора до но-
минальной величины, указанной в таблице 1, включите последо-вательно
переключатели “СТУПЕНИ МОЩНОСТИ “II” и “III””.
Номинальная мощность одной ступени: WARMOS-М-7,5 -2,5 кВт;
WARMOS-М-9,45 -3,15 кВт; WARMOS-М-12 - 4 кВт; WARMOS-М-15 - 5
кВт; WARMOS-М-18 - 6 кВт; WARMOS-М-21 - 7 кВт, WARMOS-М-24 - 8
кВт, WARMOS-М-30 - 10 кВт. При включении ступени в работу загорится
соответствующая сигнальная лампа.
7.2.9
При дальнейшей работе прибора ступени мощности вводятся в
работу и отключаются последовательно с интервалом 3 сек. При работе на
одной или двух ступенях мощности в схеме управления реализован алгоритм
чередования включения ТЭНов, силовых реле и пускателей, который
позволяет добиться равномерного использования ресурса этих элементов.
7.2.10 При работе на одной или двух ступенях мощности и
недогреве (за 30 минут) теплоносителя до температуры, заданной ручкой
терморегулятора “НАГРЕВ”, произойдет автоматическое включение всех
трех ступеней. После достижения заданной температуры и отключения, в
следующем цикле работы прибора останется ранее заданное количество
ступеней.
- 9 -
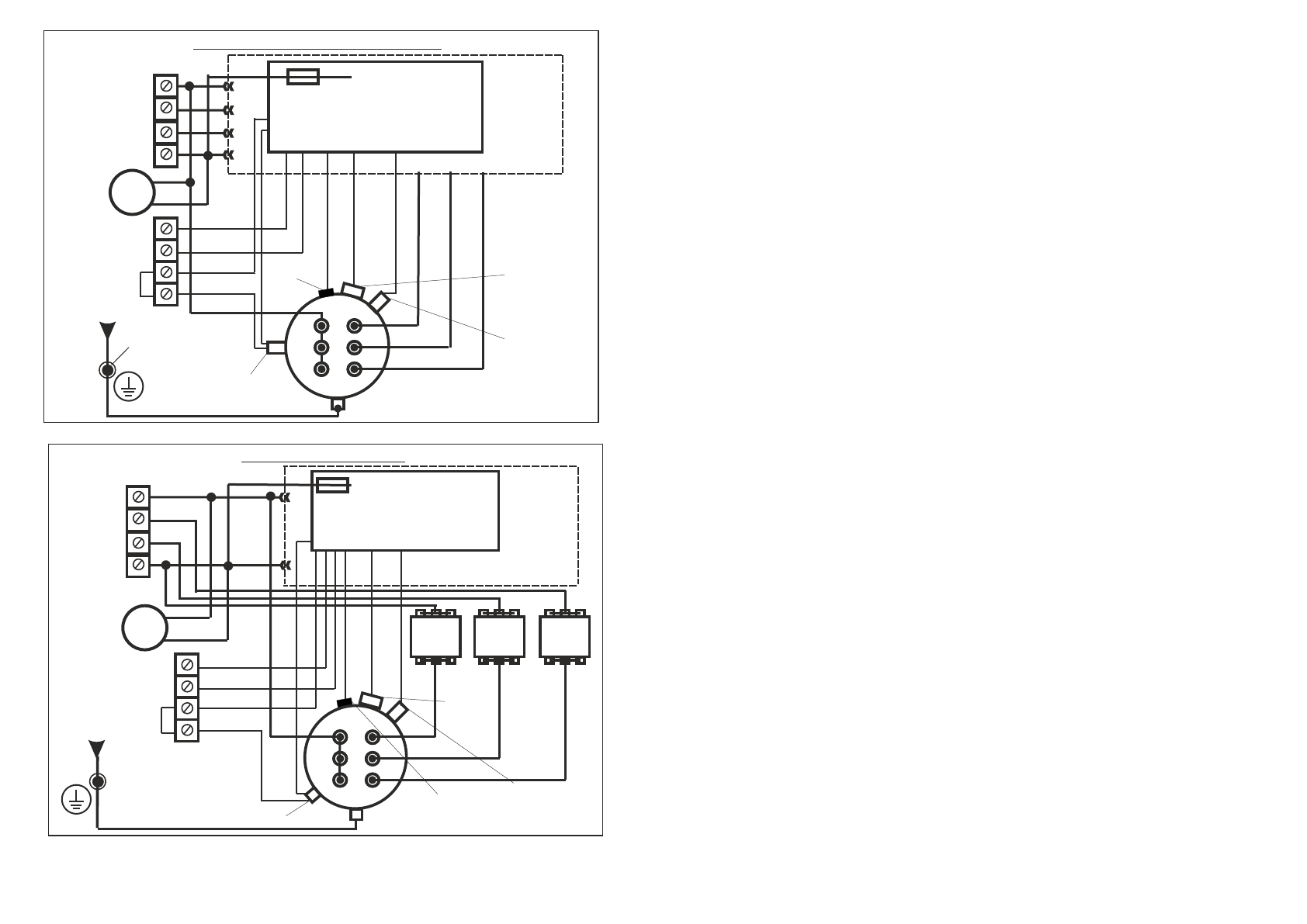
Рисунок 4 - Электрическая схема подключения
- 12 -
ПЛАТА УПРАВЛЕНИЯ
155.011-03
Аварийный
термовыклю-
чатель
БЛОК УПРАВЛЕНИЯ
РЕ
N
К
р
ы
ш
к
а
с
Т
Э
Н
а
ми
КОТЁЛ
WARMOS-М-7,5; -9,45; -12
РЕ
Датчик
давления
Датчик
давления
Пр1
А
Клеммник
сетевой
В
С
Зажим для
защитного
проводника PE
“Датчик
температуры
воздуха”
НАСОС
Реле
протока
Датчик
термо-
регулятора
Рисунок 5 - Электрическая схема подключения
WARMOS-М-15; -18
ПЛАТА УПРАВЛЕНИЯ
155.011-03
Реле
протока
Датчик
термо-
регулятора
БЛОК УПРАВЛЕНИЯ
РЕ
N
К
р
ы
ш
к
а
с
Т
Э
и
На
м
КОТЁЛ
РЕ
Пр1
А
Клеммник
сетевой
В
С
ПУСКАТЕЛЬ
ПУСКАТЕЛЬ
ПУСКАТЕЛЬ
1 3 5
2 4 6
1 3 5
2 4 6
1 3 5
2 4 6
А В С
Датчик
давления
Датчик
давления
Зажим для
защитного
проводника PE
“Датчик
температуры
воздуха”
НАСОС
Аварийный
термовыклю-
чатель
Содержание
- 2 Основные технические данные приборов приведены в таблице 1.; Значение; Таблица 1; Номинальная потребляемая мощность:; Наименование; МПа; Отметка; Допуск показаний термоманометра
- 3 Продолжение таблицы 1; защитного проводника; РЕ; Расход электроэнергии за 1 час работы прибора, не более:; кг; мм
- 4 Для уплотнения ввода питающего кабеля прибор имеет гермоввод; Требования; или; Рисунок 1; TERMOSET
- 5 Номинальный; Таблица 2; опасностью, характеризующихся наличием в них:
- 6 эл е кт р и ч ес ко й; Подготовка
- 7 Так как при срабатывании предохранительного клапана возможен; Ус т а н о в ка з а п о р н о й а рм а тур ы н а т ру бо п р о вод е , со ед и н я ю щ ем; Название; Таблица 3; при напряжении; 0 Возможные неисправности и методы их устранения; Возможная; ческим; 1 Гарантии изготовителя; прибора
- 8 Заполнение отопительной системы; соответствующую требованиям; Порядок; Рисунок 2 - Примерная схема системы отопления; Рисунок 6 - Электрическая схема подключения; ПЛАТА УПРАВЛЕНИЯ; БЛОК УПРАВЛЕНИЯ; КОТЁЛ; А В С; НАСОС; Правила хранения и транспортирования
- 9 Должна; Рисунок 5 - Электрическая схема подключения
- 10 атчика следует помнить, что при достижении; Окончание; Техническое обслуживание и ремонтные работы производить при; Рисунок 3 - Электрическая схема подключения; Срок службы прибора, установленный изготовителем - 5 лет; Наиболее оптимальным вариантом для пот ребителя