Котел Эван Warmos-M-24 с насосом - инструкция пользователя по применению, эксплуатации и установке на русском языке. Мы надеемся, она поможет вам решить возникшие у вас вопросы при эксплуатации техники.
Если остались вопросы, задайте их в комментариях после инструкции.
"Загружаем инструкцию", означает, что нужно подождать пока файл загрузится и можно будет его читать онлайн. Некоторые инструкции очень большие и время их появления зависит от вашей скорости интернета.

- для крепления использовать стены без оконных и дверных проёмов;
- не допускать воздействия на прибор прямых солнечных лучей, а
также тепловых излучений от ламп накаливания, отопительных и иных
приборов;
- датчик не должен загораживаться (мебелью, занавесками и т. п.)
6.2 Заполнение отопительной системы
6.2.1
В качестве теплоносителя разрешается использовать воду,
соответствующую требованиям
СанПиН 2.1.4.1074-01.
Д о п у с к а е т с я и с п о л ь з о в а т ь
и е
и
н е з а м е р з а ю щ
ж и д к о с т
,
сертифицированн
в качестве теплоносителя для
ые
электрокотлов. При этом
условия использования должны соответствовать требованиям, указанным в
руководстве по эксплуатации теплоносителя.
6.2.2
При заполнении системы отопления необходимо обеспечить
отсутствие в ней незаполненных пустот.
6.2.3
Обеспечить давление в закрытой системе в соответствии с
и н с т р у к ц и е й п о п р и м е н е н и ю э к с п а н з о м а т а . Д а т ч и к д а в л е н и я ,
установленный в приборе, рассчитан на давление (0,08 - 0,4) МПа или (0,8-
4) бар (кг/см.кв) (см. п.п. 4.1, 6.1.5).
7
Порядок
работы
7.1 Включение прибора
7.1.1
Проверьте наличие и давление теплоносителя в системе.
7.1.2
Установить циркуляционный насос на максимальную скорость
рукояткой 3-х позиционного переключателя на боковой крышке насоса.
7.1.3
Включить автоматический выключатель в сети питания.
Напряжение поступит на пульт управления прибора. Должна загореться
сигнальная лампа “ПРОТОК”.
- 8 -
- 13 -
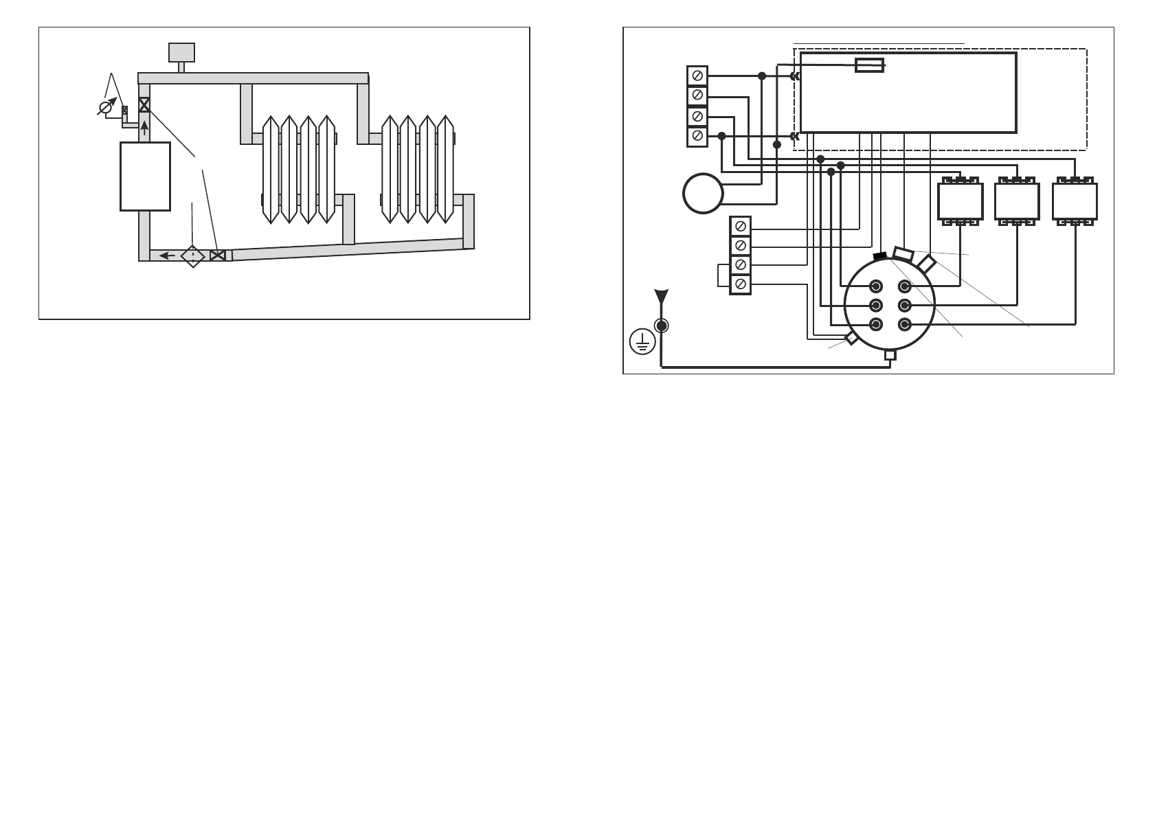
Рисунок 2 - Примерная схема системы отопления
П - прибор; ГБ - группа безопасности; ШВ - шаровые вентили;
РЕ - расширительная емкость; Ф - фильтр
ГБ
П
ШВ
Ф
РЕ
Рисунок 6 - Электрическая схема подключения
ПЛАТА УПРАВЛЕНИЯ
155.011-03
Реле
протока
Датчик
термо-
регулятора
БЛОК УПРАВЛЕНИЯ
РЕ
N
К
р
ы
ш
к
а
с
Т
Э
и
На
м
КОТЁЛ
РЕ
Пр1
А
Клеммник
сетевой
В
С
ПУСКАТЕЛЬ
ПУСКАТЕЛЬ
ПУСКАТЕЛЬ
1 3 5
2 4 6
1 3 5
2 4 6
1 3 5
2 4 6
WARMOS-М-21;-24;-30
А В С
B
C
A
Датчик
давления
Датчик
давления
Зажим для
защитного
проводника PE
“Датчик
температуры
воздуха”
НАСОС
Аварийный
термовыклю-
чатель
9 Правила хранения и транспортирования
9.1 Хранить прибор необходимо в помещениях с естественной
вентиляцией, где колебания температуры и влажность воздуха существенно
меньше, чем на открытом воздухе в районах с умеренным и холодным
0
0
климатом при температуре не выше +40 С и не ниже минус 50 С,
0
относительной влажности не более 80 % при +25 С.
9.2 Прибор можно транспортировать любым видом закрытого
транспорта, с обязательным соблюдением мер предосторожности при
перевозке хрупких грузов.
Содержание
- 2 Основные технические данные приборов приведены в таблице 1.; Значение; Таблица 1; Номинальная потребляемая мощность:; Наименование; МПа; Отметка; Допуск показаний термоманометра
- 3 Продолжение таблицы 1; защитного проводника; РЕ; Расход электроэнергии за 1 час работы прибора, не более:; кг; мм
- 4 Для уплотнения ввода питающего кабеля прибор имеет гермоввод; Требования; или; Рисунок 1; TERMOSET
- 5 Номинальный; Таблица 2; опасностью, характеризующихся наличием в них:
- 6 эл е кт р и ч ес ко й; Подготовка
- 7 Так как при срабатывании предохранительного клапана возможен; Ус т а н о в ка з а п о р н о й а рм а тур ы н а т ру бо п р о вод е , со ед и н я ю щ ем; Название; Таблица 3; при напряжении; 0 Возможные неисправности и методы их устранения; Возможная; ческим; 1 Гарантии изготовителя; прибора
- 8 Заполнение отопительной системы; соответствующую требованиям; Порядок; Рисунок 2 - Примерная схема системы отопления; Рисунок 6 - Электрическая схема подключения; ПЛАТА УПРАВЛЕНИЯ; БЛОК УПРАВЛЕНИЯ; КОТЁЛ; А В С; НАСОС; Правила хранения и транспортирования
- 9 Должна; Рисунок 5 - Электрическая схема подключения
- 10 атчика следует помнить, что при достижении; Окончание; Техническое обслуживание и ремонтные работы производить при; Рисунок 3 - Электрическая схема подключения; Срок службы прибора, установленный изготовителем - 5 лет; Наиболее оптимальным вариантом для пот ребителя