Котел Эван EXPERT-27 14390 - инструкция пользователя по применению, эксплуатации и установке на русском языке. Мы надеемся, она поможет вам решить возникшие у вас вопросы при эксплуатации техники.
Если остались вопросы, задайте их в комментариях после инструкции.
"Загружаем инструкцию", означает, что нужно подождать пока файл загрузится и можно будет его читать онлайн. Некоторые инструкции очень большие и время их появления зависит от вашей скорости интернета.

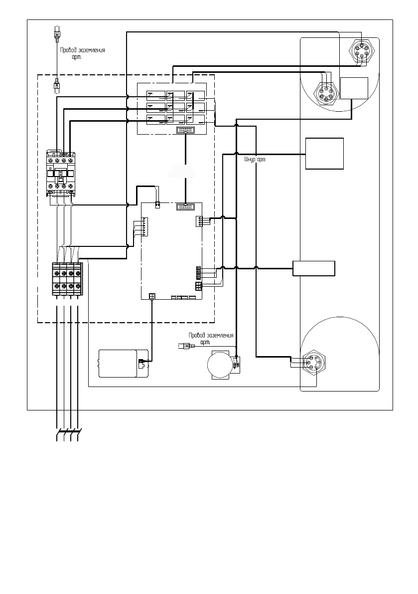
Рис. 16
Схема подключения ЭВАН EXPERT-18...27
- 17 -
ЭВАН EXPERT-18-27
Êîíòàêòîð
KM-103-32
àðò.
1
Øíóð àðò.
33573
Øíóð
àðò.
33574
Ø
íó
ð
àð
ò
.
33
58
0
Øíóð
àðò.
33680
Ïàíåëü
óñòàíîâî÷íàÿ
àðò.
26803
Ïëàòà
óïðàâëåíèÿ
XT1
Æ
ãó
ò
ñè
ëî
âî
é
àð
ò
.
19
98
6
Äàò÷èê
äàâëåíèÿ
àðò.
20410
Íàñîñ
àðò.
50220
Æãóòû
ñèëîâûå
àðò.
19982
(3
øò.)
Æãóò
ñèëîâîé
íåéòðàëü
àðò
18507
Áëîêè
ÒÝÍ
6
êÂò
àðò.
44500
7
êÂò
àðò.
44502
8
êÂò
àðò.
44592
9
êÂò
àðò.
44510
L1
L2
L3
N
QF1
êðàñ
êîðè÷
÷åðí
A
B
C
N
Ïðîâîä
àðò.
18502
(3
øò.)
Êîíòàêòîð
KM-10 -32
àðò.
Øíóð àðò.
33573
Øíóð
àðò.
33574
Ø
íó
ð
àð
ò
.
33
58
0
Øíóð
àðò.
33680
Ïàíåëü
óñòàíîâî÷íàÿ
àðò.
26803-1
Ïëàòà
óïðàâëåíèÿ
XT1
Æ
ãó
ò
ñè
ëî
âî
é
àð
ò
.
19
98
6
Äàò÷èê
äàâëåíèÿ
àðò.
20410
Íàñîñ
àðò.
50220
Æãóòû
ñèëîâûå
àðò.
19982
(3
øò.)
Æãóò
ñèëîâîé
íåéòðàëü
àðò
18507
Ò
6
êÂò
àðò.
44500
7
êÂò
àðò.
44502
8
êÂò
àðò.
44592
9
êÂò
àðò.
44510
L1
L2
L3
N
QF
êðàñ
êîðè÷
÷åðí
A
B
C
N
Ïðîâîä
àðò.
18502
(3
øò.)
2
Шлейф
арт. 35522
арт. 32250-01
Плата реле арт. 32245-01
19127
33572
Äàò÷èê
òåìïåðàòóðû
àðò.
49175
Äàò÷èê
òåìïåðàòóðû
àðò.
49175
Òåðìîâû-
êëþ÷àòåëü
àðò.
4920
Òåðìîâû-
êëþ÷àòåëü
Æãóò
àðò. 33
Æãóò
àðò. 33695
0
Æãóòû ñèëîâûå
àðò.
1998
Æãóòû ñèëîâîé
à ò.
.
4
Æãóòû ñèëîâûå
àðò.
19984-1
Æãóòû ñèëîâîé
à ò.
.
4-1
42185
42230
19126
Блок управления
арт32255-10
Содержание
- 2 Таблица 2; Номинальная мощность; Наименование прибора
- 5 Вид прибора со снятыми панелью и кожухом показан на рисунке 3.; Рисунок 3
- 6 Разъём ХТ1
- 8 Структура режимов дисплея блока управления.
- 9 к о т е л в о з д у х; Н О РМ А; х х х
- 10 Требования безопасности; Т воды; ТЭНов; Туличн
- 11 Монтаж и подключение; “Отметка о проведенных работах”.
- 12 Рисунок 11. Закладная деталь для крепления прибора
- 13 Рисунок 12. Габаритные и присоединительные размеры прибора; Название прибора
- 14 QF
- 18 Заполнение системы отопления.; Порядок работы; Характеристика режимов работы:
- 20 МЕНЮ УСТАНОВКИ; Рисунок 17. Электрическое подключение комплекта ГВС EVAN AQUA.; настоящего руководства.; Котел
- 22 Рисунок 20. Отображение на экране режимов работы прибора.; 0 С. При переключении в режим «Теплый пол» значение меняется на 45 С.
- 23 OK
- 24 Рисунок 24. Настройка внутренних параметров и установок.; Ткомф; УСТАНОВКА НЕДЕЛЬНЫХ; График Рабочий день; НАСТРОЙКА; Январь; ВКЛ
- 25 Рисунок 25. Статистика энергопотребления.; СТАТИСТИКА; Графики температур
- 26 Просмотр статистики; СЕРВИСНОЕ МЕНЮ; трехходового клапана.; Рисунок 27. Индикация версии программного обеспечения.; Сигнализация о несоответствиях в работе.
- 27 ВЫСОКОЕ ДАВЛЕНИЕ; TM
- 28 режим «Выключен» и отключить внешний автоматический выключатель.
- 29 Установка скорости