Котел Эван ЭПО-2,5 - инструкция пользователя по применению, эксплуатации и установке на русском языке. Мы надеемся, она поможет вам решить возникшие у вас вопросы при эксплуатации техники.
Если остались вопросы, задайте их в комментариях после инструкции.
"Загружаем инструкцию", означает, что нужно подождать пока файл загрузится и можно будет его читать онлайн. Некоторые инструкции очень большие и время их появления зависит от вашей скорости интернета.

- 15 -
- 10 -
6. Ïîäãîòîâêà ê ðàáîòå
6.1. Ìîíòàæ è ïîäêëþ÷åíèå
6.1.1. Ïîäêëþ÷åíèå ê ñåòè îñóùåñòâëÿåòñÿ â óñòàíîâëåííîì
ïîðÿäêå.
6.1.2. Ìîíòàæ è ïîäêëþ÷åíèå ïðèáîðà îñóùåñòâëÿåòñÿ
èñêëþ÷èòåëüíî îðãàíèçàöèåé (îðãàíèçàöèÿìè), èìåþùåé ëèöåíçèþ
íà ïðîèçâîäñòâî äàííûõ ðàáîò, çàðåãåñòðèðîâàííóþ â ãîñó-
äàðñòâåííûõ îðãàíàõ.
6.1.3. Îðãàíèçàöèè (îðãàíèçàöèÿ), âûïîëíÿþùèå ìîíòàæ è
ïîäêëþ÷åíèå, äåëàþò ñîîòâåòñòâóþùóþ çàïèñü â ðàçäåëå “Îòìåòêà î
ïðîâåäåííûõ ðàáîòàõ”.
6.1.4. Ïóñêî-íàëàäî÷íûå ðàáîòû ïðåäóñìàòðèâàþò:
- ïîäêëþ÷åíèå ýëåêòðîîòîïèòåëüíîãî êîòëà ê ñèñòåìå îòîïëåíèÿ;
- ïîäêëþ÷åíèå ýëåêòðîîòîïèòåëüíîãî êîòëà ê ýëåêòðè÷åñêîé ñåòè;
- çàïîëíåíèå ñèñòåìû òåïëîíîñèòåëåì;
- óäàëåíèå âîçäóõà èç ñèñòåìû îòîïëåíèÿ;
- äîâåäåíèå äàâëåíèÿ äî íîðìû ñîãëàñíî òðåáîâàíèÿì íàñòîÿùåãî
ðóêîâîäñòâà ïî ýêñïëóàòàöèè (ïðè èñïîëüçîâàíèè ýêñïàíçîìàòà);
- ïðîáíûé ïóñê;
- ðåãóëèðîâêó ñèñòåìû è çàïîðíîé àðìàòóðû;
- èíñòðóêòàæ ïîòðåáèòåëÿ ïî ïðàâèëàì ýêñïëóàòàöèè ñ îòìåòêîé â
ðàçäåëå “Îòìåòêà î ïðîâåäåííûõ ðàáîòàõ”.
6.1.5. Ïåðåä ìîíòàæîì êîòëà ïðîâåðüòå ïðàâèëüíîñòü è êà÷åñòâî
ìîíòàæà ñèñòåìû îòîïëåíèÿ.
Òðóáû ñèñòåìû îòîïëåíèÿ â ñîîòâåòñòâèè ñ ðèñóíêîì 4 äîëæíû
áûòü ðàñïîëîæåíû òàê, ÷òîáû ñïîñîáñòâîâàòü åñòåñòâåííîé
öèðêóëÿöèè òåïëîíîñèòåëÿ. Ïðè ýòîì ìàêñèìàëüíûé óðîâåíü
òåïëîíîñèòåëÿ íå äîëæåí ïðåâûøàòü 20 ìåòðîâ îò óðîâíÿ êîòëà
(ðàáî÷åå äàâëåíèå â êîòëå íå âûøå 0,2 ÌÏà).
Åñëè íåâîçìîæíî èëè íåæåëàòåëüíî äîáèâàòüñÿ åñòåñòâåííîé
öèðêóëÿöèè òåïëîíîñèòåëÿ, â ñèñòåìå îòîïëåíèÿ íåîáõîäèìî
èñïîëüçîâàòü öèðêóëÿöèîííûé íàñîñ, óñòàíîâëåííûé â ñîîòâåòñòâèè
ñ ðèñóíêîì 4.
Ñèñòåìà îòîïëåíèÿ äîëæíà îáÿçàòåëüíî èìåòü ðàñøèðèòåëüíóþ
åìêîñòü, ñîîáùàþùóþñÿ ñ àòìîñôåðîé. Ïðè èñïîëüçîâàíèè
ðàñøèðèòåëüíîé åìêîñòè ìåìáðàííîãî òèïà (ýêñïàíçîìàòà) íà
â û õîä å
è ç
ï ð è áî ð à
ï å ð åä
ø à ð îâ û ì
â å í ò è ë å ì
ä îë æå í à
óñòàíàâëèâàòüñÿ ãðóïïà áåçîïàñíîñòè, âêëþ÷àþùàÿ â ñåáÿ
ïðåäîõðàíèòåëüíûé êëàïàí, ðàññ÷èòàííûé íà äàâëåíèå íå áîëåå 0,3
ÌÏà, ìàíîìåòð è àâòîìàòè÷åñêèé âîçäóõîîòâîä÷èê.
Óñòàíîâêó ýêñïàíçîìàòà ïðîèçâîäèòü â ñîîòâåòñòâèè ñ
èíñòðóêöèåé ïî ýêñïëóàòàöèè ýêñïàíçîìàòà!
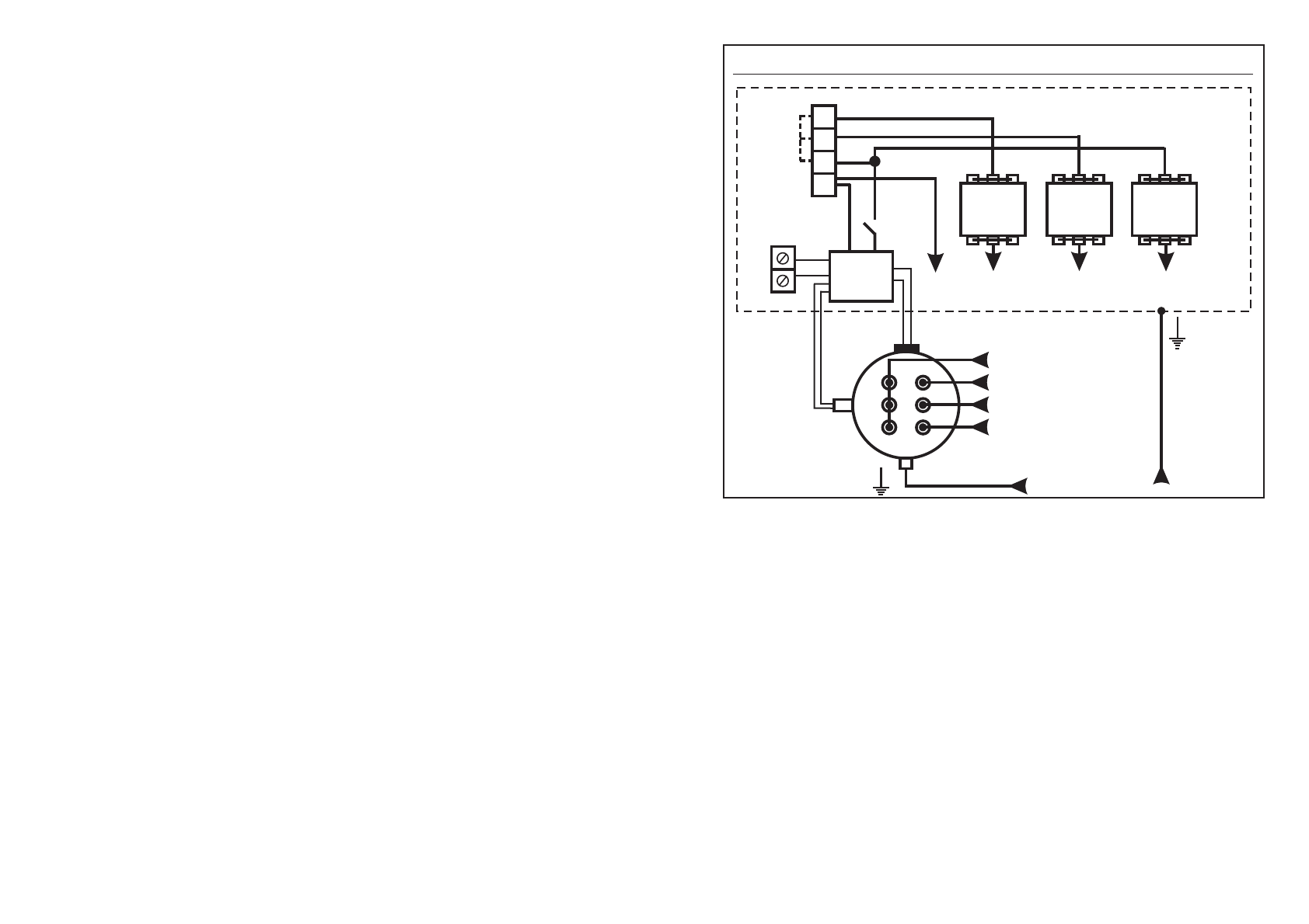
ÏËÀÒÀ
ÓÏÐÀÂ-
ËÅÍÈß
íà ÒÝÍû ýëåêòðîïðèáîðà
Çàæèìû
äëÿ
ñåòè
Òåìïåðàòóðíîå
ðåëå
Äàò÷èê
òåðìî-
ðåãóëÿòîðà
ÏÓËÜÒ ÓÏÐÀÂËÅÍÈß
Â
Ñ
À
À
Â
Ñ
N
ÏÓÑÊÀÒÅËÜ
ÏÓÑÊÀÒÅËÜ
ÏÓÑÊÀÒÅËÜ
Ðèñóíîê 8 - Ýëåêòðè÷åñêàÿ ñõåìà ïîäêëþ÷åíèÿ
Êð
ûøêà
ñ
ÒÝÍàì
è
ñ
ïó
ëü
òà
óïðàâ
ëåíèÿ
ÊÎÒ¨Ë
À
ÂÑ
ÝÏÎ-7,5;-9,45;-12;-15;-18 (òðåõñòóïåí÷àòûé ïóëüò)
N
1 3 5
2 4 6
1 3 5
2 4 6
1 3 5
2 4 6
“Ðàç
úåì
Õ1”
(ä
àò÷èê
òåìïå-
ðà
òóðû
âî
çäóõ
à)
ÐÅ
ÐÅ
N
7.
Ïîðÿäîê
ðàáîòû
7.1 Âêëþ÷åíèå ïðèáîðà
7.2. Ñ îäíîñòóïåí÷àòûì ïóëüòîì óïðàâëåíèÿ
7.1.1. Ïðîâåðüòå íàëè÷èå òåïëîíîñèòåëÿ â ñèñòåìå.
7.1.2.
Ïåðåä âêëþ÷åíèåì íåîáõîäèìî ïðîâåðèòü àâòîìàòè÷åñêèé
âûêëþ÷àòåëü, åñëè îí îòêëþ÷åí - âêëþ÷èòü.
7.2.1. Ïðèáîð óïðàâëÿåòñÿ ñ ïóëüòà óïðàâëåíèÿ.
7.2.2. Ïåðåä âêëþ÷åíèåì ïðèáîðà ïîñòàâüòå ðó÷êó òåðìîðåãóëÿòîðà
“ÒÅÌÏÅÐÀÒÓÐÀ” âðàùåíèåì ïðîòèâ ÷àñîâîé ñòðåëêè â êðàéíåå ëåâîå
ïîëîæåíèå.
7.2.3. Ïåðåêëþ÷èòå âûêëþ÷àòåëü â ïîëîæåíèå “ÂÊË”. Çàãîðåâøèéñÿ
ñâåòîâîé ñèãíàë “ÑÅÒÜ” ñâèäåòåëüñòâóåò î òîì, ÷òî íàïðÿæåíèå íà
ïóëüò ïîñòóïàåò. Çàãîðåâøèéñÿ ñèãíàë “ÒÝÍ” ñâèäåòåëüñòâóåò î òîì, ÷òî