Котел Electrolux FSB 50 P - инструкция пользователя по применению, эксплуатации и установке на русском языке. Мы надеемся, она поможет вам решить возникшие у вас вопросы при эксплуатации техники.
Если остались вопросы, задайте их в комментариях после инструкции.
"Загружаем инструкцию", означает, что нужно подождать пока файл загрузится и можно будет его читать онлайн. Некоторые инструкции очень большие и время их появления зависит от вашей скорости интернета.

газовые котлы
17
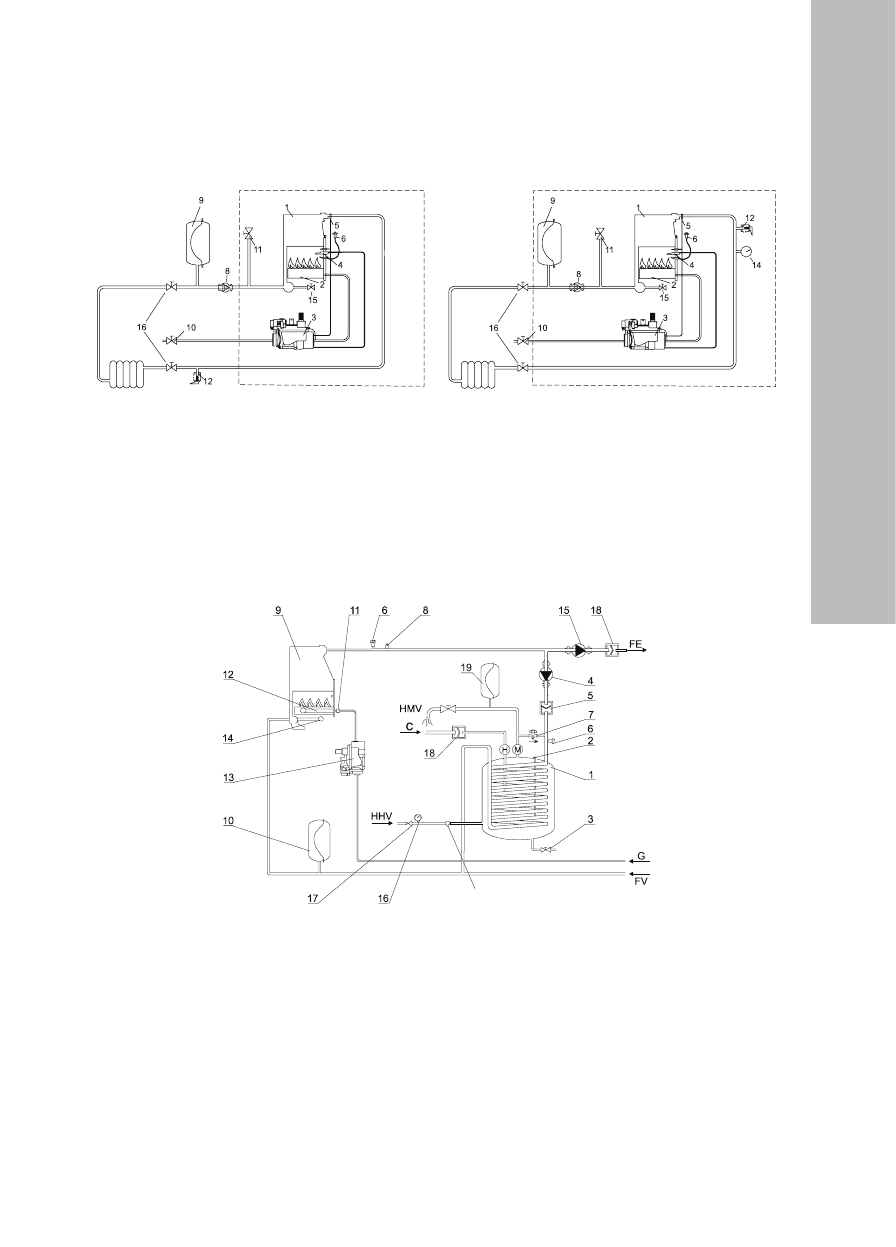
Принципиальные схемы работы
1
Теплообменник
2
Основная горелка
3
Газовый
клапан
4
Запальник
5
Аварийный термостат отопления
6
Электрод
розжига
7
Обратный
клапан
8
Циркуляционный
насос
9
Закрытый расширительный бак
10
Газовый кран
11
Заправочный кран
12
Предохранительный клапан на 3 бар
13
Автоматический воздухоотводчик
14
Манометр
15
Сливной кран
16
Основной кран
Рекомендованная схема подключения
котла с бойлером косвенного нагрева
ÉÍËÀÇÌÇÏÍÁ¿ÌÌÚÈÎÏÄÃÍÔÏ¿ÌÇÑÄÊÛÌÚÈ
ÉÊ¿Î¿Ì À¿Ï
FSB_Mi
FSB_Mpi
1
Бойлер
2
Магниевый
стержень
3
Сливной
кран
4
Заправочный
насос
5
Возвратный
клапан
6
Сброс
воздуха
7
Специальный
заправочно-дозировочный
вентиль
8
Аварийный
клапан
9
Теплообменник
10
Закрытый расширительный бак
11
Газовая
арматура
12
Газовая
горелка
13
Комбинированный газовый вентиль
14
Сливной кран отопления
15
Отопительный циркуляционный насос
16
Манометр
17
Редуктор холодной воды
18
Обратный
клапан
19
Расширительный бак для
потребительской воды
20
Комбинированный аварийный клапан на 6
бар
FE
Подача
отопления
FV
Возврат отопления
G
Газопровод
Характеристики
Остались вопросы?Не нашли свой ответ в руководстве или возникли другие проблемы? Задайте свой вопрос в форме ниже с подробным описанием вашей ситуации, чтобы другие люди и специалисты смогли дать на него ответ. Если вы знаете как решить проблему другого человека, пожалуйста, подскажите ему :)