Котел Electrolux Basic Space 11Fi - инструкция пользователя по применению, эксплуатации и установке на русском языке. Мы надеемся, она поможет вам решить возникшие у вас вопросы при эксплуатации техники.
Если остались вопросы, задайте их в комментариях после инструкции.
"Загружаем инструкцию", означает, что нужно подождать пока файл загрузится и можно будет его читать онлайн. Некоторые инструкции очень большие и время их появления зависит от вашей скорости интернета.

20
electrolux
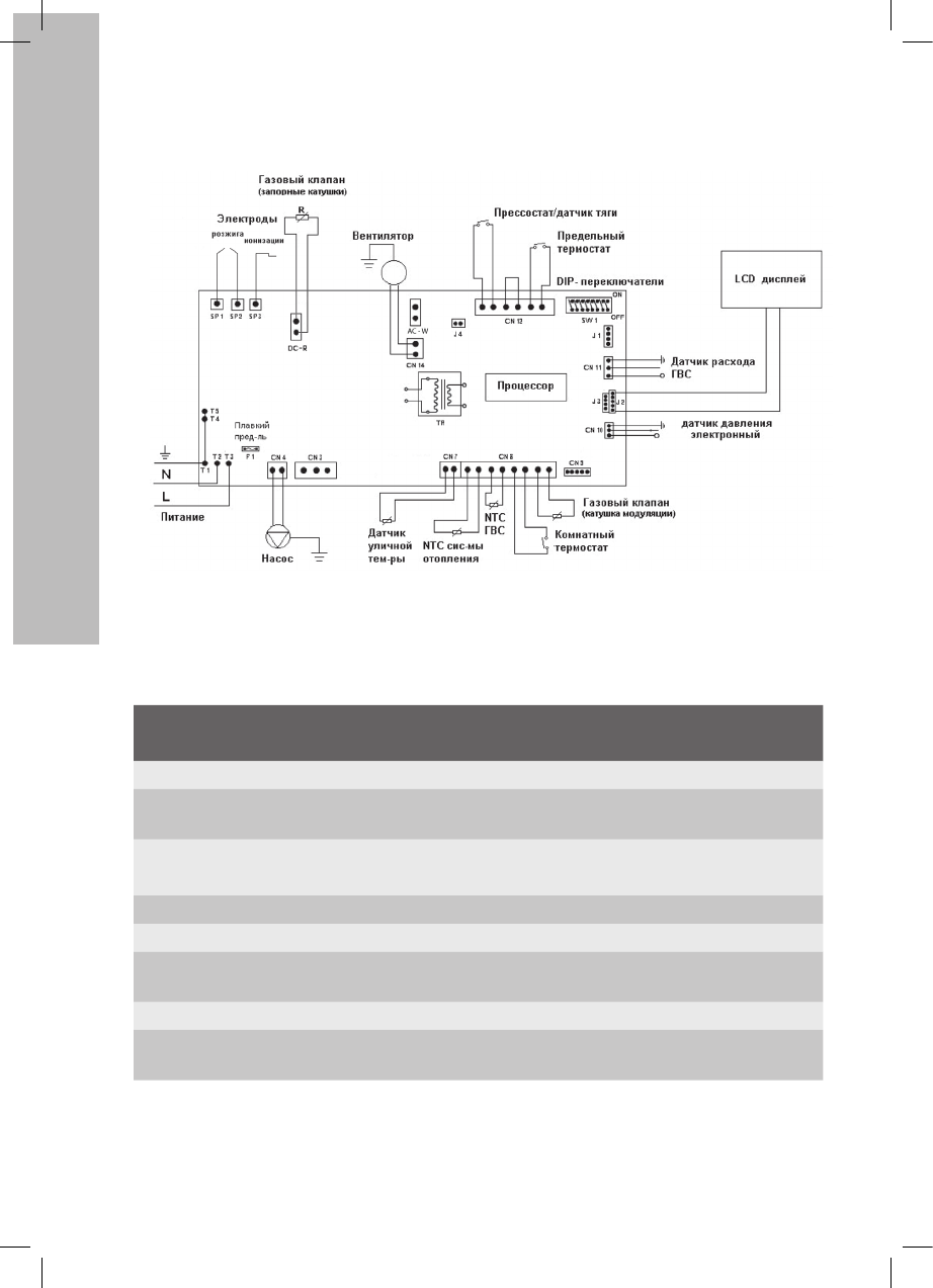
Электронная плата
На плате управления используется принцип кодирования при помощи DIP-переключателей (SW1).
Для корректной работы котла важно, что бы положения DIP-переключателей соответствовали
модификации котла.
Описание DIP-переключателей
№
Изменяемая функция
Положение микропереключателя
ON
OFF
1
Используемый газ
сжиженный
природный
2
Тип приготовления ГВС
вторичный
теплообменник
битермический
теплообменник
3
Тип системы отопления
Радиаторы
Теплый пол
(40-85 °С)
(35-60 °С)
4
Модификация котла
old
new
5
Погодозависимое управление
выключено
включено
6
Подогрев вторичного
теплообменника (в случае наличия)
выключено
включено
7
Режим работы системы отопления
нормальный
цикличный
8
Датчик давления
Аналоговый
(встроенный манометр)
Цифровой
(вывод
значений на дисплей)
Содержание
- 3 газовые котлы; Внутренняя структура котла
- 4 Циркуляционный насос
- 5 Технические характеристики; Общие данные
- 7 Панель управления; Пояснение к ЖК-дисплею
- 8 Подключение газа
- 9 ОN; Начало использования; Режима горячего водоснабжения
- 10 Настройка программатора котла
- 11 Погодозависимое управление котлом; При подключении уличного датчика; Выключение; Выключение котла на долгое время
- 12 Температура теплоносителя более 100; Е3 – ошибка в системе дымоудаления
- 13 Общие неисправности и решения; Hеисправность
- 14 Техническое обслуживание; Распаковка; Размеры
- 15 Требования к воде, используемой в качестве; Присоединение гидравлических систем; Условия установки; Крепление монтажного кронштейна
- 16 Гидравлические подсоединения; Подсоединение газа; Для котлов с закрытой камерой сгорания
- 17 • Коаксиальная система «труба в трубе»; с отводом продуктов сгорания; • Раздельная система труб 80 и 80 мм; с отводом продуктов
- 19 Коаксиальный дымоход
- 20 Электронная плата; Изменяемая функция
- 21 «Настройка минимальной мощ-; Перевод котла на сжиженный газ; форсунок; Настройка газового клапана
- 22 • выключите котел кнопкой на панели управ-; Этикетка котла; Год; Утилизация; Сертификат соответствия:
- 23 Орган по сертификации:
- 24 Га ран тий ный та лон












