Котел Beretta NOVELLA E 78 RAI - инструкция пользователя по применению, эксплуатации и установке на русском языке. Мы надеемся, она поможет вам решить возникшие у вас вопросы при эксплуатации техники.
Если остались вопросы, задайте их в комментариях после инструкции.
"Загружаем инструкцию", означает, что нужно подождать пока файл загрузится и можно будет его читать онлайн. Некоторые инструкции очень большие и время их появления зависит от вашей скорости интернета.

13
2.12
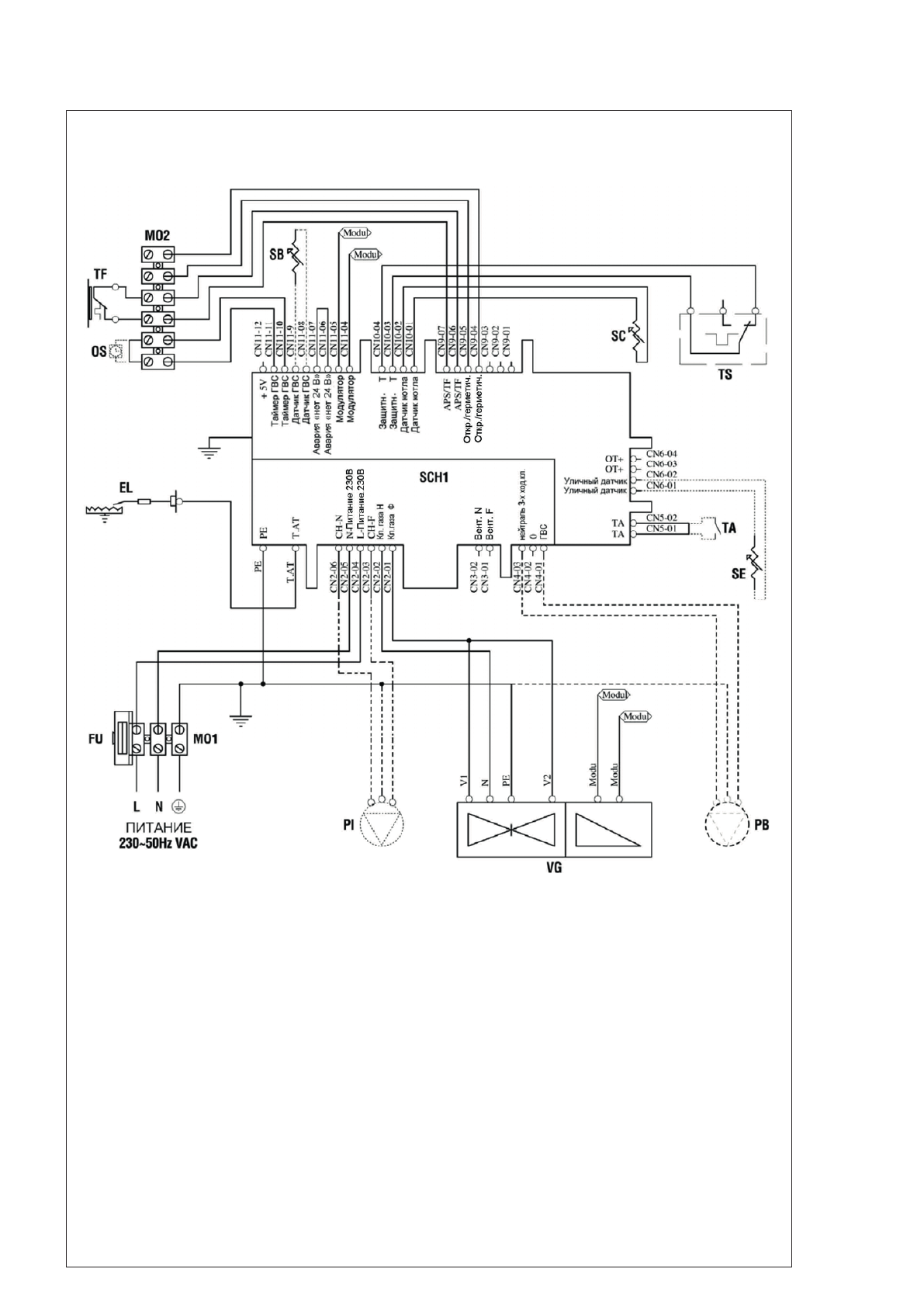
Принципиальная электрическая схема
FU1 Предохранитель
SC Датчик котла
SB Датчик бойлера (аксессуар)
ТА Комнатный термостат
TS Предохранительный термостат (с автоматическим возвратом)
TF Термостат дымовых газов (с автоматическим возвратом)
PI Циркуляционный насос системы отопления (не поставляется)
VG Электромагнитный клапан газа
ЕL Электрод розжига/контроля пламени
SСН1 Плата управления
МО1-МО2 Клеммные колодки для подключения
SE Датчик наружной температуры (аксессуар)
ТА Комнатный термостат (аксессуар)
OS Таймер ГВС (аксессуар)
PВ Загрузочный бойлер (не поставляется)
Рис. 2.14